Данный продукт представляет собой датчик скорости инерциального угла, основанный на оптическом эффекте Сагнака для измерения скорости вращения носителя вдоль чувствительной оси.Цифровая схема обнаружения замкнутого цикла используется для извлечения разницы оптического пути света в сторону часового стрелка, вызванной внешней физической угловой скоростью, и сигнал напряжения сигнала оптического пути модулируется и демодулируется,и обратная связь замкнутого цикла и управления реализованы для достижения цели обнаружения сигналов угловой скорости в реальном времени.
Функция: Данный продукт состоит из двух частей: оптического устройства, чувствительного к угловой скорости, и детектора сигнала, обеспечивающего информацию об увеличении угла одноося и информацию о внутренней температуре.
Сфера применения: The products are mainly suitable for photoelectric crane / crane / flying platform / inertial navigation / inertial measurement system / optical / photographic instrument / platform stabilization device / inertial measurement instrument and other applications.


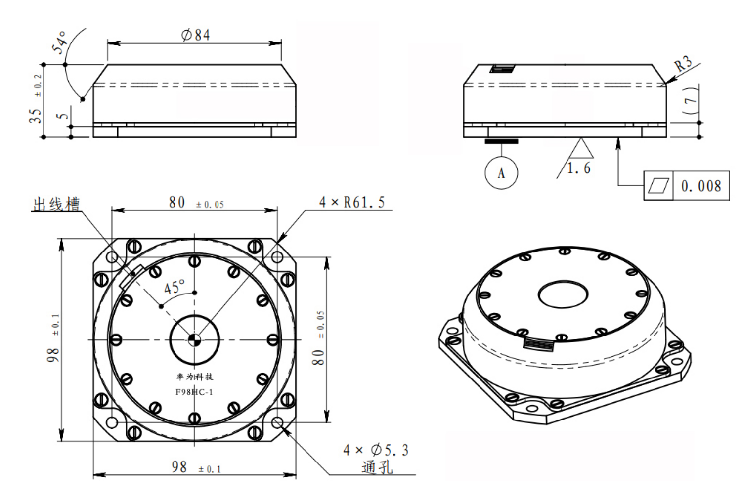
Размер установки
параметры работы
| Сн# | Испытательный элемент | H | Л | Примечание |
| 1 | Размеры (мм) | 98х98х35 | 98х98х35 | |
| 2 | Время (ы) начала | ≤ 5 | ≤ 5 | |
| 3 | Движение предвзятости (°) / час (10 с гладким, фиксированной температуры) | ≤ 0.015 | ≤ 0.03 | |
| 4 | Движение предвзятости (°) / час (10 с гладким) -45 ~ + 70 | ≤ 0.03 | ≤ 0.06 | |
| 5 | Повторяемость предвзятости (°) / час | ≤ 0.005 | ≤ 0.01 | |
| 6 | Коэффициент случайной ходьбы(o)/h1/2 | ≤ 0.001 | ≤ 0.002 | |
| 7 | Нелинейность коэффициента масштаба (ppm) | ≤ 10 | ≤ 20 | |
| 8 | Повторяемость коэффициента масштаба (ppm) | ≤ 10 | ≤ 20 | |
| 9 | Операционная температура °C | -40+70 | -40+70 | |
| 10 | Температура хранения (°C) | -45+80 | -45+80 | |
| 11 | Динамический диапазон (°) / с | ± 300 | ± 300 | |
| 12 | Напряжение питания (V) | ± 5 | ± 5 | |
| 13 | Потребление электроэнергии в постоянном состоянии (на полную температуру) (W) | < 3 | < 3 | |
| 14 | масса (g) | < 550 | < 550 |

Xi'an Kacise сертифицирована по стандартам ISO 9001-2008, GJB 9001B-2009, CE, взрывостойкость внутренней безопасности и взрывостойкость изолированной безопасности и т. Д.которые гарантируют соответствие нашей продукции международным стандартам.
Мы специализируемся на производстве приборов измерения давления, уровня и потока и связанных с ними продуктов в течение 10 лет.благодаря усилиям всего нашего персонала, мы стали профессиональным производителем измерительных приборов и поставщиком решений.
В настоящее время датчик Kacise уже экспортируется в Америку, Испанию, Австралию, Чили и 20 других стран и регионов, и получил много благоприятных отзывов.Наши зарубежные дистрибьюторы также растут..
Мы поставляем высококачественные газовые газовые счетчики, надеемся, что мы сможем сотрудничать в ближайшем будущем, предоставляя вам подходящие продукты, хорошие услуги и разумные цены.