120-литровый газовый баллон Ручной автоматический FM200 Газовый пожарный огнетушитель Бесцветный и без запаха
Редактор объясняет причины, по которым огнетушительное устройство HFC-227ea не распыляет
(i) пожарная сигнализация находится в ручном режиме
Система пожаротушения HFC-227ea имеет три способа запуска: автоматический старт, электрический ручной старт и механический аварийный ручный старт.система обнаружения пожара может обнаружить и подать тревогу только в зоне защиты, и не может запустить огнетушитель самостоятельно.Необходимо вручную нажать кнопку запуска на панели управления пожарной сигнализацией или кнопку экстренного запуска-остановки за пределами двери зоны защитыКонтроллер пожарной сигнализации получает команду запуска и запускает огнетушительное устройство в соответствии с заранее определенной процедурой.
(ii) электродинамический клапан не установлен правильно или предохранитель
Электромагнитное приводное устройство установлено на клапан контейнера. При тушении пожара электромагнит прорывается через рабочую диафрагму клапана контейнера при его включении.так что огнетушительное средство выпускаетсяЕсли он не установлен правильно, огнетушитель не может быть выпущен, что приводит к отказу огнетушителя.
(iii) Недостаточная стартовая мощность
При возникновении пожара огнетушительное устройство выделяет недостаточную мощность, что приводит к невозможности привода электромоторного клапана, электромагнит не может действовать,и рабочая диафрагма на клапане контейнера не может быть сломанаВ результате HFC-227ea не может быть запущен или частично не может быть запущен.
(IV) Гептафторпропан просочился, и количество агента не достигло количества, необходимого для тушения пожара, что привело к отказу тушения пожара.
V) Другие причины
Например, селекторный клапан долгое время не работал, что привело к нечувствительному действию и невозможности эффективного распыления гептафторпропанного огнетушителя.Или давление оборудования было ненормальным., что приводит к невозможности нормального высвобождения огнетушителя.

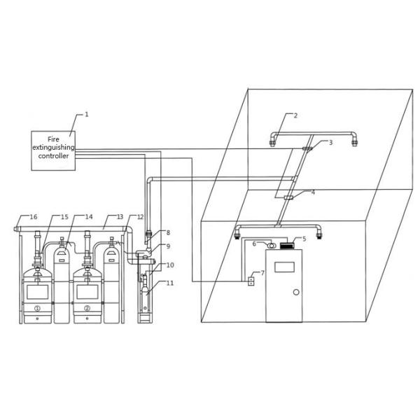
Схематическая схема системы, независимой от единицы
1. Контроллер газа для тушения пожара. 2. Спринклер. 3. детектор пожара (чувствительный температуры). 4. детектор пожара (чувствительный дыма). 5. индикатор дефляции. 6. звуковая и визуальная сигнализация. 7.Кнопка экстренного запуска-остановки. 8. Устройство обратной связи. 9. Выберите клапан. 10. Запустите скобку цилиндра. 11. Запустите группу бутылок с азотом. 12. Стальной скобки цилиндра. 13. Сборная труба.14 Устройство системы пожаротушения FM200 с гептафторпропаном под давлением ожидания.
15Запустите рельефный клапан.
Введение компании:
Guangzhou Rongan Fire Protection Equipment Co., Ltd. является профессиональным производителем средств противопожарной защиты, объединяющих услуги исследований и разработок, производства, проектирования и продаж. The company has experts from the national fire protection industry standards committee and a group of professional technical service teams with more than ten years of experience in the fire protection industry, и не пожалеет усилий, чтобы предоставить вам самые интимные и профессиональные комплексные технические решения для инженерных средств противопожарной защиты.Продукция серии "Rongxiao", произведенная компанией, прошла национальную обязательную сертификацию продукции и национальный центр инспекции системы пожаротушения., с надежным качеством и стабильной работоспособностью, и завод прошел сертификацию системы качества ISO9001.
Часто задаваемые вопросы
Q1: Вы производитель или торговая компания? A1: Мы производители.
Q2: Сколько длится время доставки? A2: 10 дней, которые можно договориться в соответствии с количеством.
Вопрос 3: Как справиться с неисправностью? Вопрос 3: В течение гарантийного периода мы предоставим вам удаленный план аварийных действий в рабочее время.Компания будет бесплатно заменять запасные части или полные машины, которые вышли из строя из-за дефектов или проблем с качеством.