Безвкусные системы пожаротушения Fm-200 Dc24V для электронного компьютерного зала
Описание:
Fm200 ((htc-227ea) - это бесцветный, безвкусный, не коррозионный и электрически изолирующий газ без остатков и загрязнения после гашения.Это экологически чистый газ, который используется для тушения.Кроме того, из-за такой особенности, он может быть использован в специальном месте, где электрический пожар легко произойти.
В сочетании с устройством пожаротушения и электронным аксессуаром вся система может работать автоматически.Он может отслеживать положение защитной области через детекторы, а затем он также может запустить устройство пожаротушения через силовой привода автоматическиТаким образом, вся система может достичь автоматизации полностью.это может предотвратить, что нет никого, кто заметит пожар, когда это происходит и это также экономит много денег на занятости, чтобы контролировать защитную зону.
Управление несколькими зонами также заключается в безопасном управлении всей системой.Это может позволить всей системе альтернативные направленные на различные защитные зоны- Агент может быть выпущен на место пожара. это будет очень эффективно потушить огонь в короткие сроки.что небольшое помещение должно быть подготовлено для хранения всей системы.
Системы пожаротушения FM-200 (также известные как HFC-227ea) - это системы пожаротушения с чистыми агентами, предназначенные для быстрого тушения пожаров в закрытых помещениях, таких как серверные комнаты, центры обработки данных,лабораторииЭти системы используют нетоксичный, не коррозионный и экологически чистый газ под названием FM-200 (гептафторпропан), который может тушить пожары в течение нескольких секунд,устранение необходимости использования грязных и вредных химических веществ или воды.
Газ FM-200 хранится в цилиндрах под высоким давлением и при обнаружении пожара быстро высвобождается через трубопроводную сеть и головки распылителей или соприкосновений.Газ вытесняет кислород в замкнутом пространстве, уменьшая источник топлива для пожара и гасить его без повреждения оборудования или окружающей среды.
Системы пожаротушения FM-200 идеально подходят для помещений с чувствительным оборудованием или материалами, поскольку они не оставляют никаких остатков и не повреждают электронику и другое оборудование.Он также безопасен для дыхания человека и не влияет на озоновый слой.
Системы пожаротушения FM-200 требуют регулярного обслуживания и испытаний, чтобы убедиться, что они находятся в хорошем рабочем состоянии и могут быстро подавлять пожары в чрезвычайных ситуациях.Регулярные проверки компетентным подрядчиком могут выявить любые проблемы и обеспечить готовность системы к работе, как и предполагалосьЭти системы обеспечивают быструю способность к тушению, что делает их важной частью защиты ценного оборудования и имущества при одновременном минимизации сбоев в работе.

Параметр:
| Нет, нет, нет. | спецификация | Технический параметр |
| 1 | Наполнительное давление | 50,6 МПа |
| 2 | Масштаб охранной зоны для одной зоны | Площадь: Максимальная одиночная зона - 800 м2 Объем: Максимальная одиночная зона - 3600 м3 |
| 3 | Время опрыскивания | ≤ 10 с |
| 4 | Плотность заполнения | ≤ 1080 кг/м3 |
| 5 | мощность | DC24V/1.6A |
| 6 | Давление азота при управлении | 60,0±1,0Mpa ((20°C) |
| 7 | Состояние резервируемого помещения для контейнера | температура: -10~50°C, относительная влажность: ≤97% |
| 8 | максимальное рабочее давление | 80,0 МПа |
| 9 | min рабочее давление | 40,6 МПа |
Применение:
Электронный компьютерный зал, центр обработки данных, телекоммуникационные установки, контроль процессов, дорогостоящее медицинское оборудование, промышленное оборудование, библиотека, музей и художественная галерея, чистый зал,анехоическая камера, аварийные электростанции, хранилища горючих жидкостей и т.д.
Место, где пожар легко произойти, как краска распыливания производственной линии, старения электрооборудования, прокатная машина, печатная машина, переключатель масла, масло погруженный трансформатор,резервуар для пропитки плавления, резервуар, крупные генераторы, сушильное оборудование, процесс производства цемента из измельченного угля, а также машинное отделение судна, грузовой отсек и т.д.
Композиции:
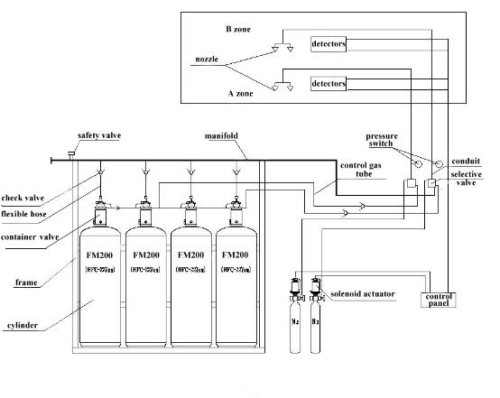
90l Модель Hfc227ea Система, работающая в 5,6mpa, состоит в основном из трех частей: устройств пожаротушения и трубных фитингов и электрических принадлежностей.
Огнетушительные устройства - это такие вещи, как цилиндр для заполнения и хранения fm200, рама и приводное устройство ((азотный цилиндр), чтобы запустить цилиндр для хранения с выбросом агента и так далее.
Трубные фитинги - это провода для подключения устройства тушения и ведущего агента в защитную зону, такие как оцинкованные стальные трубы высокого давления и фланц и локоть и так далее.
Электрические аксессуары - это те вещи, которые используются для обнаружения и мониторинга всей защитной зоны и контроля всей системы, а также предупреждения людей об эвакуации и предотвращения распространения пожара.
Эти интегрированные три части будут эффективными для обнаружения и контроля, а также автоматической сигнализации и тушения пожара.
Ниже приложен полный состав всей системы,

Введение компании
Guangzhou Xingjin Fire Equipment Co., Ltd., окруженный удобным транспортом и красивой средой, расположен в Гуанчжоу,который играет важную роль в коммуникации между Китаем и миромМы являемся производителем, и мы посвящаем себя изучению и разработке продуктов HFC-227ea (FM200) с нашей профессиональной и зрелой командой, включая команду разработчиков программ,Опытная монтажная командаВ настоящее время наши популярные продукты FM200 широко используются, такие как система пожаротушения трубной сети FM200,пожарная система типа шкафа FM200, автоматический огнетушитель FM200
В результате высокого качества продукции и услуг, а также хорошей репутации,наша компания хорошо воспринята клиентами в Китае.

Почему выбирать нас?
• 5 лет гарантии качества
• Xingjin работает в системе управления высокой эффективностью
• Усовершенствованное оборудование и профессиональные инженеры гарантируют, что все продукты будут удовлетворительными.
• Мы предоставляем техническую поддержку и обслуживание 8×6 часов.
Послепродажное обслуживание
• У нас есть эффективные продажи и послепродажная команда, чтобы обещать, что все вопросы клиентов будут решены вовремя.
• Мы предоставляем техническую поддержку и обслуживание 8×6 часов.
Частые вопросы
Вопрос 1: Вы производитель или торговая компания?
A1: Мы производитель.
Q2: Есть ли OEM-продукты?
A2: Да, мы приветствуем ваш собственный дизайн и чертеж.
Q3: Где находится ваша фабрика? Могу ли я посетить ее?
A3: Наш завод расположен в Шилоу, Панью, Гуанчжоу, Гуандун, Китай.
Мы всегда рады и ждем вашего визита.
В4: Как я могу добраться до вашей фабрики?
Ответ 4: Из-за удобства передвижения здесь вы можете приехать на такси или на метро. Если вы приехали сюда на метро, вам нужно сесть на линию 4 и выйти на станции Шики.Тогда выходи из станции за отказ.126-й автобус и выйди на станции Юэси.