Высокий огонь СО2 давления - туша система
Описание:
Форма пожаротушения системы вызвала огонь СО2 - туша система использует газ углекислого газа (СО2) для того чтобы положить вне огни. Эта технология часто использована для того чтобы гарантировать чувствительные объекты как центры данных, комнаты электротехнического оборудования, и другие места где вода или другие типы пожаротушения химикатов могут причинить вред.
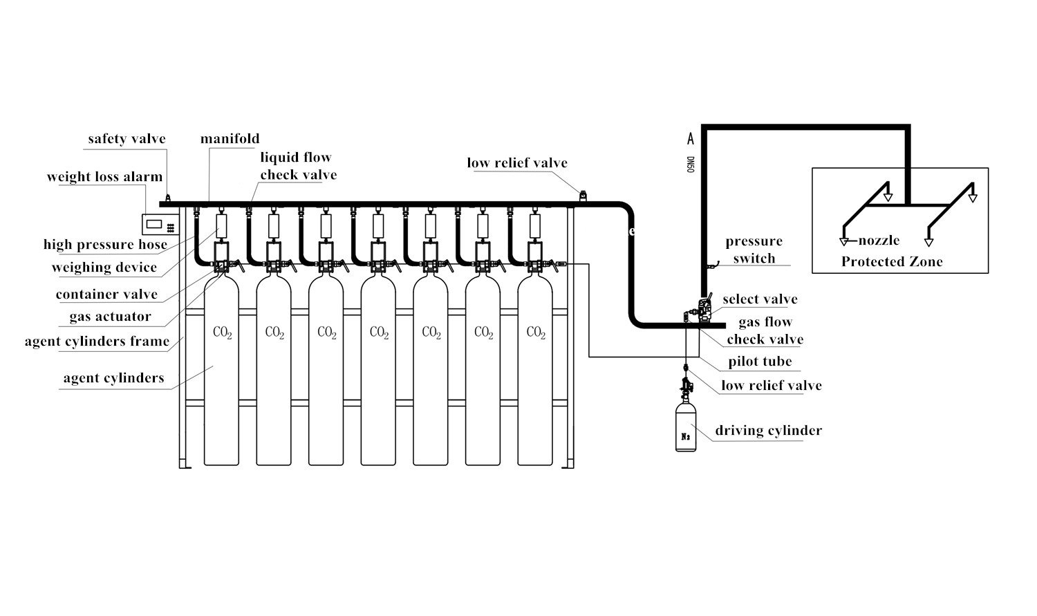
Цилиндр хранения или банк цилиндров нося надутый газ СО2, соединенный pipework, и сопла разрядки составляют обычную систему противопожарного оборудования СО2. Газ СО2 выпущен от цилиндров и пущен по трубам к соплам разрядки, куда направлено к огню, когда система повернута дальше вручную или автоматически.
Заменен кислород в воздухе когда газ СО2 выпущен, приводящ в кислород-недостаточной окружающей среде которая душит огонь. Путем поглощать жару и приносить температуру окружающего воздуха вниз, газ СО2 можно также использовать эффектно для того чтобы положить вне огонь.
Основанный на размере, вид, и потенциальные угрозы покрытой области, СО2 огня увольняют - туша системы часто созданы для того чтобы удовлетворять специфическая критеря по защиты от огня. Местный мандат кодов или страховых компаний огня часто эти системы для конкретных видов объектов или деятельности. Представление и безопасность систем противопожарного оборудования СО2 зависят от свойственных установки, состояния, и деятельности.
Параметр:
| Нет. | Спецификация | Технический параметр |
| 1 | Модель прибора | QME70 |
| 2 | Емкость | 70Ltr |
| 3 | Заполняя том газа | 42kg |
| 4 | Давление деятельности | 5.7MPa |
| 5 | Максимальное давление работы | 12.4MPa |
| 6 | Распыляя время | ≤60s |
| 7 | Максимальный заполняя тариф | 0.6kg/L |
| 8 | Сила | DC24V/1.6A |
| 9 | Давление деятельности выпускать прибор | Клапан контейнера: 19±0.95MPa; Коллектор: 15±0.75MPa |
| 10 | Давление азота управлять | 6.0±1.0Mpa (20℃) |
| 11 | Условие резервировать комнату для контейнера | Температура: 0~50℃ |

Компоненты
3 главных компонента типа системы сети трубы подавления автоматического огня СО2 описанный ниже. Электрические аксессуары, штуцеры трубы, и тушить оборудование.
Тушащ приборы включите детали как цилиндры СО2 для хранить топливо, рамки с задающими усилителями (цилиндрами азота) который причиняет цилиндры хранения к агентам отпуска, и так далее.
Штуцеры трубы, которые включают высоким трубу гальванизированную давлением стальную, фланцы, локти, и другие компоненты, проводники используемые для того чтобы соединить тушить оборудование и агенты что огонь прямой наводки в защитные зоны.
Электрические аксессуары те детали которые использованы для того чтобы обнаружить и проконтролировать всю защитную область, отрегулировать всю систему, бдительные людей для того чтобы исчезнуть, и останавливают распространение огня.
Эти 3 совмещенных компонента работают хорошо совместно автоматически для того чтобы обнаружить, проконтролировать, потревожить, и положить вне огни.


Применения:
Библиотека и комната архивов, компьютерная комната электрического счетнорешающего устройства, электрическая подстанция, комната радиосвязи, ангар, гараж, морское машинное отделение, груз, краск-распыляя комната, котельная, центр управления, etc.
Соответствующее для класть вне все виды огней горючей жидкости и твердого дела; огонь газа в котором силу можно отрезать перед тушить огонь.
Введение компании:
CO. оборудования огня Гуанчжоу Xingjin, Ltd., окруженный удобным транспортом и красивой окружающей средой, расположено в Гуанчжоу, которое играет важную роль в сообщении между Китаем и миром. Мы изготовитель, и мы посвящаем к исследованию и развитию продукций HFC-227ea (FM200) с нашей профессиональной и зрелой командой включая проектную группу программы, умелую команду установки, качественную обнаруживая команду и команду обслуживания после-надувательства. В наше время, наши популярные продукты fm200 широко использованы, как пожаротушение системы сети FM200 трубы, тип пожаротушение шкафа системы FM200, автоматического огнетушителя FM200
(потолок установил стиль), огонь обнаруживая систему подавления трубки и трубку подавления автоматического огня. В результате изделий высокого качества и обслуживаний так же, как хорошей репутации, наша компания хорошо получена клиентами в Китае.
вопросы и ответы
Q1: Вы изготовитель или торговая компания?
A1: Мы изготовитель.
Q2: Продукты OEM доступны?
A2: Да, мы приветствуем ваши собственные дизайн и чертеж.
Q3: Где ваша фабрика? Могу я посетить его?
A3: Наша фабрика размещает в Shilou, Panyu, Гуанчжоу, Гуандуне, Китае.
Конечно да. Мы всегда приветствуем и ждем ваше посещение.
Q4: Как могу я получить к вашей фабрике?
A4: Из-за удобного транспорта здесь, вы можете принять такси или прийти здесь на метро. Если вы приходите здесь на метро, то вам нужно принять линию 4 и получить на станции Shiqi. После этого идите вне станция для принимать автобус но. 126 и получите на станции Yuexi.