Нержавеющая сталь буферного раскоса МТЭ-ХД весны штуцеров чашки вакуума с латунью
1. Введение и применение:
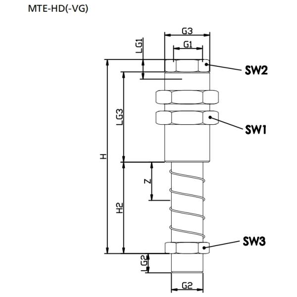
2. Структура

3. Данные по технологии:
| Тип | Вес на единицу поверхности весны | Претензия весны | Сила весны | Вертикальная нагрузка | Горизонтальная нагрузка | Вес | Рабочая температура |
| 】 【Н/мм | 】 Н 【 | 】 Н 【 | 】 Н 【 | 】 Н 【 | 】 г 【 | 】 ℃ 【 | |
| МТЭ-ХД Г1/8-АГ 15 | 0,221 | 3,53 | 5,19 | 3700 | 385 | 80 | 0… 80 |
| МТЭ-ХД Г1/8-АГ 15 ВГ | 0,221 | 3,53 | 5,19 | 3700 | 385 | 80 | 0… 80 |
| МТЭ-ХД Г1/8-АГ 25 | 0,143 | 3,57 | 5,36 | 3700 | 283 | 90 | 0… 80 |
| МТЭ-ХД Г1/8-АГ 25 ВГ | 0,143 | 3,57 | 5,36 | 3700 | 283 | 90 | 0… 80 |
| МТЭ-ХД Г1/8-АГ 50 | 0,097 | 2,92 | 5,34 | 3700 | 173 | 110 | 0… 80 |
| МТЭ-ХД Г1/8-АГ 50 ВГ | 0,097 | 2,92 | 5,34 | 3700 | 173 | 110 | 0… 80 |
| МТЭ-ХД Г1/4-АГ 25 | 0,711 | 6,47 | 15,36 | 2400 | 747 | 145 | 0… 80 |
| МТЭ-ХД Г1/4-АГ 25 ВГ | 0,711 | 6,47 | 15,36 | 2400 | 747 | 145 | 0… 80 |
| МТЭ-ХД Г1/4-АГ 50 | 0,452 | 1,4 | 12,7 | 2400 | 466 | 175 | 0… 80 |
| МТЭ-ХД Г1/4-АГ 50 ВГ | 0,452 | 1,4 | 12,7 | 2400 | 466 | 175 | 0… 80 |
| МТЭ-ХД Г1/4-АГ 75 | 0,262 | 5,38 | 15,2 | 2400 | 340 | 190 | 0… 80 |
| МТЭ-ХД Г1/4-АГ 75 ВГ | 0,262 | 5,38 | 15,2 | 2400 | 340 | 190 | 0… 80 |
| МТЭ-ХД Г3/8-АГ 25 | 3,829 | 25,64 | 73,5 | 4800 | 1870 | 400 | 0… 80 |
| МТЭ-ХД Г3/8-АГ 25 ВГ | 3,829 | 25,64 | 73,5 | 4800 | 1870 | 400 | 0… 80 |
| МТЭ-ХД Г3/8-АГ 75 | 1,072 | 37,2 | 77,4 | 4800 | 800 | 530 | 0… 80 |
| МТЭ-ХД Г3/8-АГ 75 ВГ | 1,072 | 37,2 | 77,4 | 4800 | 800 | 530 | 0… 80 |
| МТЭ-ХД Г3/8-АГ 90 | 1,072 | 24,38 | 75,3 | 4800 | 730 | 545 | 0… 80 |
| МТЭ-ХД Г3/8-АГ 90 ВГ | 1,072 | 24,38 | 75,3 | 4800 | 730 | 545 | 0… 80 |
| МТЭ-ХД Г1/2-АГ 25 | 3,289 | 25,64 | 73,5 | 4900 | 1870 | 400 | 0… 80 |
| МТЭ-ХД Г1/2-АГ 25 ВГ | 3,289 | 25,64 | 73,5 | 4900 | 1870 | 400 | 0… 80 |
| МТЭ-ХД Г1/2-АГ 75 | 1,072 | 37,2 | 77,4 | 4900 | 800 | 530 | 0… 80 |
| МТЭ-ХД Г1/2-АГ 75 ВГ | 1,072 | 37,2 | 77,4 | 4900 | 800 | 530 | 0… 80 |
| МТЭ-ХД Г1/4-АГ 90 ВГ | 0,262 | 1,49 | 13,28 | 1500 | 300 | 210 | 0… 80 |
| МТЭ-ХД Г1/2-АГ 90 | 1,072 | 24,38 | 75,3 | 4900 | 730 | 544 | 0… 80 |
4. Проектные данные
