Технология МВРВ регулируя клапана вакуума с материалом алюминиевого сплава
1. Введение и применение
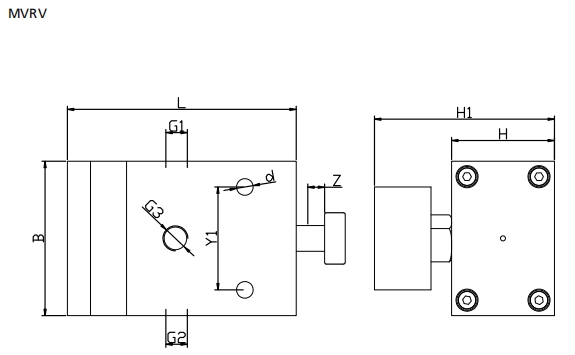
2.Десинь

данные 4.Десинь

| тип | Размер (ММ) | |||||||||
| Б | Д | Г1 | Г2 | Г3 | Х | Х1 | Л | С1 | З | |
| МВРВ Г1 /4 | 60 | 6,5 | Г1 /4» - Ф | Г1 /4» - Ф | Г1 /8» - Ф | 40 | 70 | 89 | 40 | 10 |
| МВРВ Г3 /8 | 60 | 6,5 | Г3/8» - Ф | Г3/8» - Ф | Г1 /8» - Ф | 40 | 70 | 89 | 40 | 10 |
| МВРВ Г1 /2 | 85 | 8,5 | Г1/2» - Ф | Г1/2» - Ф | Г1 /4» - Ф | 50 | 80 | 105 | 63 | 10 |
| МВРВ Г1 | 100 | 8,5 | Г3/4» - Ф | Г3/4» - Ф | Г1 /4» - Ф | 50 | 80 | 110,5 | 63 | 10 |
| МВРВ Г3 /4 | 120 | 8,5 | Г1» - Ф | Г1» - Ф | Г1 /4» - Ф | 60 | 90 | 118 | 63 | 10 |
| МВРВ Г1 1/2 | 160 | 8,5 | Г1 " 1/2-Ф | Г1 " 1/2-Ф | Г1 /4» - Ф | 99 | 129 | 131,5 | 63 | 10 |