Промышленные чашки всасывания транспортируя материал глинозема генератора МЭК вакуума
1. Введение и аппликатон
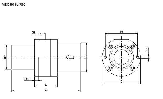
2. Структура

3. Данные по технологии:
| Тип | Диаметр сопла | Максимальный вакуум | Максимальная емкость всасывания | Максимальная емкость всасывания | Потребление воздуха вдыхая | Потребление воздуха вдыхая | Рабочее давение | Вес | Рабочая температура |
| [мм] | [мбар] | [Л/МИН] * | [³/х м] * | [Л/МИН] * | [³/х м] * | [бар] | [кг] | [℃] | |
| МЭК-60 | 6 | -245 | 215 | 12,9 | 110 | 6,6 | 2,0… 5,0 | 0,04 | -20… 80 |
| МЭК-60 А2 | 6 | -245 | 215 | 12,9 | 110 | 6,6 | 2,0… 5,0 | 0,091 | -20… 80 |
| МЭК-100 | 10 | -185 | 610 | 36,6 | 135 | 8,1 | 2,0… 6,0 | 0,07 | -20… 80 |
| МЭК-100 А2 | 10 | -185 | 610 | 36,6 | 135 | 8,1 | 2,0… 6,0 | 0,206 | -20… 80 |
| МЭК-200 | 20 | -85 | 1375 | 82,5 | 290 | 17,4 | 2,0… 6,0 | 0,18 | -20… 80 |
| МЭК-200 А2 | 20 | -85 | 1375 | 82,5 | 290 | 17,4 | 2,0… 6,0 | 0,511 | -20… 80 |
| МЭК-400 | 40 | -35 | 2250 | 135 | 445 | 26,7 | 2,0… 6,0 | 0,525 | -20… 80 |
| МЭК-400 А2 | 40 | -35 | 2250 | 135 | 445 | 26,7 | 1,9… 5,9 | 1,475 | -20… 80 |
| МЭК-750 | 75 | -5 | 8640 | 518,4 | 770 | 46,2 | 2,0… 6,0 | 2,35 | -20… 80 |
4. Проектные данные:

