

Продукт Особенности
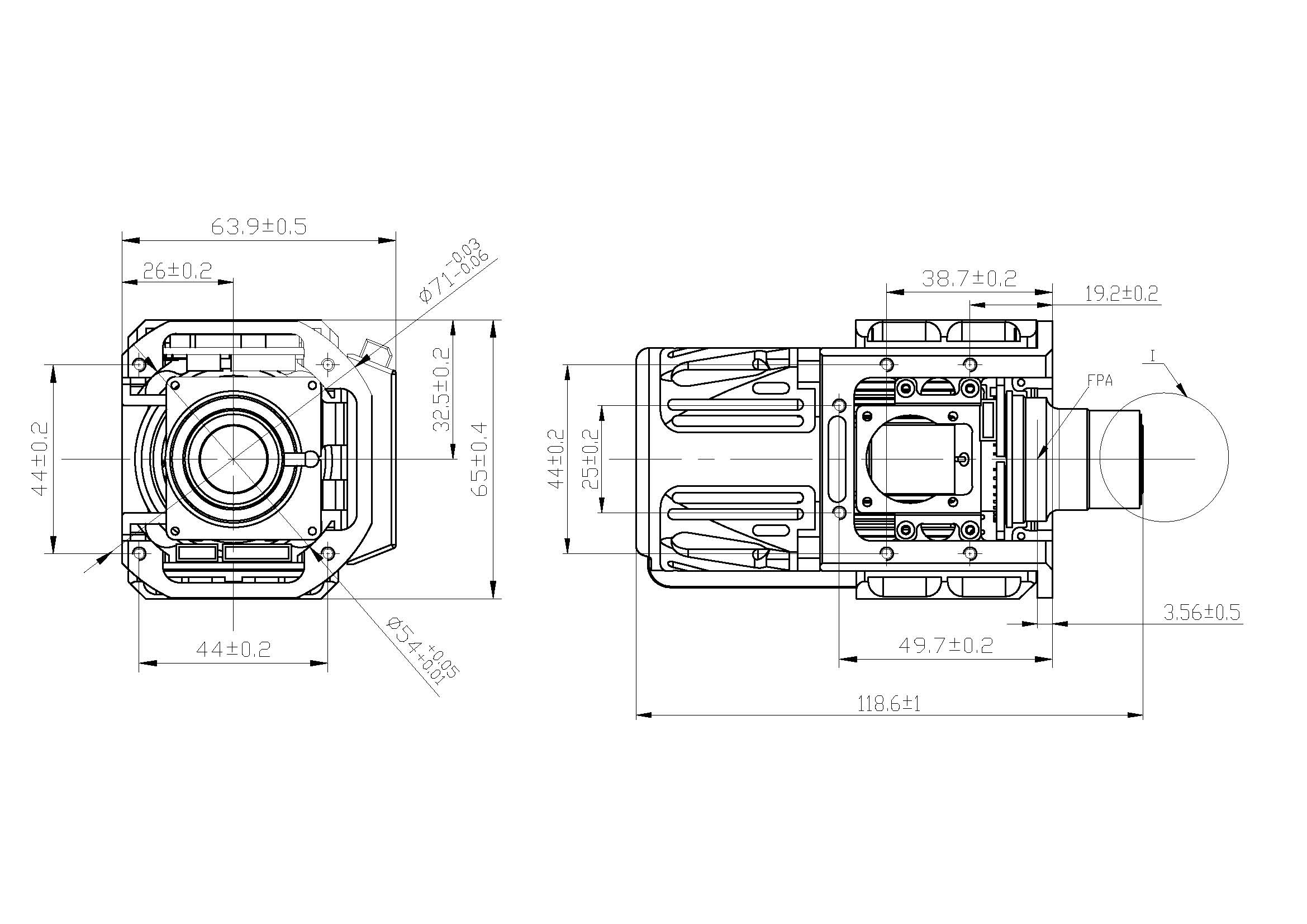
| Небольшие размеры | 118.5 × 63 × 65 мм |
| Легкий вес | ≤ 530 г |
| Высокая надежность | MTTF ≥15000 ч |
| Разделенный охладитель | 12W@23°C |
| Противопомешательство | |
| Хорошая однородность изображения |
Области применения
Широко используется в области дистанционного зондирования, включая геологические исследования, дистанционное зондирование и анализ минералов и т.д.
Широко используется в различных платформах дистанционного обнаружения, включая самолеты, спутники, корабли и другие платформы обнаружения.

Технические параметры
| Детектор | Тип детектора | Инфракрасные компактные детекторы средней волны |
| Резолюция | 64 0 × 512 | |
| Размер пикселя | 15 мкм × 15 мкм | |
| Диапазон отклика | 70,7 ~ 9,3 мкм | |
| Эффективная скорость пикселей | ≥ 99% | |
| Время охлаждения при комнатной температуре (23°C) | < 7 мин | |
| Способ охлаждения | Линейный охладитель Стирлинга | |
| F-число | 2 | |
| Срок службы (MTTF) | 15000 часов | |
| Выход видео | Скорость кадров | 2 5Гц / 50Гц / 100Гц / Внешняя синхронизация |
| Аналоговый выход | PAL / NTSC | |
| Цифровой выход | Cameralink (14-битные сырые данные или 8-битные видеоданные) | |
| Производительность контроля | Корректировка изображения | Контраст, яркость, полярность изображения, коррекция затвора, коррекция фона, улучшение деталей, электронное увеличение |
| Поперечное сечение | показывать/ выдерживать | |
| Время интеграции | Постоянно регулируемый | |
| Электрическое питание | Входное напряжение | DC 12V ± 1V |
| Потребление энергии | Охлаждение 2 4 Вт / стабильное 1 2 Вт | |
| Параметры окружающей среды | Рабочая температура | -40°C ~ +60°C |
| Температура хранения | -50°C ~ +70°C | |
| Физические свойства | Размер | 118.5 мм × 63 мм × 65 мм (без линз) |
| вес | ≤ 5 30 г (без линз) |
