

Продукт Особенности
| Небольшие размеры | 116 × 63 × 65 мм |
| Легкий вес | ≤ 455 г |
| Высокая надежность | MTTF ≥15000 ч |
| Низкая мощность | 12W@23°C |
| Специальный алгоритм изображения | |
| Число F необязательно | F1.5/F2/F4 |
Области применения
Он используется для наблюдения и обнаружения мобильных транспортных средств и может быть загружен на платформы, установленные на транспортных средствах, воздушные платформы, прибрежные платформы наблюдения и т. д.Он может наблюдать высокие и низкие температуры организмов и может использоваться для медицинского обнаружения, пожарное предупреждение и т.д.

Технические параметры
| Детектор | Тип детектора | Малый инфракрасный детектор средней волны |
| Резолюция | 640 × 512 | |
| Размер пикселя | 15μm × 15μm | |
| Диапазон отклика | 3. 7 мкм ~ 4,8 мкм | |
| Эффективная скорость пикселей | ≥ 99,7% | |
| Время охлаждения при комнатной температуре (23°C) | < 6 минут | |
| Способ охлаждения | Линейный охладитель Стирлинга | |
| F-число | 4 | |
| Срок службы (MTTF) | 15000 часов | |
| Выход видео | Скорость кадров | 2 5Гц / 50Гц / 100Гц / Внешняя синхронизация |
| Аналоговый выход | PAL / NTSC | |
| Цифровой выход | Cameralink (14-битные сырые данные или 8-битные видеоданные) | |
| Производительность контроля | Корректировка изображения | Контраст, яркость, полярность изображения, коррекция затвора, коррекция фона, улучшение деталей, электронное увеличение |
| Поперечное сечение | показывать/ выдерживать | |
| Время интеграции | Постоянно регулируемый (6 ~ 20 мс) | |
| Электрическое питание | Входное напряжение | DC 12V ± 1V |
| Потребление энергии | Охлаждение 2 4 Вт / стабильное 1 2 Вт | |
| Параметры окружающей среды | Рабочая температура | -40°C ~ +60°C |
| Температура хранения | -50°C ~ +70°C | |
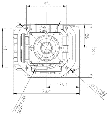
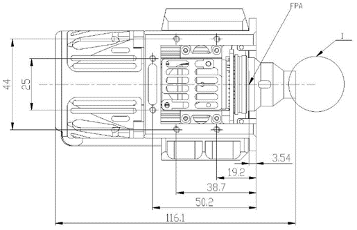
| Физические свойства | Размер | 11 6 мм × 6 3 мм × 6 5 мм (без линз) |
| вес | ≤ 455 г (без линз) |

