Патрон предохранителя лезвия ATO ATC автомобиля автомобиля PCB вертикального терминала SL-703D сваривая автомобильный стандартный
Спецификация
|
Электрический |
Расклассифицированное течение до 30A |
|
Изолируя тело |
Нейлон с волокном GIass |
|
Контакты |
Полуженная латунь |
|
Ссылка взрывателя |
Взрыватель лезвия ATY/ATO/ATC/0257/0287 |
|
Размер взрывателя |
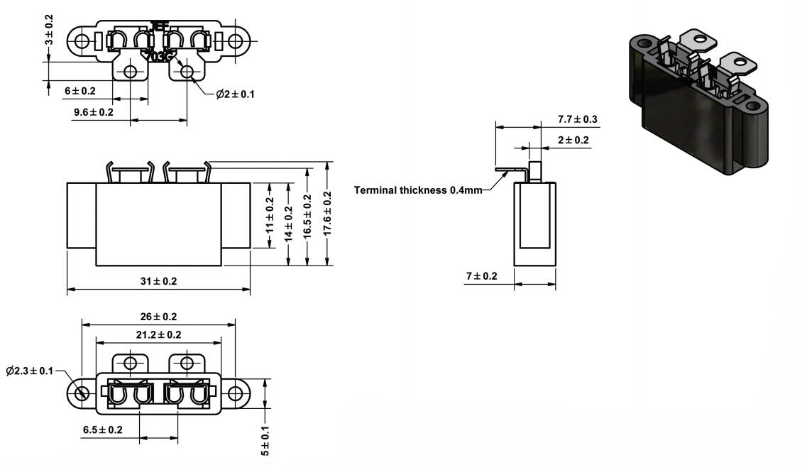
На стандартное средство .205 (5,2) x .025 (.64) автомобильных взрывателя лезвия |
|
Функция |
Взрыватели починки к доске ПК |
|
Применение |
Защита сети |
|
Тип установки |
Уровень PCB |
|
Стиль |
Держатель |
Характер продукции
Особенный взрыватель лезвия для освещения автомобиля, аудио, UPS, автоматических фар, taillights, stoplights, монтажной платы радиотехнической схемы или других электронных продуктов с цепью низшего напряжения. Взрыватель лезвия ATC/ATO (также вызвал лопату или вставляемый взрыватель) приходит с высокотемпературным, удар-устойчивым пластиковым кожухом & 2 prongs который помещают в гнезда главным образом используемые в автомобилях. Каждый взрыватель напечатан с расклассифицированным течением в амперах на верхней части.
Преимущества
(1) небольшой том, легкий для установки и для использования
(2) изоляция раковины, пламя - retardant
(3) раковина, корозия и устойчивость к старению нейлона
Применение
Объем применения: переходники силы, навигация автомобиля, мобильные телефоны, ЖК-ТЕЛЕВИЗОР, ноутбуки, оборудование связи, аппаратуры, тюнеры, беспроводное оборудование дистанционного управления, оборудование автомобиля звуковое, приборы домочадца промышленные и другие электронные продукты. Соответствующий для всех видов электроприборов автомобиля, установки панели низшего напряжения электрических и пользы. Подвергли действию тип с крышкой для легких загрузки и разгружать взрывателя.

Детали контакта:
Andy с вами
Электронная почта: andy@tianrui-fuse.com.cn
MP/Whatsapp: +86 13532772961
Wechat: HFeng0805
Skype: andywutechrich
QQ: 969828363
Доставка
Доставка: UPS/Federal Express/DHL/TNT/EMS. Пожалуйста свяжитесь мы сразу которые предпочитаемое ваше пути.
Для стран & регионов где EMS не может поставить, pls выбирают другие грузя пути
Наши преимущества
дизайн 1.Customized доступный ODM OEM радушен
Ответ 2 ваше дознание в 24 рабочих часах
3 штата Expericenced ответят все ваши вопросы на профессиональном и английск бегл
однозначное решение 4.Exclusive может быть доказательством обеспеченным нашими хорошо-trand и профессиональными инженерами
скидку 5.Special можно предложить с большим количеством
6.We попробует наше самое лучшее для того чтобы соотвествовать ваш
Наше введение компании
1. Над 10-летним опытом в производстве патрона предохранителя и опытом больше чем 8 год на экспорте.
2. Весь из материала прошли ROHS и аттестацию достигаемости.
3. Процесс производства исполнить с ISO9001.
4. Мы поставляем хорошие условия оплаты как TT перед пересылкой для наших клиентов.
5. Мы можем обеспечить свободные образцы для клиента для того чтобы испытать его.
6. Срок поставки образцов в течение 24 часов.
7. Быстрое ведущее время 3-10days (1kpcs-100kpcs), 25-30days (100kpcs-1000kpcs)
8. Данные по фабрики: Размещенный в городе Dongguan, провинция Гуандун.
9. Обслуживание OEM и предложенный ярлык покупателя.
10. Над 10 производственными линиями.
11. Среди 150 работников, включая 5 инженеров НИОКР, 6 техников QC.
вопросы и ответы
Q1. Что ваши термины паковать?
: Вообще, мы пакуем наши товары в сумке pe и коричневых коробках. Если вы законно регистрировали патент, то мы можем упаковать товары в ваших заклеймленных коробках после получать ваши письма утверждения.
Q2. Что ваши условия платежа?
: T/T 30% как депозит, и 70% перед доставкой. Мы покажем вам фото продуктов и пакетов прежде чем вы оплатите баланс.
Q3. Что ваши сроки поставок?
: EXW, ОБМАНЫВАЮТ, CFR, CIF, DDU.
Q4. Как о вашем сроке поставки?
: Вообще, он примет через 3 до 10 дня после получать вашу плату авансом. Специфический срок поставки зависит от деталей и количества вашего заказа.
Q5. Можете вы произвести согласно образцам?
: Да, мы можем произвести вашими образцами или техническими чертежами. Мы можем построить прессформы и приспособления.
Q6. Что ваша политика образца?
: Мы можем поставить образец если мы имеем готовые части в запасе, то но клиенты должны оплатить цену образца и курьер стоил.
Q7. Вы испытываете все ваши товары перед доставкой?
: Да, мы имеем тест 100% перед доставкой
Q8: Как вы делаете наше дело долгосрочное и хорошее отношение?
: 1. Мы держим хорошее качество и конкурентоспособная цена для обеспечения наших клиентов помогает;
2. Мы уважаем каждого клиента по мере того как наши друг и мы задушевно для того чтобы сделать дело и сделать друзей с ними, независимо от того, где они приходят от.