Случая металла RY AUPO 10A 15A 16A 250V серии BF-I BFX BF взрыватель протектора не перестановного термальный
Характер продукции
Продукт серии BF AUPO не-перестановный тип термальный взрыватель лепешки который предотвращает электроприборы от перегревать. Он имеет случай металла с материалом лепешки внутрь и смог быть использован в сильнотоковых цепях.
Серия BF включает: BF, BF-I, BFX, RY.
Преимущества
1. Уникальная технология формулы лепешки для обеспечения стабилизированной деятельности и высокой точности.
2. полная система управления качества продукции для обеспечения высоких последовательности и надежности продуктов.
3. дизайн кожуха металла, высокая чувствительность к повышению температуры.
4. применимый к перегревая защите под цепью 10A-16A.
Принцип деятельности
Когда температура окружающей среды поднимет к своей рабочей температуре, лепешка расплавит, и весну a можно выпустить для нажатия контакта звезды что никакой контакт со штырем, таким образом режа цепь постоянно.


Область применения
Продукты серии BF широко использованы для перегревать защиту бытовых приборов, как небольшие приборы бытовых приборов, холодильника, шайб, кухни и bathroom; автомобильные приборы и конторские машины, etc.
Аттестация продукта
Продукты серии BF соотвествуют теста безопасности IEC 60691 Ed 4,0 и GB/T 9816,2013, и много моделей аттестованы с UL, VDE, CCC, PSE, KC и другими утверждениями безопасности.
Взрыватель BF AUPO термальный


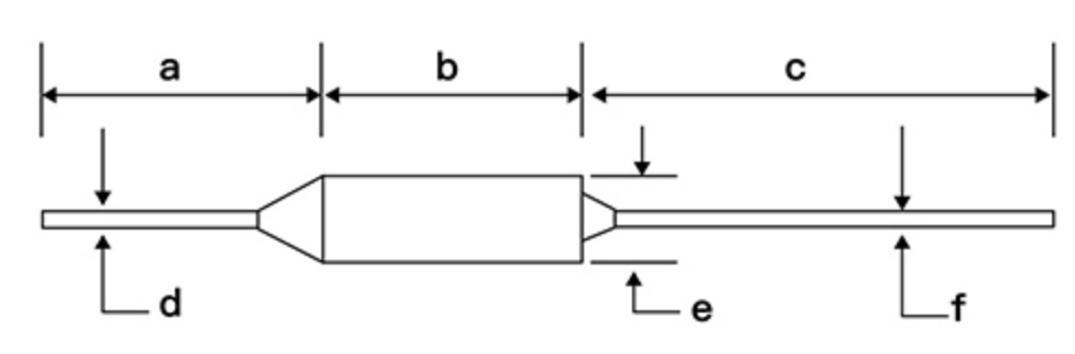
| Модель никакая | a | b | c | d | e | f |
| BF | 20±1.0 | 11±1.0 | 35±1.0 | Ф1.0±0.1 | Ф4.0±0.1 | Ф1.0±0.1 |
| Модель НЕТ. | Tf (℃) | Сплавляя- температура (℃) | Th (℃) | Tm (℃) | Инфракрасн (a) | Ur (v) | |
| IEC | Corp | ||||||
|
BF73 |
73 |
73+0/-10 |
70±2 |
58 |
200 |
10 |
250 |
|
BF77 |
77 |
77+0/-10 |
74±2 |
62 |
300 |
10 |
250 |
|
BF84 |
84 |
84+0/-10 |
82±2 |
69 |
300 |
10 |
250 |
|
BF94 |
94 |
94+0/-10 |
90±2 |
79 |
300 |
10 |
250 |
|
BF99 |
99 |
99+0/-10 |
95±2 |
84 |
300 |
10 |
250 |
|
BF104 |
104 |
104+0/-10 |
101+2/-3 |
90 |
210 |
10 |
250 |
|
BF113 |
113 |
113+0/-10 |
110±2 |
98 |
400 |
10 |
250 |
|
BF117 |
117 |
117+0/-10 |
114±2 |
102 |
400 |
10 |
250 |
|
BF121 |
121 |
121+0/-10 |
118±2 |
106 |
400 |
10 |
250 |
|
BF133 |
133 |
133+0/-10 |
131+2/-3 |
119 |
400 |
10 |
250 |
|
BF142 |
142 |
142+0/-10 |
138+2/-3 |
127 |
400 |
10 |
250 |
|
BF157 |
157 |
157+0/-10 |
155±2 |
142 |
400 |
10 |
250 |
|
BF172 |
172 |
172+0/-10 |
169+2/-3 |
157 |
400 |
10 |
250 |
|
BF184 |
184 |
184+0/-10 |
181±2 |
169 |
400 |
10 |
250 |
|
BF192 |
192 |
192+0/-10 |
189±2 |
177 |
400 |
10 |
250 |
|
BF216 |
216 |
216+0/-10 |
212±2 |
191 |
450 |
10 |
250 |
|
BF229 |
229 |
229+0/-10 |
226±2 |
201 |
450 |
10 |
250 |
|
BF240 |
240 |
240+0/-10 |
235±3 |
201 |
450 |
10 |
250 |
|
BF257 |
257 |
257+0/-10 |
254±2 |
200 |
470 |
10 |
250 |
|
Модель нет. |
UL/CUL |
VDE |
CCC |
PSE |
KTL |
| BF73 | E140847 | 40005418 | 2003010205052188 | JET0749-32001-1007 | SU05017-11001 |
| BF77 | JET0749-32001-1007 | SU05017-11001 | |||
| BF84 | JET0749-32001-1008 | SU05017-11001 | |||
| BF94 | JET0749-32001-1008 | SU05017-11001 | |||
| BF99 | JET0749-32001-1008 | SU05017-11001 | |||
| BF104 | JET0749-32001-1009 | SU05017-11002 | |||
| BF113 | JET0749-32001-1009 | SU05017-11002 | |||
| BF117 | JET0749-32001-1009 | SU05017-11002 | |||
| BF121 | JET0749-32001-1010 | SU05017-11003 | |||
| BF133 | JET0749-32001-1010 | SU05017-11003 | |||
| BF142 | JET0749-32001-1011 | SU05017-11003 | |||
| BF157 | JET0749-32001-1011 | SU05017-11003 | |||
| BF172 | JET0749-32001-1012 | SU05017-11004 | |||
| BF184 | JET0749-32001-1013 | SU05017-11004 | |||
| BF192 | JET0749-32001-1013 | SU05017-11004 | |||
| BF216 | JET0749-32001-1014 | SU05017-11005 | |||
| BF240 | JET0749-32001-1015 | SU05017-11005 | |||
| BF257 | ожидающий решения | ожидающий решения | ожидающий решения | ожидающий решения |
Взрыватель BF-I AUPO термальный


| Модель никакая | a | b | c | d | e | f |
| BF-I | 20±1.0 | 11±1.0 | 35±1.0 | Ф1.0±0.1 | Ф4.0±0.1 | Ф1.0±0.1 |
| Модель НЕТ. | Tf (℃) |
Сплавлять- Температура (℃) |
Th (℃) | Tm (℃) | Инфракрасн (a) | Ur (v) | |
| IEC | Corp | ||||||
| BF73-I | 73 | 63-73 | 70±2 | 58 | 200 | 15 | 125 |
| 16 | |||||||
| BF77-I | 77 | 67-77 | 74±2 | 62 | 300 | 15 | 125 |
| 16 | |||||||
| BF84-I | 84 | 74-84 | 82±2 | 69 | 300 | 15 | 125 |
| 16 | |||||||
| BF94-I | 94 | 84-94 | 90±2 | 79 | 300 | 15 | 125 |
| 16 | |||||||
| BF99-I | 99 | 89-99 | 95±2 | 84 | 300 | 15 | 125 |
| 16 | |||||||
| BF104-I | 104 | 94-104 | 101+2/-3 | 90 | 210 | 15 | 125 |
| 16 | |||||||
| BF113-I | 113 | 103-113 | 110±2 | 98 | 400 | 15 | 125 |
| 16 | |||||||
| BF117-I | 117 | 107-117 | 114±2 | 102 | 400 | 15 | 125 |
| 16 | |||||||
| BF121-I | 121 | 111-121 | 118±2 | 106 | 400 | 15 | 125 |
| 16 | |||||||
| BF133-I | 133 | 123-133 | 131+2/-3 | 119 | 400 | 15 | 125 |
| 16 | |||||||
| BF142-I | 142 | 132-142 | 138+2/-3 | 127 | 400 | 15 | 125 |
| 16 | |||||||
| BF157-I | 157 | 147-157 | 155±2 | 142 | 400 | 15 | 125 |
| 16 | |||||||
| BF172-I | 172 | 162-172 | 169+2/-3 | 157 | 400 | 15 | 125 |
| 16 | |||||||
| BF184-I | 184 | 174-184 | 181±2 | 169 | 400 | 15 | 125 |
| 16 | |||||||
| BF192-I | 192 | 182-192 | 189±2 | 177 | 400 | 15 | 125 |
| 16 | |||||||
| BF216-I | 216 | 206-216 | 212±2 | 191 | 450 | 15 | 125 |
| 16 | |||||||
| BF229-I | 229 | 219-229 | 226±2 | 201 | 450 | 15 | 125 |
| 16 | |||||||
| BF240-I | 240 | 230-240 | 235±3 | 201 | 450 | 15 | 125 |
| 16 | |||||||
| BF257-I | 257 | 247-257 | 254±2 | 200 | 470 | 15 | 125 |
| 16 | |||||||
| Модель нет. | UL/CUL | PSE |
| BF73-I | E140847 | JET0749-32001-1007 |
| BF77-I | JET0749-32001-1007 | |
| BF84-I | JET0749-32001-1008 | |
| BF94-I | JET0749-32001-1008 | |
| BF99-I | JET0749-32001-1008 | |
| BF104-I | JET0749-32001-1009 | |
| BF113-I | JET0749-32001-1009 | |
| BF117-I | JET0749-32001-1009 | |
| BF121-I | JET0749-32001-1010 | |
| BF133-I | JET0749-32001-1010 | |
| BF142-I | JET0749-32001-1011 | |
| BF157-I | JET0749-32001-1011 | |
| BF172-I | JET0749-32001-1012 | |
| BF184-I | JET0749-32001-1013 | |
| BF192-I | JET0749-32001-1013 | |
| BF216-I | JET0749-32001-1014 | |
| BF229-I | JET0749-32001-1015 | |
| BF240-I | JET0749-32001-1015 | |
| BF257-I | ○ | |
| ○ожидающий решения |
Взрыватель BFX AUPO термальный


| Модель никакая | a | b | c | d | e | f |
| BFX | 20±1.0 | 11±1.0 | 35±1.0 | Ф1.0±0.1 | Ф4.0±0.1 | Ф1.0±0.1 |
| Модель НЕТ. | Tf (℃) |
Сплавлять- Температура (℃) |
Th (℃) | Tm (℃) | Инфракрасн (a) | Ur (v) | |
| IEC | Corp | ||||||
| BF73X | 73 | 73+0/-10 | 70±2 | 58 | 200 | 16 | 250 |
| BF77X | 77 | 77+0/-10 | 74±2 | 62 | 300 | 16 | 250 |
| BF84X | 84 | 84+0/-10 | 82±2 | 69 | 300 | 16 | 250 |
| BF94X | 94 | 94+0/-10 | 90±2 | 79 | 300 | 16 | 250 |
| BF99X | 99 | 99+0/-10 | 95±2 | 84 | 300 | 16 | 250 |
| BF104X | 104 | 104+0/-10 | 101+2/-3 | 90 | 210 | 16 | 250 |
| BF113X | 113 | 113+0/-10 | 110±2 | 98 | 400 | 16 | 250 |
| BF117X | 117 | 117+0/-10 | 114±2 | 102 | 400 | 16 | 250 |
| BF121X | 121 | 121+0/-10 | 118±2 | 106 | 400 | 16 | 250 |
| BF133X | 133 | 133+0/-10 | 131+2/-3 | 119 | 400 | 16 | 250 |
| BF142X | 142 | 142+0/-10 | 138+2/-3 | 127 | 400 | 16 | 250 |
| BF157X | 157 | 157+0/-10 | 155±2 | 142 | 400 | 16 | 250 |
| BF172X | 172 | 172+0/-10 | 169+2/-3 | 157 | 400 | 16 | 250 |
| BF184X | 184 | 184+0/-10 | 181±2 | 169 | 400 | 16 | 250 |
| BF192X | 192 | 192+0/-10 | 189±2 | 177 | 400 | 16 | 250 |
| BF216X | 216 | 216+0/-10 | 212±2 | 191 | 450 | 16 | 250 |
| BF229X | 229 | 229+0/-10 | 226±2 | 201 | 450 | 16 | 250 |
| BF240X | 240 | 240+0/-10 | 235±3 | 201 | 450 | 16 | 250 |
| BF257X | 257 | 257+0/-10 | 254±2 | 200 | 470 | 16 | 250 |
| Модель нет. | UL/CUL | VDE | CCC |
| BF73X | E140847 | 40005418 | 2003010205052188 |
| BF77X | |||
| BF84X | |||
| BF94X | |||
| BF99X | |||
| BF104X | |||
| BF113X | |||
| BF117X | |||
| BF121X | |||
| BF133X | |||
| BF142X | |||
| BF157X | |||
| BF172X | |||
| BF184X | |||
| BF192X | |||
| BF216X | |||
| BF229X | |||
| BF240X | |||
| BF257X | ○ | ○ | |
| ○ожидающий решения |
Взрыватель RY AUPO термальный


| Модель никакая | a | b | c | d | e | f |
| RY | 20±1.0 | 11±1.0 | 35±1.0 | Ф1.0±0.1 | Ф4.0±0.1 | Ф1.0±0.1 |
| Модель НЕТ. | Tf (℃) | Сплавлять-offTemperature (℃) | Tm (℃) | Tm (℃) | Инфракрасн (a) | Ur (v) |
| RY73 | 73 | 73+0/-10 | 45 | 150 | 10 | 250 |
| RY77 | 77 | 77+0/-10 | 51 | 150 | 10 | 250 |
| RY84 | 84 | 84+0/-10 | 58 | 150 | 10 | 250 |
| RY94 | 94 | 94+0/-10 | 66 | 150 | 10 | 250 |
| RY99 | 99 | 99+0/-10 | 71 | 150 | 10 | 250 |
| RY104 | 104 | 104+0/-10 | 79 | 150 | 10 | 250 |
| RY113 | 113 | 113+0/-10 | 84 | 150 | 10 | 250 |
| RY117 | 117 | 117+0/-10 | 92 | 160 | 10 | 250 |
| RY121 | 121 | 121+0/-10 | 94 | 160 | 10 | 250 |
| RY133 | 133 | 133+0/-10 | 104 | 160 | 10 | 250 |
| RY142 | 142 | 142+0/-10 | 114 | 160 | 10 | 250 |
| RY157 | 157 | 157+0/-10 | 127 | 172 | 10 | 250 |
| RY172 | 172 | 172+0/-10 | 144 | 189 | 10 | 250 |
| RY184 | 184 | 184+0/-10 | 159 | 210 | 10 | 250 |
| RY192 | 192 | 192+0/-10 | 170 | 250 | 10 | 250 |
| RY216 | 216 | 216+0/-10 | 191 | 280 | 10 | 250 |
| RY229 | 229 | 229+0/-10 | 200 | 250 | 10 | 250 |
| RY240 | 240 | 240+0/-10 | 200 | 300 | 10 | 250 |
| RY257 | 257 | 257+0/-10 | 200 | 450 | 10 | 250 |
| Модель нет. | VDE | CCC |
|
RY73 |
40005418 |
2003010205052188 |
|
RY77 |
||
|
RY84 |
||
|
RY94 |
||
|
RY99 |
||
|
RY104 |
||
|
RY113 |
||
|
RY117 |
||
|
RY121 |
||
|
RY133 |
||
|
RY142 |
||
|
RY157 |
||
|
RY172 |
||
|
RY184 |
||
|
RY192 |
||
|
RY216 |
||
|
RY240 |
||
|
RY257 |
○ |
○ |
|
|
|
○ожидающий решения |
Детали контакта:
Andy с вами
Электронная почта: andy@tianrui-fuse.com.cn
MP/Whatsapp: +86 13532772961
Wechat: HFeng0805
Skype: andywutechrich
QQ: 969828363