1032 1031 LCD освещают тип контржурным светом взрыватели квадрата телекоммуникаций системы инвертора медленного дуновения быстрые действуя SMD
| ОБЪЕМ | ||||||||||||||||||||||
| ПК тетради | ТВ LCD/PDF | Панель LCD/PDP | Монитор LCD | |||||||||||||||||||
| LCD освещает инвертор контржурным светом | Портативный игрок DVE | Электропитание | Сеть | |||||||||||||||||||
| Сервер ПК | Система охлаждающего вентилятора | Система хранения | Система телекоммуникаций | |||||||||||||||||||
| Беспроводная базовая станция | Полотняные товары | Консоль игры | Автомобильный | |||||||||||||||||||
| Цепь зарядки аккумулятора | Автоматизация работы офиса | Промышленное оборудование | Медицинское оборудование | |||||||||||||||||||

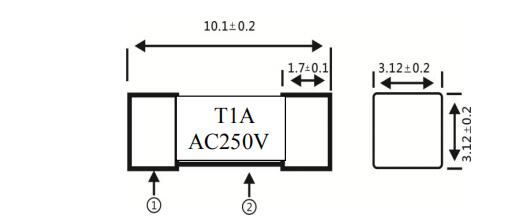
| НЕТ. | Компонент | Материал | Количество | ||||||||||||||||
| ① | Крышка | Серебряная покрытая латунь | 2 | ||||||||||||||||
| ② | Тело | Керамическая трубка | 1 | ||||||||||||||||
ХАРАКТЕРИСТИКИ ПРОДУКТА
| Нет. | Деталь | Содержите | Стандарт ссылки | ||||||||||||||||
| 1 | Сопротивление изоляции |
10 000 омов минимальный | MIL-STD-202G, тест ConditionA метода 302 | ||||||||||||||||
| 2 | Solderability |
T=235℃±5 ℃, t=5+0/-0.5s, Cover≧95% |
MIL-STD-202G, метод 208H | ||||||||||||||||
| 3 | Сопротивление к паяя жаре |
sec 10 на 260℃ | MIL-STD-202G, тест метода 210F Условие b |
||||||||||||||||
| 4 | Термальный удар |
5 циклов, -65℃ к 125℃, крайность @each 15minutes |
MIL-STD-202G, тест метода 107G Условие b |
||||||||||||||||
| 5 | Механический удар |
пик 100G's на 6 миллисекунд, 3 цикла | MIL-STD-202G, тест 1 метода 213B | ||||||||||||||||
| 6 | Вибрация |
0,03" амплитуда, 10-55 Hz в 1 минимальном 2hours каждое XYZ=6hours | MIL-STD-202G, метод 201A | ||||||||||||||||
| 7 | Сопротивление влаги |
10 циклов | MIL-STD-202G, метод 106G | ||||||||||||||||
| 8 | Брызги соли |
48hours | MIL-STD-202G, тест метода 101E Условие b |
||||||||||||||||
ЭЛЕКТРИЧЕСКИЕ ХАРАКТЕРИСТИКИ
| Оценка ампера | % оценки ампера | Раскрывая время | |||||||||||||
| 200 мам – 10A | 100% | 4 часа, MIN. | |||||||||||||
| 250% | 120s, максимальное. | ||||||||||||||

| Условие Reflow | Pb свободное от собрание | ||||||||||||
| Подогрев | - Ts температуры минимальные (минута) | 150℃ | |||||||||||
| - Ts температуры максимальные (человек) | 200℃ | ||||||||||||
| - Время Макс | 120 secs | ||||||||||||
| Паять | - Температура (TL) (Liquidus) | 260℃ | |||||||||||
| - Время Макс (TL) | 60 secs | ||||||||||||
| - Температура (TP) | Max260℃ | ||||||||||||
| - Время Макс (TP) | 10 secs | ||||||||||||


Материальные детали
| НЕТ. | Имя части | Материал |
| 1 | Элемент | Серебряный сплав. |
| 2 | Тело. | Тело |
| 3 | Крышка | Латунное покрытое золото |
Характеристика продукта
| Расклассифицированное течение | Расклассифицированное напряжение тока | Разрывная мощность | Безопасность Aproval | |||||||||||||||||||||||||
| UR | ||||||||||||||||||||||||||||
| 50mA | ● | |||||||||||||||||||||||||||
| 62mA | ● | |||||||||||||||||||||||||||
| 80mA | ● | |||||||||||||||||||||||||||
| 100mA | ● | |||||||||||||||||||||||||||
| 125mA | ● | |||||||||||||||||||||||||||
| 160mA | ● | |||||||||||||||||||||||||||
| 200mA | ● | |||||||||||||||||||||||||||
| 250mA | ● | |||||||||||||||||||||||||||
| 315mA | ● | |||||||||||||||||||||||||||
| 400mA | ● | |||||||||||||||||||||||||||
| 500mA | 100A@125V | ● | ||||||||||||||||||||||||||
| 630mA | 125V/250V /350 | 100A@250V | ● | |||||||||||||||||||||||||
| 800mA | V/400Vac | 50A@350V | ● | |||||||||||||||||||||||||
| 1.0A | 50A@400V | ● | ||||||||||||||||||||||||||
| 1.25A | ● | |||||||||||||||||||||||||||
| 1.6A | ● | |||||||||||||||||||||||||||
| 2.0A | ● | |||||||||||||||||||||||||||
| 2.5A | ● | |||||||||||||||||||||||||||
| 3.15A | ● | |||||||||||||||||||||||||||
| 4.0A | ● | |||||||||||||||||||||||||||
| 5.0A | ● | |||||||||||||||||||||||||||
| 6.3A | ● | |||||||||||||||||||||||||||
| 8.0A | ● | |||||||||||||||||||||||||||
| 10.0A | ● | |||||||||||||||||||||||||||
Раскрывая время
|
% оценки ампера
|
Раскрывая время (UL)
|
|
100%
|
T>4hours
|
|
250%
|
T<120s>
|

| Профиль Featuren |
Pb свободный от собрание |
|
Средний тариф пандуса-вверх (Tsmax к Tp) |
3 °C /sec максимальное. |
|
Подогрейте Ts температуры минимальные (минута) Ts Макс температуры (максимальные) Ts Макс температуры (максимальные) |
150°C 200°C 60-120 sec |
| Пиковая температура (Tp) | 250°C |
|
Время в пределах 5°C фактического пика Температура (Tp) |
sec 5 |
| Плавя время олова (TL) | 20sec~4Osec |
| Тариф пандуса-вниз | 6°C/sec максимальное. |
| Температура °Cto Time25 пиковая | 8minutes Макс |

Детали контакта:
Andy с вами
Электронная почта: andy@tianrui-fuse.com.cn
MP/Whatsapp: +86 13532772961
Wechat: HFeng0805
Skype: andywutechrich
QQ: 969828363