Тип медленные взрыватели Chipe 1206 электронных блоков миниатюрный держателя отставания по времени SMD отставания по времени дуновения поверхностные
| Расклассифицированное течение | % AmpRating | Раскрывая время | ||||||||||||||||||||||||||||||||||
| 250mA~10A | 100% | 4hours, минута | ||||||||||||||||||||||||||||||||||
| 1A~3A | 200% | 1.0s - 60 s | ||||||||||||||||||||||||||||||||||
| 1A~5A | 250% | 5.0s максимальное | ||||||||||||||||||||||||||||||||||
| 1A~5A | 300% | 0.1s - 3,0 s | ||||||||||||||||||||||||||||||||||
| 250mA~750mA | 350% | 5.0s максимальное | ||||||||||||||||||||||||||||||||||
| 6A~10A | 350% | 5.0s максимальное | ||||||||||||||||||||||||||||||||||
| 250mA~10A | 1000% | 0.2ms - госпожа 20,0 | ||||||||||||||||||||||||||||||||||
| Номер детали. | Расклассифицированное напряжение тока | Расклассифицированное течение | Разрывная мощность | Типичное холодное ² сопротивления (mOhms) | Типичное падение напряжения тока (mV) | Типичный Пре-образовывающ дугу я ² t (³ Sec ² a) |
Маркировка | |||||||||||||||||||||||||||||||||||||||||||||||||||||||||||||||
| 12.100.0.25 |
72Vdc 125Vdc |
63Vdc |
32Vdc 24Vdc |
250mA |
100A@ 72Vdc 125 Vdc |
100A@ 63Vdc |
100A@ 32Vdc 300A@ 24Vdc |
3700 | 1350 | 0,00038 | Я | |||||||||||||||||||||||||||||||||||||||||||||||||||||||||||
| 12.100.0.375 | 375mA | 1850 | 720 | 0,00077 | E | |||||||||||||||||||||||||||||||||||||||||||||||||||||||||||||||||
| 12.100.0.5 | 500mA | 1050 | 690 | 0,0019 | B | |||||||||||||||||||||||||||||||||||||||||||||||||||||||||||||||||
| 12.100.0.75 | 750mA | 775 | 680 | 0,15 | C | |||||||||||||||||||||||||||||||||||||||||||||||||||||||||||||||||
| 12.100.1 | 1A | 485 | 550 | 0,18 | H | |||||||||||||||||||||||||||||||||||||||||||||||||||||||||||||||||
| 12.100.1.5 | 1.5A | 218 | 355 | 0,4 | K | |||||||||||||||||||||||||||||||||||||||||||||||||||||||||||||||||
| 12.100.2 | 2A | 133 | 310 | 1,1 | N | |||||||||||||||||||||||||||||||||||||||||||||||||||||||||||||||||
| 12.100.2.5 | 2.5A | 79 | 230 | 1,7 | O | |||||||||||||||||||||||||||||||||||||||||||||||||||||||||||||||||
| 12.100.3 | 3A | 49 | 185 | 2,2 | P | |||||||||||||||||||||||||||||||||||||||||||||||||||||||||||||||||
| 12.100.3.5 | 3.5A | - | 37 | 175 | 2,7 | R | ||||||||||||||||||||||||||||||||||||||||||||||||||||||||||||||||
| 12.100.4 | 4A | 33 | 160 | 3,2 | S | |||||||||||||||||||||||||||||||||||||||||||||||||||||||||||||||||
| 12.100.4.5 | 4.5A | 28 | 150 | 4,2 | X | |||||||||||||||||||||||||||||||||||||||||||||||||||||||||||||||||
| 12.100.5 | 5A | 22 | 135 | 6 | T | |||||||||||||||||||||||||||||||||||||||||||||||||||||||||||||||||
| 12.100.6 | - | 6A | - | 15,5 | 140 | 12 | F | |||||||||||||||||||||||||||||||||||||||||||||||||||||||||||||||
| 12.100.7 | 7A | 11,5 | 120 | 18 | J | |||||||||||||||||||||||||||||||||||||||||||||||||||||||||||||||||
| 12.100.8 | 8A | 8,0 | 100 | 18 | V | |||||||||||||||||||||||||||||||||||||||||||||||||||||||||||||||||
| 12.100.10 | 10A | 7,0 | 90 | 30 | U | |||||||||||||||||||||||||||||||||||||||||||||||||||||||||||||||||
Описание
1206 МЕДЛЕННЫЙ ВЗРЫВАТЕЛЬ ДУНОВЕНИЯ SMD
12,100 серии взрыватели установили индустриальный стандарт для представления, надежности
и качество. Свободный от припо дизайн обеспечивает превосходное включеный-выключеное и температуру
задействовать характеристики во время пользы и также делает наше SMD сплавляет больше жары и
удар терпимый чем типичные subminiature взрыватели.
Особенности
Быстрый перерыв чрезмерного течения
Совместимый с reflow и припоем волны
Керамическая и стеклянная конструкция
Одно разъединение времени положительное
Материал неэтилированного и галоида свободный
Applicatons
Вторичная защита сети
Ноутбук, тетрадь, netbook
Плоские экраны
Телевидение высокой четкости (HDTV)
LCD/LED освещая компьютеры и peripherals контржурным светом
Системы консоли игры
Handheld/портативное оборудование
Обязанности мобильного устройства
Автомобильный
Отсек управления директивного органа
Нагревая вентиляция и кондиционирование воздуха
Двери, подъем окна и управление места
Группа цифровой аппаратуры
развлекательно-информационная передача и навигация В-корабля
Электрические насосы, управление мотора
Отсек управления Powertrain (PCU) /Engine
Блок управления Transimission (TCU)

| Re условие ow fl | Pb свободное от собрание | ||||||||||||||||||||||||||||||||||||||
| Pre жара | - Минута температуры (Ts (минута)) | 150℃ | |||||||||||||||||||||||||||||||||||||
| - Температура Макс (Ts (максимальные)) | 200℃ | ||||||||||||||||||||||||||||||||||||||
| - Время (минута к Макс) (ts) | 60 до 120 секунд | ||||||||||||||||||||||||||||||||||||||
| Средний тариф пандуса-вверх (Temp Liquidus (TL) выступить) |
3℃/second максимальное. | ||||||||||||||||||||||||||||||||||||||
| TS (максимальные) к TL - тарифу пандуса-вверх | 5℃/second максимальное. | ||||||||||||||||||||||||||||||||||||||
| Re ow fl | - Температура (TL) (Liquidus) - Температура (tL) |
217℃ 60 до 150 секунд |
|||||||||||||||||||||||||||||||||||||
| Пиковая температура (TP) | 260+0/-5℃ | ||||||||||||||||||||||||||||||||||||||
| Время в пределах 5°C фактической пиковой температуры (tp) | 30 секунд | ||||||||||||||||||||||||||||||||||||||
| Тариф пандуса-вниз Время 25°C выступить температуру (TP) Не превысьте |
6°C/second максимальное 8 минут максимальное 260°C |
||||||||||||||||||||||||||||||||||||||

| Материалы | Тело: Керамический Terminatons: Серебр сверх-покрыл с оловом Элемент: Сплав (Ag, Cu, Zn) Пальто крышки: Стекло |
|||||||||||||||||||||||||||||||||||||||||
| Температура Operatng | -55°C к 125°C Советуйте с диаграммой кривой температуры rerating. |
|||||||||||||||||||||||||||||||||||||||||
| Термальный удар | 300 циклов -55°C к 125°C | |||||||||||||||||||||||||||||||||||||||||
| Влажность | MIL-STD-202F, метод 103B, условие d | |||||||||||||||||||||||||||||||||||||||||
| Vibraton | В MIL-STD-202F, метод 201A | |||||||||||||||||||||||||||||||||||||||||
| Сопротивление Insulaton (отверстие Afer) | Больше чем 10 000 омов | |||||||||||||||||||||||||||||||||||||||||
| Сопротивление к паяя жаре | MIL-STD-202G, метод 210F, условие d | |||||||||||||||||||||||||||||||||||||||||


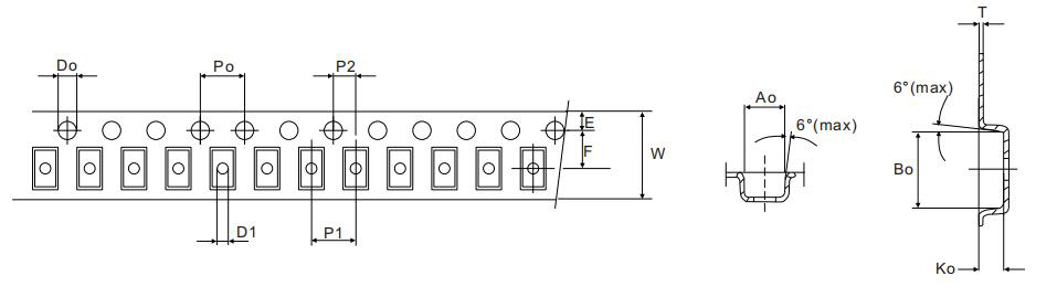
| Символ | Ao | Bo | Ko | Po | P1 | P2 | ||||||||||||||||||||||||||||||||||||||||||||||||||||||||||||||
| Спецификации | 1.80±0.10 | 3.50±0.10 | 1.27±0.10 | 4.00±0.10 | 4.00±0.10 | 2.00±0.10 | ||||||||||||||||||||||||||||||||||||||||||||||||||||||||||||||
| Символ | E | F | Сделайте | D1 | W | T | ||||||||||||||||||||||||||||||||||||||||||||||||||||||||||||||
| Спецификации | 1.75±0.10 | 3.50±0.10 | 1.50±0.10 | 1,00 (Макс) | 8.00±0.10 | 0.23±0.02 | ||||||||||||||||||||||||||||||||||||||||||||||||||||||||||||||

Детали контакта:
Andy с вами
Электронная почта: andy@tianrui-fuse.com.cn
MP/Whatsapp: +86 13532772961
Wechat: HFeng0805
Skype: andywutechrich
QQ: 969828363