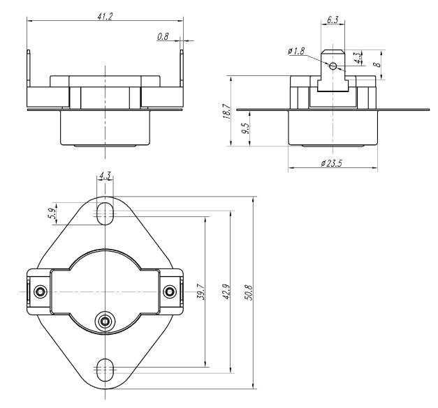
Автоматического возврата в исходное положение KSD314 термостат диска большого большого настоящего 25A биметаллический для стиральной машины
Термостат кнопк-действия серии KSD314 вид герметически закрытого биметаллического термального протектора (3/4" диск). Работающ под активной нагрузкой, он имеет высокую нагружая емкость, и свое максимальное течение смогло достигнуть 45A. Эта серия соответствующая для приборов высоко-обязанности электрических как контроль температуры или перегревает защиту.
Термостат KSD314 разделен в 6 подводн-серий согласно различным структурам и применения, они KSD314-V, KSD314-Q, KSD314-R, KSD314-U, KSD314-T и KSD314-F.
| Расклассифицированные напряжение тока и течение активная нагрузка) |
AC 250 A V/45 | |||||
| Контакты | SPST, автоматическ-возврат SPST, возврат вручную SPST, ДЕРН (одна съемка, переустановленный temp.<-35> DPST, возврат вручную SPST, падение к НА температуре и выключение переустановить после отрезка вне |
|||||
| Рабочая температура | : c (открытый) |
НА: c (конец) |
||||
| Материал основания | феноловая смола | керамический | ||||
| Материал воспринимать крышку | алюминий | латунь | нержавеющая сталь | |||
Материал терминала |
никель покрыл латунное латунь |
полуженная латунь сталь |
||||
| Сопротивление изоляции | Больше чем 10M (с megger DC 500V) | |||||
| Диэлектрическая прочность | AC 1500V 50Hz настоящий, на одна минута как носить тест. Не привело никакое нервное расстройство, никакой flashover. | |||||
| Максимальная температура окружающей среды | 100℃ | 140℃ | 185℃ | 205℃ | ||
| 220℃ | 245℃ | 320℃ | ||||
| Жизненные циклы | 6 000 | 10 000 | 30 000 | 60 000 | 100 000 | |
Одобренный |
CQC | UL | cUL | TUV | VDE | |
| Отмечать серия нет. | KSD314 | |||||
| Метод маркировки | Маркировка лазера или впечатление инструмента | |||||
Технический параметр Подводн-серий
| Подводн-серии | Тип действия | Структура переключателя | Оценка | Максимальное OT | Жизненные циклы |
| KSD314-V | Автоматический возврат в исходное положение |
SPST, нормальный конец или нормальный раскройте |
250V 45A 125V 45A |
140°C | 10 000 |
|
250V 25A 125V 25A |
180°C | 100 000 | |||
| KSD314-Q |
Двойная температура автоматический возврат в исходное положение |
SPST, нормальный конец |
250V 45A 125V 45A |
140°C | 10 000 |
|
250V 25A 125V 25A |
180°C | 100 000 | |||
| KSD314-R | Возврат вручную | SPST, нормальный конец |
250V 45A 125V 45A |
140°C | 10 000 |
| KSD314-U | Один снятый тип | SPST, нормальный конец |
250V 45A 125V 45A |
140°C | 100 000 |
| KSD314-T |
Электрическое владение собственной личности (Напряжение тока поддерживать тип) |
SPST, нормальный конец |
250V 45A 125V 45A |
140°C | 10 000 |
|
250V 25A 125V 25A |
180°C | 10 000 | |||
| KSD314-Q | Автоматический возврат в исходное положение | SPDT |
250V 25A 125V 25A |
180°C | 100 000 |
Сопротивление между терминалами: Под mΩ 50
| Максимальная температура различного OT | |||
| OT≤50 | OT: 51~100 | OT: 101~145 | OT: 146~180 |
| 100 (L) 130 (S) | 140 (L) 170 (S) | 185 (L) 215 (S) | 205 (L) 235 (S) |

Установка и направление для пользы
Метод земли: Посредством чашки металла термостата соединенной в части зарывая металла.
Термостат должен работать в окружающей среде с влажностью более не высокой чем 90%, освобождают каустического, огнеопасного газа и проводя пыли.
Когда термостат использован для того чтобы воспринять температуру твердых деталей, своя крышка должна быть прильнута к нагревая части таких деталей. Между тем, жар-проводя тавот кремния, или другие средства массовой информации жары подобной природы, должны быть приложены к поверхности крышки.
Если термостат использован для того чтобы воспринять температуру жидкостей или пара, то сильно порекомендованы, что принимает версию с нержавеющей-steeled чашкой. Кроме того, осторожные измерения должны быть приняты для предотвращения жидкостей получая в/на части изоляции термостата.
Верхнюю часть чашки необходимо отжать для того чтобы утонуть, избежать отрицательного влияния на чувствительности температуры термостата или своих других функциях.
Жидкости необходимо держать из части термостата внутренней! Основание падкий любая сила которая смогла привести для того чтобы треснуть; оно должен быть сдержан ясно и далеко от загрязнения электрического вещества для предотвращения изоляции ослабляя что руководства к закороченным повреждениям.
Терминалы должны быть согнуты, или еще, будет повлияна на надежность электрического соединения.
Детали контакта:
Andy с вами
Электронная почта: andy@tianrui-fuse.com.cn
MP/Whatsapp: +86 13532772961
Wechat: HFeng0805
Skype: andywutechrich
QQ: 969828363