MF72 тип термистор силы Inrush ома коэффициента температуры 5K недостатка эпоксидной смолы 5D 11 10K настоящий ограничиваясь NTC
Особенности MF72 приводят тип в действие термистор NTC
Серия 1.MF72 радиальный тип покрытия смолы руководства
размер 2.Small, большая сила и сильная способность подавить течение пульсации
ответ 3.Quick
константа материала 4.The (значение b) большая и issmall остаточного сопротивления
жизнь 5.Long и высокая надежность
технические характеристики изделия 6.Completed и широкий объем работы
температура 7.Working: - 55+200 градусов elsius
Принцип выбора типа термистора силы NTC
1. Максимальное работая течение термального resistor> работая течение цепи действующей мощности
2. Номинальное значение сопротивления термистора

E: линейное напряжение Im: inrush настоящий
Для силы переключателя, инвертор настоящий, течение силы lm=100times usb работая
Применения термистора Inrush настоящего ограничиваясь NTC
◎Электропитание Coversion, сила переключателя, поднимает силу
◎Электронные энергосберегающие лампы, электронный балласт и все виды электронагревателя
◎Все виды RT, дисплея
◎Шарик и другие освещая лампы


| P/N | Расклассифицированное значение R25 сопротивления | Максимальное номинальное течение | Приблизительное значение сопротивления при максимальном настоящее | Коэффициент энергопотерь |
Термальная константа времени |
Рабочая температура | Рабочая температура | |||||||||
| (Ω) | (A) | (Ω) | (mW/℃) | (S) | (℃) | 土 2 d | Tmax | 土 1 f | φd | |||||||
| MF72-5D5 | 5 | 1 | 0,353 | 6 | 20 | -55--+200 | 6,5 | 5 | 5/2.5 | 0.6/0.45 | ||||||
| MF72-10D5 | 10 | 0,7 | 0,771 | 6 | 20 | 6,5 | 5 | 5/2.5 | 0.6/0.45 | |||||||
| MF72-60D5 | 60 | 0,5 | 1,878 | 6 | 18 | 6,5 | 5 | 5/2.5 | 0.6/0.45 | |||||||
| MF72-200D5 | 200 | 0,1 | 6,259 | 6 | 18 | 6,5 | 5 | 5/2.5 | 0.6/0.45 | |||||||
| MF72-5D7 | 5 | 2 | 0,283 | 10 | 30 | 8,5 | 5 | 5 | 0,6 | |||||||
| MF72-80 7 | 8 | 1 | 0,539 | 9 | 28 | 8,5 | 5 | 5 | 0,6 | |||||||
| MF72-10D7 | 10 | 1 | 0,616 | 9 | 27 | 8,5 | 5 | 5 | 0,6 | |||||||
| MF72-22D7 | 22 | 0,6 | 1,108 | 9 | 27 | 8,5 | 5 | 5 | 0,6 | |||||||
| MF72-33D7 | 33 | 0,5 | 1,485 | 10 | 28 | 8,5 | 5 | 5 | 0,6 | |||||||
| MF72-200D7 | 200 | 0,2 | 6,233 | 11 | 28 | 8,5 | 5 | 5 | 0,6 | |||||||
| MF72-3D9 | 3 | 4 | 0,120 | 11 | 35 | 10,5 | 5,5 | 7.5/5 | 0.8/0.6 | |||||||
| MF72-509 | 5 | 3 | 0,210 | 11 | 34 | 10,5 | 5,5 | 7.5/5 | 0.8/0.6 | |||||||
| MF72-8D9 | 8 | 2 | 0,400 | 11 | 32 | 10,5 | 5,5 | 7.5/5 | 0.8/0.6 | |||||||
| MF72-10D9 | 10 | 2 | 0,458 | 11 | 32 | 10,5 | 5,5 | 7.5/5 | 0.8/0.6 | |||||||
| MF72-16D9 | 16 | 1 | 0,802 | 11 | 31 | 10,5 | 5,5 | 7.5/5 | 0.8/0.6 | |||||||
| MF72-20D9 | 20 | 1 | 0,864 | 11 | 30 | 10,5 | 5,5 | 7.5/5 | 0.8/0.6 | |||||||
| MF72-22D9 | 22 | 1 | 0,950 | 11 | 30 | 10,5 | 5,5 | 7.5/5 | 0.8/0.6 | |||||||
| Mf72-33D9 | 33 | 1 | I1.124 | 11 | 30 | 10,5 | 5,5 | 7.5/5 | 0.8/0.6 | |||||||
| MF72-60D9 | 60 | 0,8 | 1,502 | 11 | 30 | 10,5 | 5,5 | 7.5/5 | 0.8/0.6 | |||||||
| MF72-200D9 | 200 | 0,5 | 5,007 | 11 | 32 | 10,5 | 5,5 | 7.5/5 | 0.8/0.6 | |||||||
| MF72-2.5D11 | 25 | 5 | 0,095 | 13 | 43 | 12,5 | 5,5 | 7.5/5 | 0.8/0.6 | |||||||
| MF72-5D11 | 5 | 4 | 0,156 | 13 | 45 | 12,5 | 5,5 | 7.5/5 | 0.8/0.6 | |||||||
| MF72-8D11 | 8 | 3 | 0,255 | 14 | 47 | 12,5 | 5,5 | 7.5/5 | 0.8/0.6 | |||||||
| MF72-10D11 | 10 | 3 | 0,275 | 14 | 47 | 12,5 | 5,5 | 7.5/5 | 0.8/0.6 | |||||||
| MF72-16D11 | 16 | 2 | 0,470 | 14 | 50 | 12,5 | 5,5 | 7.5/5 | 0.8/0.6 | |||||||
| MF72-22D11 | 22 | 2 | 0,563 | 15 | 52 | 12,5 | 5,5 | 7.5/5 | 0.8/0.6 | |||||||
| MF72-33D11 | 33 | 1,5 | 0,734 | 15 | 52 | 12,5 | 5,5 | 7.5/5 | 0.8/0.6 | |||||||
| MF72-60D11 | 60 | 1,5 | 1,215 | 15 | 52 | 12,5 | 5,5 | 7.5/5 | 0.8/0.6 | |||||||
| MF72 -1.3D13 | 1,3 | 7 | 0,062 | 13 | 60 | 14,5 | 6 | 7,5 | 0,8 | |||||||
| MF72-1.5D13 | 1,5 | 7 | 0,073 | 13 | 60 | 14,5 | 6 | 7,5 | 0,8 | |||||||
| MF72-2.5D13 | 2,5 | 6 | 0,088 | 13 | 60 | 14,5 | 6 | 7,5 | 0,8 | |||||||
| MF72-3D13 | 3 | 6 | 0,092 | 14 | 60 | 14,5 | 6 | 7,5 | 0,8 | |||||||
| MF72-5D13 | 5 | 5 | 0,125 | 15 | 68 | 14,5 | 6 | 7,5 | 0,8 | |||||||
| Mf 72-8013 | 8 | 4 | 0,194 | 15 | 60 | 14,5 | 6 | 7,5 | 0,8 | |||||||
| MF72-10D13 | 10 | 4 | 0,206 | 15 | 65 | 14,5 | 6 | 7,5 | 0,8 | |||||||
| MF72-15D13 | 15 | 3 | 0,335 | 16 | 60 | 14,5 | 6 | 7,5 | 0,8 | |||||||
| MF72-16D13 | 16 | 3 | 0,338 | 16 | 60 | 14.S | 6 | 7,5 | 0,8 | |||||||
| MF72-47D13 | 47 | 2 | 0,810 | 17 | 65 | 14.S | 6 | 7,5 | 0,8 | |||||||
| MF72-1.3D15 | 1,3 | 8 | 0,048 | 18 | 68 | 16,5 | 6 | 10/7.5 | 0,8 | |||||||
| MF72-1.5D15 | 1,5 | 8 | 0,052 | 19 | 69 | 16,5 | 6 | 10/7.5 | 0,8 | |||||||
| MF72-3D15 | 3 | 7 | 0,075 | 18 | 76 | 16,5 | 6 | 10/7.5 | 0,8 | |||||||
| MF72-5D15 | 5 | 6 | 0,112 | 20 | 76 | 16,5 | 6 | 10/7.5 | 0,8 | |||||||
| MF72-8015 | 8 | 5 | 0,178 | 20 | 80 | 16,5 | 6 | 10/7.5 | 0,8 | |||||||
| MF72-10D15 | 10 | 5 | 0,180 | 20 | 75 | 16,5 | 6 | 10/7.5 | 0,8 | |||||||
| MF72-15D15 | 15 | 4 | 0,268 | 21 | 85 | 16,5 | 6 | 10/7.5 | 0,8 | |||||||
| MF72-16D15 | 16 | 4 | 0,276 | 21 | 70 | 16,5 | 6 | 10/7.5 | 0,8 | |||||||
| MF72-47D15 | 47 | 3 | 0,680 | 21 | 86 | 16,5 | 6 | 10/7.5 | 0,8 | |||||||
| MF72-0.7D20 |
0,7 |
12 | 0,018 | 25 | 89 | 21,5 | 7 | 10/7.5 | 1,0 | |||||||
| MF72-1.3D20 | 1,3 | 9 | 0,037 | 24 | 88 | 21,5 | 7 | 10/7.5 | 1,0 | |||||||
| MF72-3D20 | 3 | 8 | 0,055 | 24 | 88 | 21,5 | 7 | 10/7.5 | 1,0 | |||||||
| MF72-5D20 | 5 | 7 | 0,087 | 23 | 87 | 21,5 | 7 | 10/7.5 | 1,0 | |||||||
| MF72-8D20 | 8 | 6 | 0,142 | 25 | 105 | 21,5 | 7 | 10/7.5 | 1,0 | |||||||
| MF72-0.7D25 | 0,7 | 13 | 0,014 | 30 | 120 | 26,5 | 8 | 10 | 1,0 | |||||||
| MF72-1.5D25 | 1,5 | 10 | 0,027 | 30 | 121 | 26,5 | 8 | 10 | 1,0 | |||||||
| MF72-3D25 | 3 | 9 | 0,044 | 32 | 124 | 26,5 | 8 | 10 | 1,0 | |||||||
| MF72-5D25 | 5 | 8 | 0,070 | 32 | 125 | 26,5 | 8 | 10 | 1,0 | |||||||
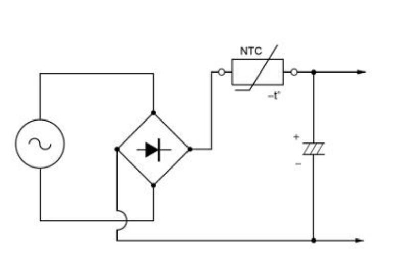
Цепь применения термистора ома NTC 5K 10K


Детали контакта:
Andy с вами
Электронная почта: andy@tianrui-fuse.com.cn
Телефон/Whatsapp: +86 13532772961
Wechat: HFeng0805
Skype: andywutechrich
QQ: 969828363