Защитник от тепловой перегрузки KSD309-A Нормальный плоский квадратный керамический биметаллический термостат 10A 280C
Биметаллический термостат типа KSD309 с двойным временным режимом Комбинация двух термостатов SPST-структуры KSD309-A и KSD309-U.имеет функции контроля температуры и защиты от перегрева.

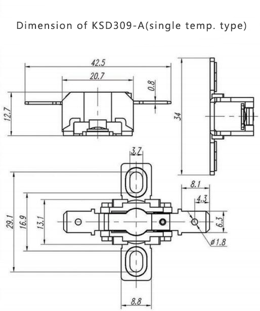
Спецификация термостата KSD309-A KSD309
| Номинальный ток | 10, 16А ((резистивный) |
| Сопротивление между терминалами | Ниже 80 м Q (цифровой m Q & mV метр, в вольт-ампер-стандарте) |
| Сопротивление изоляции | С меггером постоянного тока 500 В, находящимся на постоянном токе 500 В, испытанное значение превышает 100 М Q |
| Класс температурных характеристик | KSD309-A: нормальное закрытие с автоматическим сбросом. |
| KSD309 -C: Нормальное закрытие с автоматическим перезагрузкой и одноразовым закрытием (часть, ограничивающая температуру), состоящая из серии KSD309-A и серии KSD309-U | |
| Структура переключателя | SPST |
| Макс. | 280C |
| Термостойкая температура | 320C |
ПреимуществаKSD309-A KSD309 Автоматическое перезагрузка термостата
Высокая долговечность. Никаких сбоев, никаких перебоев.
Каждый продукт будет проверен, чрезвычайно высокая температура прохождения.
Высокая точность.
Устойчивость к высоким температурам
Сборка контроля температуры и защиты в одном изделии.




Рисунок высокотемпературного термостата KSD309-A KSD309


Температура 250C 280C KSD309 KSD309-A Термостат
| Диапазон ОТ | Общая разница. | Минимальное различие. |
| 151 ~ 220°C | 25°C | 14°C |
| 221 ~ 240°C | 30°C | 20°С |
| 241~280°C | 35°С | 25°C |
| Диапазон ОТ | Общая разница. | Предпочтительная толерантность | Предел допустимого допустимого |
| 151 ~ 180°C | 士4°C | 士3,5°C | 士3°C |
| 181 ~ 220°C | 士5°C | 士4°C | 士3,5°C |
| 221 ~ 240°C | 士6°C | 士6°C | 士4,5°C |
| 241 ~ 280°C | 士7°C | 士6°C | 士5,5°C |
Сертификат безопасностиКерамический корпус биметаллический термостат KSD309-A
| Подсерии | Диапазон OT | Жизненные циклы | L250V 10A | 125В 16А | 250В 16А | |
| KSD309-A | 60~180°C | 100,000 | VDE: 40044740 | |||
| 60-210°С |
CQC: 14002120139 |
|||||
| 60-280°С | 60.000 | UL:E137238sec.12 | UL:E137238 Sec.12 | |||
| 60.000 | VDE: 40044740 | |||||
| 210-280°С | CQC: 14002120139 | |||||
| 60~180°C | CQC: 14002120139 | VDE: 40044740 | ||||
| 60~210°C |
CQC: 14002120139 |
|||||
| KSD309-U | 40 ~ 250°C | 1 (SOD) | VDE: 40043188 | |||
| 40~280°C | UL:E137238 Sec.12 |
VDE: 40043188 |
||||
| KSD309-C | KSD309-A ((Температурный контроль) | Серия KSD309-A | ТУВ:50357322 | UL:E137238 |
VDE: |
|
| KSD309-U ((Ограничение времени) | Серия KSD309-U | VDE: | Сек.12 | UL:E137238 Sec.12 | ||

Контактные данные:
Энди Ву
Электронная почта:иди@tianrui-fuse.com.cn
MP/Whatsapp: +86 13532772961
Wechat: HFeng0805
Скайп:
QQ: 969828363