взрыватель стеклянной лампы 5x20 5.2x20 со стеклом отрезков провода сплавляет вырез осевой освинцованной трубки плавкий с подводящим проводом
Описание
| Деталь | Стеклянный взрыватель |
| Стандарт | UL |
| Тип дуновения | быстрый действовать, медленное дуновение |
| Материал тела | стекло |
| Материал руководств | залуживанная медь |
| Материал крышки | никель покрыл латунное |
| Оценка напряжения тока | 250V 125V |
| Настоящая оценка | 0.1A~20A |
| Устанавливать тип | осевое освинцованное |
| Разрывная мощность | 35A 100A 200A 10KA |
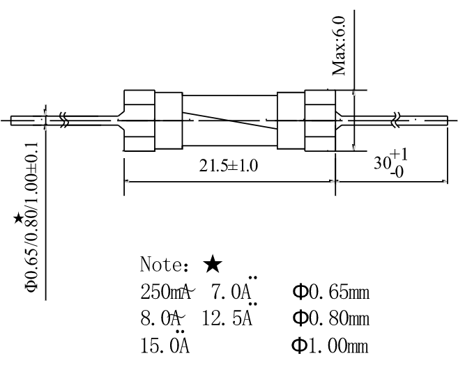
| Размер | 5.2x20 mm |
| Аттестации | VDE CCC UL CUL |
| Применения | бытовая техника, электропитание, радиосвязь, уничтожая электроника |
Рабочая температура: -55℃ к +125℃ (рассматривайте de-rating)
Хранят состояние: на температуре +10℃~60℃, ≤ 75% относительной влажности.
Порекомендованные паяя параметры: Паяя температура бака: 260℃ Макс; Припой обитает время: 2∼5s
Сопротивление к паяя жаре: 260℃, 10s. (Волна); 350℃, 5s. (Паяя утюг)
Solderability: 260℃, ≤ 3s. (Волна); 350±10℃, ≤ 3s. (Паяя утюг)
Дуя время
Быстрое дуновение
| Время против настоящих характеристик: IEC 60127 | ||||
| Расклассифицированное течение | 210% | 275% | 400% | 1000% |
| Дуя время | <30min> | 50ms~2s | 10ms~400ms | <40ms> |
| Время против настоящих характеристик: UL248-1/14 | |||
| Расклассифицированное течение | 100% | 135% | 200% |
| Дуя время | >4hs | <1h> | <5s> |
Задержка по времени
| Время против настоящих характеристик: IEC 60127 | ||||
| Расклассифицированное течение | 210% | 275% | 400% | 1000% |
| Дуя время | <30min> | 600ms~15s | 150ms~5s | 20ms~40ms |
| Время против настоящих характеристик: UL248-1/14 | |||
| Расклассифицированное течение | 100% | 135% | 200% |
| Дуя время | >4hs | <1h> | <120s> |
TDS взрывателя FBC 5.2x20 стеклянного с отрезками провода

UL разрывной мощности аттестовал
| Amps (a) | Вольты (v) | Прерывая оценка (a) |
| 0.2 - 0,25 | ac 125V | 10000 |
| 0.3 - 2 | ac 125V | 10000 |
| 2.5 - 10 | ac 125V | 10000 |
| 0.2 - 0,25 | ac 250V | 35 |
| 0.3 - 1 | ac 250V | 35 |
| 1.25 - 2 | ac 250V | 100 |
| 2.5 - 3,15 | ac 250V | 100 |
| 4 - 10 | ac 250V | 200 |
Популярные оценки
|
Amp Код |
Расклассифицированный Настоящий |
Расклассифицированный Напряжение тока |
Напряжение тока Падение Макс (mV) |
Max.Power Диссипация (w) |
Типичное холодное Сопротивление (mΩ) |
Номинальный Плавить I2t (A2sec) |
Ломать Емкость |
Утверждения | ||||
| cURus | CQC | VDE | PSE | CCC | ||||||||
| 0250 | 250mA | AC 125V AC 250V |
1400 | 1,6 | 570 | 0,026 | AC 10KA/125V AC 100A/250V |
● | ○ | ○ | ○ | ○ |
| 0315 | 315mA | 1300 | 1,6 | 860 | 0,109 | ● | ○ | ● | ○ | ● | ||
| 0400 | 400mA | 1200 | 1,6 | 540 | 0,240 | ● | ○ | ○ | ○ | ● | ||
| 0500 | 500mA | 1000 | 1,6 | 220 | 0,168 | ● | ○ | ● | ○ | ● | ||
| 0630 | 630mA | 650 | 1,6 | 285 | 0,723 | ● | ○ | ● | ○ | ● | ||
| 0800 | 800mA | 240 | 1,6 | 120 | 0,757 | ● | ○ | ● | ○ | ● | ||
| 1100 | 1.00A | 200 | 1,6 | 101 | 1,64 | ● | ○ | ● | ● | ● | ||
| 1125 | 1.25A | 200 | 1,6 | 65,0 | 2,56 | ● | ○ | ● | ● | ● | ||
| 1150 | 1.50A | 190 | 1,6 | 51,47 | 3,76 | ● | ○ | ○ | ○ | ○ | ||
| 1160 | 1.60A | 190 | 1,6 | 50,35 | 4,00 | ● | ○ | ● | ● | ● | ||
| 1200 | 2.00A | 170 | 1,6 | 40,65 | 5,76 | ● | ○ | ● | ● | ● | ||
| 1250 | 2.50A | 170 | 1,6 | 30,00 | 9,61 | ● | ○ | ● | ● | ● | ||
| 1300 | 3.00A | 150 | 2,5 | 25,00 | 13,9 | ● | ○ | ○ | ○ | ○ | ||
| 1315 | 3.15A | 150 | 2,5 | 24,00 | 20,7 | ● | ○ | ● | ● | ● | ||
| 1400 | 4.00A | 130 | 2,5 | 17,60 | 22,1 | ● | ○ | ● | ● | ● | ||
| 1500 | 5.00A | 130 | 2,5 | 13,50 | 41,0 | ● | ○ | ● | ● | ● | ||
| 1630 | 6.30A | 130 | 2,5 | 10,60 | 70,6 | ● | ○ | ● | ● | ● | ||
| 1700 | 7.00A | 130 | 2,5 | 9,48 | 106 | ● | ○ | ○ | ○ | ○ | ||
| 1800 | 8.00A | 130 | 4 | 7,50 | 164 | ● | ● | ● | ● | ○ | ||
| 2100 | 10.00A | 130 | 4 | 6,30 | 272 | ● | ● | ● | ● | ○ | ||
| 2125 | 12.50A | 100 | 6 | 3,80 | 702 | ○ | ● | ○ | ○ | ○ | ||
| 2160 | 16.00A | 100 | 6 | 3,10 | 1332 | ○ | ● | ○ | ○ | ○ | ||
Размер

Стандартный пакет:
200pcs в сумку, 2000pcs в коробку, 8000pcs в коробку
Грузя термина:
EXW, DDU, DDP, C&F, ОБМАНЫВАЮТ
Грузя методы:
Международное срочное, самолетом, морским путем
взрыватель стеклянной лампы 5x20 5.2x20 со стеклом отрезков провода сплавляет вырез осевой освинцованной трубки плавкий с подводящим проводом
Мы один из членов подкомитета на миниатюрных взрывателях национального технического комитета на взрывателях администрации стандартизации Китая. И мы приобретали сертификат утверждения ISO9001 и правил безопасности UL/cUL/VDE/CCC/CQC/PSE.

