Держателя панели плавкой части предохранителя лезвия ATU ATC ATO патрон предохранителя JEF-703E2 вставляемого двойной для 2 взрывателей
Характер продукции
Для взрывателей лезвия ATC ATO стандартных средних
| Имя деталя | Патрон предохранителя |
| Держатель | Держатель панели |
| Оценка | 30A 32Vdc |
| Размер | 29.2x19.8x17.6mm |
| Пигмент | черный |
| Материал дома | PA 66 |
| Терминальный материал | латунный, покрытый никель |
| MOQ | 1000PCS |
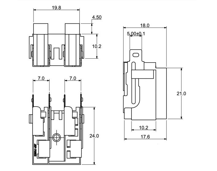
Чертеж патрона предохранителя JEF-703E2


Тип размеры лезвия взрывателя

| Размер лезвия | Группа лезвия | Размеры l × h w × | Общие оценки (максимальное течение) |
| Micro2 | APT, ATR | 9,1 × × 3,8 15,3 mm | 5, 7,5, 10, 15, 20, 25, 30 |
| Micro3 | ATL | × 14,4 × 4,2 18,1 mm | 5, 7,5, 10, 15 |
| LP-мини (низкопрофильный) |
APS, ATT | × 10,9 × 3,81 8,73 mm | 2, 3, 4, 5, 7,5, 10, 15, 20, 25, 30 |
| Мини | APM, ATM | × 10,9 × 3,6 16,3 mm | 2, 3, 4, 5, 7,5, 10, 15, 20, 25, 30, 35A |
| Постоянный посетитель | АПРЕЛЬ, ATC, ATO, ATS | × 19,1 × 5,1 18,5 mm | 1, 2, 3, 4, 5, 7,5, 10, 15, 20, 25, 30, 35, 40 |
| Макси | ПРИБЛИЗИТЕЛЬНЫЙ | 29,2 × × 8,5 34,3 mm | 20, 25, 30, 35, 40, 50, 60, 70, 80, 100, |
Цвета & оценки
| Цвет | Настоящая оценка |
| Черный | 1 a |
| Серый цвет | 2 a |
| Фиолет | 3 a |
| Пинк | 4 a |
| Tan | 5 a |
| Браун | 7,5 a |
| Красный | 10 a |
| Синь | 15 a |
| Желтый цвет | 20 a |
| Прозрачный | 25 a |
| Зеленый цвет | 30 a |
| Зеленоголубой | 35 a |
| Апельсин | 40 a |
| Красный | 50 a |
| Синь | 60 a |
| Амбер/загорает | 70 a |
| Прозрачный | 80 a |
| Фиолет | 100 a |
Применения
Автомобиль, шлюпка, тележка, SUV, мотоцикл, etc.
Грузя термина:
EXW, DDU, DDP, C&F, ОБМАНЫВАЮТ
Грузя методы:
Международное срочное, самолетом, морским путем
Первый шаг ответить следующие вопросы:
1. Замените взрыватель согласно расклассифицированной текущей стоимости показал в коробке взрывателя, и не используйте взрыватель с более высоким расклассифицированным течением.
2. Если новый взрыватель дунут немедленно, то это показывает что система цепи может быть небезупречна и должна быть отремонтирована как можно скорее.
: Мы фабрика продукта взрывателя.
: Вообще 3 дня если товары в запасе, то 5-10 дней если товары не в запасе, согласно количеству.
: Да, мы смогли предложить образцы бесплатно поручаем но не оплачиваем цену перевозки.
: 100% заранее, T/T.
Держателя панели плавкой части предохранителя лезвия ATU ATC ATO патрон предохранителя JEF-703E2 вставляемого двойной для 2 взрывателей
Соответствующий для взрывателей лезвия ATC ATO стандартных средних
| Имя деталя | Патрон предохранителя |
| Держатель | Держатель панели |
| Оценка | 30A 32Vdc |
| Размер | 29.2x19.8x17.6mm |
| Пигмент | черный |
| Материал дома | PA 66 |
| Терминальный материал | латунный, покрытый никель |
| MOQ | 1000PCS |