Эпицентр деятельности коробки передач эпицентра деятельности конечной передачи перемещения частей HD1430 SK300-2 SH300A2 экскаватора
Диск привода снабжение жилищем подшипника в коробке передач путешествовать экскаватора, которая часть используемая для того чтобы соединить зубы привода. Идя редуктор вращает через мотор и управляет следом привода toothed для того чтобы осуществить переднее и движение назад экскаватора.
| Продукт: | Эпицентр деятельности коробки передач перемещения Weiyou HD1430 используемый для частей экскаватора |
| Применимые индустрии: | Промышленное предприятие, ремонтные мастерские машинного оборудования, другое |
| Место происхождения: | Гуандун, Китай |
| Зацеплять расположение: | Шестерня кольца |
| Номер модели: | HD1430, SK300-2, SK300-3, SH300A2 |
| Номер насоса: | GM35VA |
| Вес: | 42KG |
| Совместимый бренд: | Kato, другое |
| Гарантия: | 1 год |
| Упаковка: | Деревянный случай |
| MOQ: | 1 часть |
| Качество: | Высококачественный |
| Подгонянная поддержка: | OEM |
| Фирменное наименование: | Weiyou |
| Название продукта: | Эпицентр деятельности уменьшения перемещения |
| Материал: | Литое железо |
| Оплата: | T/T, Master Card, Alipay… etc. |
| Срок поставки: | дни 1 с получать оплату, не подгонянный деталь |
| Обработка | Отливка |
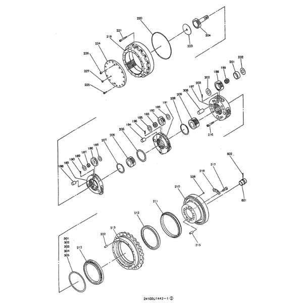
Изображение эпицентра деятельности коробки передач HD1430:

Мы можем обеспечить другие части:

Части на приборе перемещения группы SK300-2:
| Pos. | Номер детали | Qty | Имя частей | Комментарии |
| 212 | 2453U275S312 | [2] | ШАРИКОПОДШИПНИК | KOB |
| 213 | NSS | [1] | ПРОДАННОЕ SEPARAT | ЖУЛИК |
| 215 | 24100U1442S215 | [4] | PIN | |
| 216 | ZS23C18090 | [4] | SETSCREW, головка винта с гнездом для торцового ключа наговора, M18 x 90mm | KOB M18x2.50x90mm |
| 217 | ZS23C18085 | [16] | SETSCREW, головка винта с гнездом для торцового ключа наговора, M18 x 85mm | KOB M18x2.50x85mm |
| 218 | 24100U1079S218 | [4] | ПЛИТА | KOB |
| 219 | 24100U1079S219 | [1] | ШЕСТЕРНЯ КОЛЬЦА | KOB |
| 220 | 24100U1079S220 | [1] | КОЛЦЕОБРАЗНОЕ УПЛОТНЕНИЕ | KOB |
| 221 | 24100U1079S221 | [24] | ВИНТ, головка винта с гнездом для торцового ключа наговора, M14 x 95mm | KOB Superseded номером детали: ZS23C14095 |
| 222 | 24100U1079S222 | [3] | PIN | KOB |
| 223 | NSS | [3] | ПРОДАННОЕ SEPARAT | ЖУЛИК |
ПОЧЕМУ США:
Мы имеем высокий удельный вес на рынке в заморском рынке и внутреннем рынке, Юго-Восточной Азии 60%, России 10%, Ближнем Востоке 8%, севере и Южной Америке 10%, Европа 8%, другие 4%.
| Поддержка предпосылки прочности | Мы изготовитель и собственные 20000 районов фабрики ㎡, хорошее отношение с материальными поставщиками, которые делают больше конкурентоспособную цену и устойчивого качества. |
| Служба технической поддержки | Мы имеем 16 старших инженеров и больше чем 120 наборов предварительного производственного оборудования, с больше чем 30 летами дизайна и опыт обработки. |
| Хорошая ориентация обслуживания | Наше предложение условия продаж эффективное обслуживание для каждого клиенты. Отсутствие дела размер торговли, покуда заказы клиента, наш торговый персонал обеспечат эффективное обслуживание. |
| Требования подгонянные поддержкой | Мы начнем запасные части для старых и новых моделей экскаватора, и представляем наши самые последние продукты к клиентам каждый месяц так, что для того чтобы соотвествовать рыночному спросу. |
вопросы и ответы:
Q1. Что ваши сроки поставок?
: Море, воздух, срочный
Q2. Как о вашем сроке поставки?
: Вообще, он примет в течение 25 часов после получать вашу плату авансом. Специфический срок поставки зависит от деталей и количества вашего заказа.
Q3. Можете вы произвести согласно образцам?
: Да, мы можем произвести вашими образцами или техническими чертежами. Мы можем построить прессформы и приспособления.
Q4. Что ваша политика образца?
: Мы можем поставить образец если мы имеем готовые части в запасе, то но клиенты должны оплатить цену образца и курьер стоил.
Q5.Do вы испытываете его перед доставкой?
: Да, мы проверили весь парад до тех пор пока наши клиенты не получат пакет.
Q6.Как оплатить для заказа?
: Мы можем оплатить передачей провода, западным соединением, Alipay (небольшим), гарантией торговлей Alibaba и так далее.
Q7. Что ваши главные продукты?
: Мы специализируем в продукции аксессуаров экскаватора, как идя коробка передач мотора/собрание/части, роторные коробка передач/собрание/мотор/части, собрание гидронасоса/части, части шестерни. Если вам нужны другие аксессуары экскаватора, то мы можем также поставить согласно вашим требованиям.