Планетарная коробка передач 7000 Н.м. для привода колес и колесного узла.
ГФТ ((L) серии колесные приводы являются идеальными двигательными компонентами для колесных транспортных средств и другого мобильного оборудования.Двигатели чрезвычайно компактны и, следовательно, могут быть установлены и в пространственно-критических конфигурациях монтажаНа основе использования коробки отвержденных колесных передач, грузоподъемность и доступность этих приводов являются исключительными.
Особенности:
Компактная конструкция и экономия пространства
Устойчивая система основного подшипника
Интегрированный статический многодисковый парковочный тормоз
Опциональное устройство отключения для буксировки
Необязательное устройство быстрого отключения
Простая установка
Легкая смена масла
Работа с низким уровнем шума
Спецификации:
| Модель | GFT007T2B | 
| Максимальный выходной крутящий момент: | 7000 Н.м. | 
| Соотношение: | 17, 24, 29, 37, 48 | 
| Применение: | Путешествие на машинах с рулевым приводом. | 
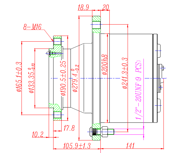
Рисунок размеров:

Deren Transmission является профессиональным производителем различных компонентов силового привода. Наша опытная техническая команда предоставит вам сильную поддержку в поиске идеальных деталей для ваших машин и проектов.