Электрический двигатель Dc безщеточного высокого числа оборотов вентиляторного двигателя DC трехфазного безщеточный для оборудования автоматизации
1. применение безщеточного мотора dc
(Stepper мотор, электрический мотор, мотор тормоза, водитель мотора, мотор шестерни, мотор bldc, безщеточный мотор)
Машинное оборудование ткани, гравировальный станок
Безопасность, 4g антенна, солнечная энергия
Медицинское оборудование, промышленная автоматизация
Автомобиль, автоматизация работы офиса
Оборудование печатания, рекламируя оборудование etc.
Электрическая спецификация безщеточного вентиляторного двигателя dc:
Мотор dc СЕРИИ 2.42BLS высокоскоростной безщеточный
| Модель | |||||
| Спецификация | Блок | HJ42BLS01 | HJ42BLS02 | HJ42BLS03 | HJ42BLS04 |
| Номер участка | Участок | 3 | |||
| Количество поляков | Поляки | 8 | |||
| Расклассифицированное напряжение тока | VDC | 24 | |||
| Проектная скорость | Rpm | 4000 | |||
| Расклассифицированный вращающий момент | N.m | 0,0625 | 0,125 | 0,185 | 0,25 |
| Расклассифицированное течение | Amps | 1,8 | 3,3 | 4,8 | 6,3 |
| Расклассифицированная сила | W | 26 | 52,5 | 77,5 | 105 |
| Пиковый вращающий момент | N.m | 0,19 | 0,38 | 0,56 | 0,75 |
| Пиковое течение | Amps | 5,4 | 10,6 | 15,5 | 20 |
| Задняя часть E.M.F | V/Krpm | 4,1 | 4,2 | 4,3 | 4,3 |
| Константа вращающего момента | N.m/A | 0,039 | 0,04 | 0,041 | 0,041 |
| Инерция ротора | g.c㎡ | 24 | 48 | 72 | 96 |
| Длина тела | mm | 41 | 61 | 81 | 100 |
| Вес | Kg | 0,3 | 0,45 | 0,65 | 0,8 |
| Датчик | Хониуэлл | ||||
| Класс изоляции | B | ||||
| Степень защиты | IP30 | ||||
| Температура хранения | -25~+70℃ | ||||
| Рабочая температура | -15~+50℃ | ||||
| Работая влажность | RH 85% или вниз 85% (не конденсировать) | ||||
| Рабочая Среда | на открытом воздухе (отсутствие сразу солнечного света), безгремучертутный газ, Не-огнеопасный газ, отсутствие тумана масла, отсутствие пыли |
||||
| Высота | 1000m или вниз 1000m | ||||
СЕРИЯ 3.57BLS электрического двигателя dc высокого числа оборотов безщеточного
| Модель | ||||||
| Спецификация | Блок | HJ57BLS005 | HJ57BLS01 | HJ57BLS02 | HJ57BLS03 | HJ57BLS04 |
| Номер участка | Участок | 3 | ||||
| Количество поляков | Поляки | 4 | ||||
| Расклассифицированное напряжение тока | VDC | 36 | ||||
| Проектная скорость | Rpm | 4000 | ||||
| Расклассифицированный вращающий момент | N.m | 0,055 | 0,11 | 0,22 | 0,33 | 0,44 |
| Расклассифицированное течение | Amps | 1,2 | 2 | 3,6 | 5,3 | 6,8 |
| Расклассифицированная сила | W | 23 | 46 | 92 | 138 | 184 |
| Пиковый вращающий момент | N.m | 0,16 | 0,33 | 0,66 | 1 | 1,32 |
| Пиковое течение | Amps | 3,5 | 6,8 | 11,5 | 15,5 | 20,5 |
| Константа вращающего момента | N.m/A | 0,074 | 0,073 | 0,07 | 0,07 | 0,068 |
| Инерция ротора | g.cm | 30 | 75 | 119 | 173 | 230 |
| Длина тела | mm | 37 | 47 | 67 | 87 | 107 |
| Вес | Kg | 0,33 | 0,44 | 0,75 | 1 | 1,25 |
| Датчик | Хониуэлл | |||||
| Класс изоляции | B | |||||
| Степень защиты | IP30 | |||||
| Температура хранения | -25~+70℃ | |||||
| Рабочая температура | -15~+50℃ | |||||
| Работая влажность | RH 85% или вниз 85% (не конденсировать) | |||||
| Рабочая Среда | на открытом воздухе (отсутствие сразу солнечного света), безгремучертутный газ, Не-огнеопасный газ, отсутствие тумана масла, отсутствие пыли |
|||||
| Высота | 1000m или вниз 1000m | |||||
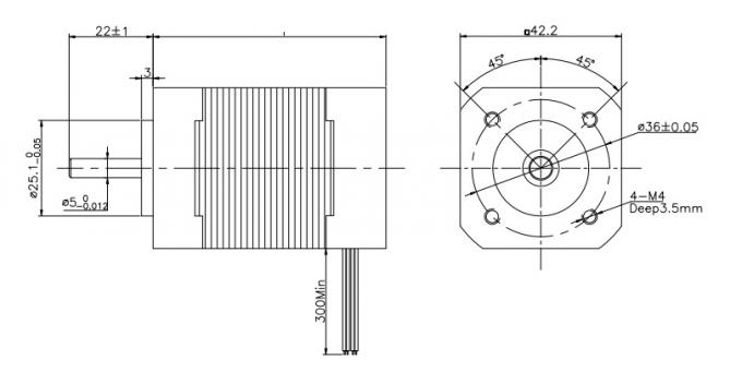
Размеры мотора dc 3 участков безщеточного: (Unit=mm)
4. СЕРИЯ 42BLS оборудования автоматизации
