Отборный метод
серия мотора шестерни 60W RK, серия мотора шестерни IK, тип мотора управления скоростью, мотор шестерни 110V, мотор шестерни 220V, мотор шестерни неизменяемой скорости
| Катион fi Speci мотора шестерни AC скорости мотора 60W 90mm фиксированного | |||||||||||
| ТИП | Вал выхода зуба шестерни |
Сила (W) |
Частота (Hz) |
Напряжение тока (V) |
Настоящий (A) |
Вращающий момент начала (g.cm) |
Расклассифицированный | Начало | Тип коробки передач | ||
|
Вращающий момент (g.cm) |
Скорость (rpm) |
Емкость (μF) |
Напряжение тока сопротивления (V) |
Носить коробку передач | |||||||
| Реверзибельный мотор | 5RK60GN-CF | 60 | 50 | 220 | 0,55 | 4500 | 4500 | 1300 | 4,0 | 500 | 5GN/GU-K |
| 60 | 60 | 220 | 0,50 | 3770 | 3770 | 1550 | 3,5 | 500 | 5GN/GU-K | ||
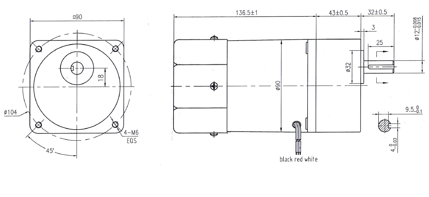
Чертеж: 5RK60GN-CF/5GN3~20K (короткая раковина 43mm коробки передач)

Чертеж: 5RK60GN-C/5GN25~180K (высокая раковина 61mm коробки передач)

| Таблица вращающего момента коробки передач (Kg.cm) | (kg.cm×9.8÷100) =N.m | ||||||||||||||||||
| Скорость ведомого вала: RPM | 500 | 300 | 200 | 150 | 120 | 100 | 75 | 60 | 50 | 30 | 20 | 15 | 10 | 7,5 | 6 | 5 | 3 | ||
| Коэффициент скорости | 50Hz | 3 | 5 | 7,5 | 10 | 12,5 | 15 | 20 | 25 | 30 | 50 | 75 | 100 | 150 | 200 | 250 | 300 | 500 | |
| 60Hz | 3,6 | 6 | 9 | 15 | 18 | 30 | 36 | 60 | 90 | 120 | 180 | 300 | 360 | 600 | |||||
|
Позволенный вращающий момент |
40W | kg.cm | 6,7 | 11 | 16 | 21,3 | 28 | 33 | 42 | 54 | 65 | 108 | 150 | 150 | 150 | 150 | 150 | 150 | 150 |
| 60W | kg.cm | 10 | 16 | 24 | 32 | 40 | 48 | 64 | 77 | 93 | 150 | 150 | 150 | 150 | 150 | 150 | 150 | 150 | |
| 90W | kg.cm | 14 | 23 | 35 | 46 | 58 | 69 | 92 | 110 | 133 | 200 | 200 | 200 | 200 | 200 | 200 | 200 | 200 | |
| 120W | kg.cm | 19 | 30,7 | 46 | 61 | 77 | 92 | 123 | 147 | 177 | 200 | 200 | 200 | 200 | 200 | 200 | 200 | 200 | |
| Примечание: Диаграммы скорости основаны на синхронной скорости, фактической скорости ведомого вала, под расклассифицированными условиями вращающего момента, около 10-20% более менее чем синхронная скорость, серая предпосылка показывает что вал выход зацепленного мотора вращает в таком же направлении как вал выхода мотора. Белая предпосылка показывает поворачивает вращение в противоположном направлении. | |||||||||||||||||||
Рисовать для стандартного отверстия винта, если потребность через отверстие, терминальную коробку, или электронному тормозу магнита, нужно сказать продавца.
| Основные данные по техника: | Розничная цена: |
| Тип мотора: Мотор шестерни AC | Класс изоляции: E |
| Материал мотора: Алюминий, медь, сталь | Ранг IP: IP44 |
| Вращение: CW/CCW реверзибельное | Работая стиль: S1 |
| Частота: 50Hz/60Hz | Температурная амплитуда рабочей температуры: -10 °C~+40°C |
| Код HS: 8501400000 | Работая относительная влажность: 95% ниже |
Схема коммутаций:


Q: Как о вашей компании?
: Мы фабрика мотора шестерни расположенная в городе Вэньчжоу Китая, мы начинаем от 1995, мы имеем больше чем 1200 работников, главные продукты мотор 6W шестерни AC микро- к мотору 100W 250W, шестерни AC небольшому к 3700W, мотору 10W DC щетки к 400W, безщеточному мотору 10W к 750W, мотору 60W барабанчика к 3700W, планетарной коробке передач, коробке передач etc червя.
Q: Как выбрать соответствующий мотор?
: Если вы имеете изображения или чертежи мотора шестерни, который нужно показать нас, или вы говорите нам, то детализировал спецификации как напряжение тока, скорость, вращающий момент, размер мотора, работая режим мотора, необходимые продолжительность жизни и уровень шума etc, пожалуйста не смутитесь позволить нам знать, тогда мы можем предложить соответствующий мотор в вашу просьбу.
Q: Можете вы сделать мотор шестерни с подгоняете спецификации?
Да, мы можем подгонять в вашу просьбу для напряжения тока, скорости, вращающего момента и размера и формы вала. Если вам нужны дополнительные провода или кабели припаянные на терминале или нужно добавить соединители, или конденсаторы или EMC, то мы можем сделать его тоже.
Q: Что ваше время выполнения?
: Обычно нашему регулярному стандартному продукту будет нужно 10-15days, бит более длинный для подгонянных продуктов. Но мы очень гибки на времени выполнения, ем будем зависеть заказанн специфические.
Q: Что ваше MOQ?
: Если доставка морским путем, минимальный заказ 100 частей, то если поставьте срочным, то никакой предел.
Q: Вы имеете деталь в запасе?
: Я огорченн мы не имеет деталь в запасе, все продукты сделано с заказами.
Q: Как свяжитесь мы?
: Вы можете отправить нами дознание.