Водоустойчивая коробка распределения IP67 6 штепсельная вилка 4.8mm 8 12 гаван переходников SC ODVA LC уступчивая до 7.0mm OD
Заплата соединителя ODVA-LC волокна FTTA IP67 на открытом воздухе водоустойчивая привязывает присоединения к переходнику на панели RRH.
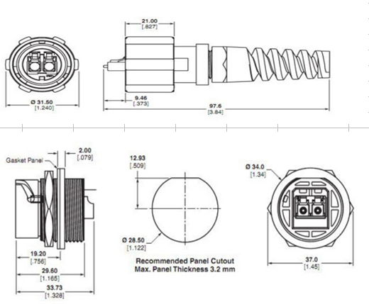
Общая пара соединителя LC внутрь позволяет более легкие испытывать и очищать.
2 типа штепсельных вилок соединителя доступных: продел нитку и легк-соедините штифт.
Главные особенности
1• Крепкий волоконнооптический соединитель для 12 каналов с привинченным сопрягая механизмом
2• Защита IP67, доказательство сол-тумана, и предохранение от EMI
3• Высокий удар, вибрация, и механическое сопротивление
4• Широкие диапазон температур и широкий диапазон крытых и на открытом воздухе кабелей
5• Легкая, надежная и рентабельная установка
Оптически представление
1. Вносимая потеря/IEC 61300-3-34
2. однорежимный тип. dB ≤ 0,45 dB 97% ≤ 0,2
3. мультимодный тип. ≤ 0,50 d dB 97% ≤ 0,2
DB ≥ 50 потери возвращения/IEC 61300-3-6 однорежимный
Применение:
Волокн-к--антенна (FTTA)
Системы самых последних и следующего поколени мобильной телефонной связи (GSM, UMTS, CMDA2000, TD-SCDMA, WiMAX, LTE, etc.) раскрыть волоконнооптические фидеры для того чтобы соединить базовую станцию с удаленным блоком на рангоуте антенны.
Автоматизация и промышленный привязывать
ODVA обеспечивает самую высокую надежность и работая безопасность. Усиливанный дизайн обеспечивает самую высокую механическую и термальную робастность которой держит телевизионные строки с данными телетекста живым даже в случае
удар, самая сильная вибрация, или случайное неправильное использование.
Системы охраны
Соединители chooseODVA изготовителей камеры слежения для своих компактного размера и крепкого дизайна. Собрания ODVA легки для установки даже в зоны трудные для получения доступа к и для того чтобы обеспечить самой высокой безопасности установки.
Военноморской и судостроение
Высокая коррозионная устойчивость убедила и военноморские и гражданские построители корабля для использования собраний ODVA для бортовых систем коммуникаций. Никель покрыл соединители для того чтобы выдержать влажные и соленые окружающие среды и гарантировать времена жизни 20 лет и за пределами.
Передача
предлагает ряд мобильных кабельных систем и собраний ODVA для временных установок кабеля
требовать для широковещания спортивных мероприятий, гонок автомобиля, etc.and для временных соединений в случае стихийных бедствий.



