1Введение: Подъемник предназначен для электрической и гидравлической работы.электрическая система управления и система защиты безопасности, чтобы достичь захвата, подъема, обработки, перемещения и размещения стекла в определенном месте по последовательному настройке процесса.Подъемник может быть смонтирован в различные типы моделей, чтобы соответствовать различным размерам стекла. 2Технические данные
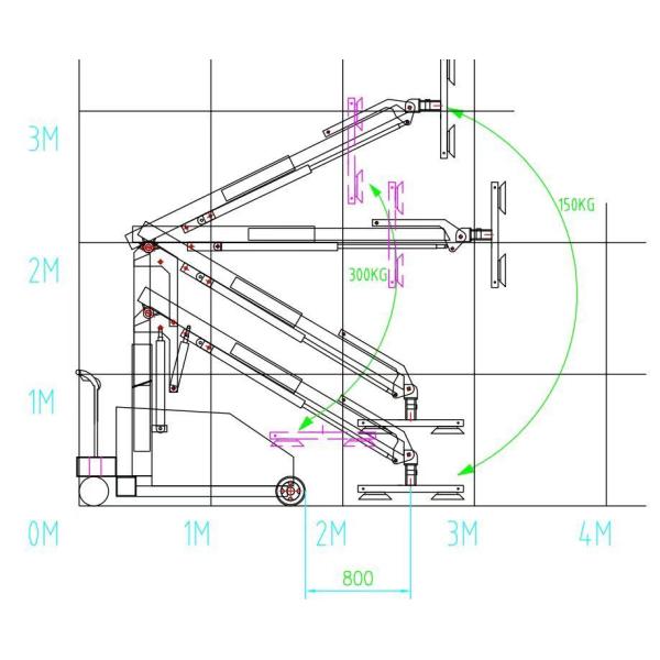
Код: SH-CAR-300 Безопасная грузоподъемность: 300 кг
Количество и размер подложки:8 подложки/ [250мм]диаметр Описание подкладки:Серыйрезина, устойчивая к абразию, долговечная термостойкость до 120°C Масса изделия:890в кг Размер продукта:1750мм(Л) *765мм(В) *2000Мммм Максимальный размер стекла: 2600 мм ((L) * 1500 мм ((W) * 4-25 мм ((T) Размер стекла:1200 мм(Л)*800мм(W)*4-25 мм ((T) Материал для подъема: стекло, мрамор,пластиковые доски, металлические листы, покрытые доски и другие плиты. Спецификации батареи:6В200Ah*4 шт. Рабочая мощность: 24В постоянного тока Заряд батареи:110-220В 50/60Гц Уровень шума: менее80Db Подходит для подъема:Свойства материала: Газонепроницаемая/непорная, гладкая поверхность
Пример: плоское стекло, строительное стекло, различные виды стекла для обработки и специальное стекло Производительность: 1- Электрический.наклонвверх 45°Наклоните 45°,с остановкой в любом положении. 2- Руководство.ротация360°,закрепиться в каждом 90°. 3Ручной поворот влево и поворот направо 180°. 4- Электрический.поднимать и опускать до3000- Да, конечно. 5Электрическая рука качается вверх и вниз на 45 градусов. 6- Электрический.протянуть подъемную руку до780- Да, конечно. 7.Электрический автомобиль, управление рулем. 8.Заряжается, когда мощность электроэнергии менее 30%. Защита безопасности:Когда вакуум достигает указанного давления, вакуумный насос автоматически останавливается для достижения экономии энергии; когда вакуумное давление недостаточно,автоматически перезагружается для компенсации вакуума.
3.Указания по эксплуатации 1. Перед использованием включите переключатель с блокировкой,Проверьте габарит батареи и объем мощности выше 80% рекомендуется. 2. Откройте переключатель, слегка опустите ручку и поверните ручку, чтобы запустить
Манипулятор вперед и назад; переместить ручку влево и вправо, чтобы сделать поворот. 3При выполнении движений, пожалуйста, нажмите кнопки непрерывно, чтобы запустить гидравлический насос или двигатели для завершения выступления. 4.При движении вверх и вниз, пожалуйста, нажмите на кнопки непрерывно, чтобы запустить гидравлический насос для завершения. 5.
При перемещении расширения и сокращения, пожалуйста, нажмите кнопки непрерывно, чтобы запустить гидравлический насос, чтобы завершить. 6.При наклоне вверх и вниз, пожалуйста, нажмите кнопки непрерывно, чтобы запустить гидравлический насос для завершения.
7.Когда качаться вверх и вниз, пожалуйста, нажмите на кнопки непрерывно, чтобы запустить гидравлический насос для завершения. 8.
При вращении поднимите блокировку и вручную поверните 270° по краю с блокировкой в каждой четверти. 9.
Поднимите ручку и вручную поверните конструкцию при наклоне влево и направо. 10.
Очистите поверхность стекла и всасывающих подушек, переместите и плотно нажмите на подъемник к центру стекла. 11.Нажмите на кнопку вакуума, затем вакуумный насос запускается и кнопка разблокировки становится красной.Тогда он может поднять. 12Когда подъемник может поднимать, выполнять движения для завершения транспортировки, погрузки, разгрузки, установки и других. 13При установке и подключении расширительных рук и шлангов откройте блокировочный клапан воздушного шланга; когда расширительные руки не нужны, отключите руки и шланги и плотно закройте клапан.
14Когда стекло будет на месте, отпустите стекло. 15.Освобождение стекла: когда стекло находится в положении, то оно может отсосаться и освободить стекло.Открыть выключатель для запуска дующего сутенера и удерживать кнопку разблокировки, чтобы дуть и Отпустите стекло. 16Выключите электричество после работы.
Гарантийный период:Один год Морская упаковка
Профиль компании: Основанная в 2010 году, Foshan Star Glass Machinery Co., Ltd является высокотехнологичным предприятием, специализирующимся на
Производство, исследования и разработки и продажи глубокой обработки стекла.
расположен в городе Фошань, крупном центре стекольной техники.
Компания занимается производством стеклянной лучевой закаливающей печи, конвекционной закаливания
печь, плоскогибающая двойная термовая печь, автомобильная стеклогибающая печь, неавтоклав
Линия производства ламинированного ПВБ.
После многих лет тяжелой работы и исследований компания получила ряд национальных патентов, и
Продукция хорошо продается по всему Китаю и экспортируется в
Австралия, Соединенные Штаты, Ближний Восток, Индия, Вьетнам, Южная Америка и другие места.
Компании, придерживающиеся принципа качества в первую очередь, ориентированные на услуги и постоянно улучшающие
мы будем искренне стремиться создать квалифицированную, высококачественную команду.
сотрудничать с новыми и старыми клиентами в стране и за рубежом искренне и совместно развивать
Светлый путь производства стекломашины.

партнер по сотрудничеству
Послепродажное обслуживание

nВыставка

Частые вопросы
1. кто мы?
Мы базируемся в Гуандун, Китай, начиная с 2011 года, продаем в Южную Америку ((30.00%), Юго-Восточную Азию ((20.00%), Ближний Восток ((15.00%), Восточную Европу ((10.00%), Африку ((10.00%), Северную Америку ((10.00%), Западную Европу))) 3.00%)В нашем офисе всего около 11-50 человек.
2. как мы можем гарантировать качество?
Всегда образец предварительного производства перед серийным производством;
Всегда окончательный осмотр перед отправкой;
3Что вы можете купить у нас?
Стекломашина,Стеклопечь,Стеклогибающая печь,Стеклогибающая и закаливающая печь,Стекломашины
4Почему вы покупаете у нас, а не у других поставщиков?
Наша компания имеет профессиональную команду исследований и разработок и строгую систему управления качеством. 10 лет опыта экспорта. зрелая послепродажная установка.
5Какие услуги мы можем предоставить?
Принятые условия доставки: FOB, CIF, EXW, DDP;
Принятая валюта платежа:USD,EUR,JPY,CAD,AUD,HKD,GBP,CNY,CHF;
Принимаемые виды платежей: T/T,L/C,D/P D/A,MoneyGram,Кредитная карта,PayPal,Western Union,Cash,Escrow;
Язык: английский,китайский,испанский,японский,арабский,французский,русский