Штепсельная розетка TX 1310nm DFB 1.244G RX 1490nm APD 2.488G отрезка провода SC APC UPC класса B+ GPON ONU BOSA для FTTH FTTX
Примите схему заварки лазера
Применение точкаое-точка
Высокая оптически изоляция
Высокая чувствительность APD-TIA
Работая температура: 0~75℃ или -40~85℃
Вставляемый SC BOSA
Уступчивый с GR - 468
Описание
GPON ONU BOSA Gigaopto с отрезком провода SC двухнаправленный прибор приемопередатчика соответствующий для применения GPON ONU. Прибор состоит из передатчика, приемника, фильтра WDM и отрезка провода волокна одиночного режима. Раздел передатчика использует uncooled лазер 1310nm DFB с фотодиодом монитора, приемником раздел использует 1490nm приемник Продолжать-режима APD с супер TIA.
Абсолютный максимум оценок
| Деталь | Символ | Блок | Минута | Макс | Примечание | 
| Работая температура случая (случай) | TOPR | ℃ | 0 | 75 | |
| Температура хранения | TSTG | ℃ | -40 | 85 | |
| Влажность хранения и работать | % | 85 | |||
| Температура руководства паяя | TS | ℃ | 260 | ||
| Оптически сила выхода | dBm | 5 | |||
| Пропускной ток (LD) | IFLD | мамы | 150 | ||
| Обратное напряжение (LD) | VRLD | V | 2 | ||
| Пропускной ток MPD | IFMPD | мамы | 2 | ||
| Обратное напряжение MPD | VRMPD | V | 20 | 
Характеристики передатчика электрооптические (TC=25°C, CW)
| Деталь | Символ | Условие испытаний | MIN. | Тип. | Максимальный. | Блок | 
| Течение порога | ITH | TC=25℃ | --- | -- | 12 | мамы | 
| TC= 0 | 70℃ | --- | -- | 40 | |||
| Пропускное напряжение | VF | PF=PF (минута), TC =25℃ | --- | --- | 1,9 | V | 
| Оптически сила выхода (класс B+) | Pf | CW, @ITH+20mA, 25℃ | 1,8 | --- | --- | mW | 
| Оптически сила выхода (класс B+) | Pf | CW, @ITH+20mA, 0~75℃ | 1 | --- | --- | mW | 
| Оптически сила выхода (класс C+) | Pf | CW, @ITH+20mA, 25℃, зубчик свободный | 2,4 | --- | --- | mW | 
| Оптически сила выхода (класс C+) | Pf | CW, @ITH+20mA, 0~75℃ | 1,5 | mW | ||
| Оптически сила выхода (класс C++) | Pf | CW, @ITH+20mA, 25℃, зубчик свободный | 3,0 | --- | mW | |
| Оптически powe r выхода (класс C++) | Pf | CW, @ITH+20mA, 0~75℃ | 1,8 | mW | ||
| Разбивочная длина волны | λC | CW, TC=0~75℃, TX; 1490nm | 1470 | 1490 | 1510 | nm | 
| Течение монитора | IM | CW, Pf=Ith+20mA | 100 | --- | 900 | uA | 
| Ошибка сопровождения | ΔPf/Pf | 0~75℃, CW, владение Pf (Ith+20mA) @IM | -1,5 | --- | +1,5 | dB | 
Характеристики приемника электрооптические (TC=25°C, Vcc=3.3V)
| Деталь | Символ | Условие испытаний | MIN. | Тип. | Максимальный. | Блок | 
| Поставка настоящая | ICC | Ряд будет различен согласно К выбору | --- | --- | --- | мамы | 
| Длина волны деятельности | λ | RX: 1310nm | 1290 | 1310 | 1330 | nm | 
| Сила PIN-TIA сатурации | PSAT | 1.25Gbps, PRBS23 BER=10-10, λ=1310nm | --- | --- | --- | dBm | 
| Чувствительность | Сенатор | 1.25Gbps, PRBS23 BER=10-10, λ=1310nm | --- | -31 | dBm | |
| Оптически возвращенная потеря | ORL | -7 | --- | --- | dB | |
| Оптически помеха | XTALK | --- | --- | -45 | dB | 
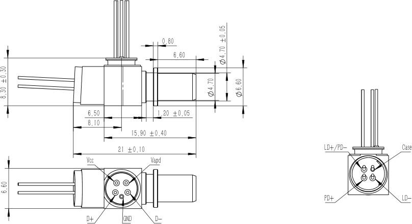
План размера

Особенности
Реклама: -5°C~70°C
Промышленный: -40°C~85°C
Применение
Стандарты