подсистема PIN WDM BOSA TX1550nm EML/RX1490nm SC 10Gbps LC двухнаправленная оптически
Описание
BOSA-T1550EML-R1490PIN-10G-LC-REC GIGAOPTO конструировано для передачи данных, поддерживающ тариф данных 10Gb/s. Сторона передатчика использует лазер 1550nm EML. Сторона приемника использует PIN 1490nm с TIA.
Абсолютный максимум оценок (Tc=25℃)
| Параметр | Символ | MIN. | Максимальный. | Блок |
| Обратное напряжение (LD) | VRL | --- | 2 | V |
| Пропускной ток (LD) | ЕСЛИ Я | --- | 150 | мамы |
| Пропускной ток (MPD) | IFD | --- | 10 | мамы |
| Работая температура случая | ВЕРХНЯЯ ЧАСТЬ | 0 | 75 | ℃ |
| Температура хранения | TSTG | -40 | +85 | ℃ |
| Температура руководства паяя (максимальные 10sec) | TS | --- | 260 | ℃ |
| Течение NTC | INTC | 5 | V | |
| Напряжение тока NTC | VNTC | 2 | мамы | |
| ТЕХНИЧЕСКОЕ течение | ITEC | -0,96 | 0,96 | |
| ТЕХНИЧЕСКОЕ напряжение тока | VTEC | -1,29 | 1,29 | V |
| Сопротивление (стандартные 10KΩ@25℃) | Rth | 9,5 | 10,5 | KΩ |
| Константа b Rth | B | 3800 | 4000 | K |
Оптически & электрические характеристики
| Параметр | Символ | MIN. | Тип. | Максимальный. | Блок | Условие испытаний |
| Передатчик (TC=25±3℃) | ||||||
| Течение порога | Ith | --- | --- | 20 | мамы | CW |
| Лазер установил температуру | Tld | 40 | 45 | 50 | ℃ | |
| Оптически сила выхода | Pf | 2,8 | --- | --- | mW | CW, Iop= 60 мам, Tld= 45℃, VEA=0V |
| Рабочий потенциал | Vop | --- | 1,2 | 1,6 | V | CW, Iop=Ith+20mA |
| Длина волны центра | λc | 1470 | 1490 | 1510 | nm | Iop= 60 мам, Tld= 45℃, VEA=0V |
| Течение монитора | Imon | 50 | --- | 1500 | μA | Iop= 60 мам, Tld= 45℃ |
| SMSR | --- | 35 | --- | --- | dB | Iop= 60 мам, Tld= 45℃, VEA=0V |
| Ошибка сопровождения (CW) | TE | -1,0 | --- | 1,0 | dB | 0℃/+45℃, +45℃/+75℃ |
| Приемник (TC=25±3℃) | ||||||
| Подача напряжения | VCC | 2,97 | 3,3 | 3,6 | V | |
| Пробивное напряжение | VBR | 27 | 33 | 45 | V | Id=10μA, Vcc |
| Поставка настоящая | Icc | --- | 27 | 43 | мамы | DC |
| Оптически длина волны | λ | 1470 | 1490 | 1510 | nm | |
| Чувствительность | Сенатор | --- | --- | -25,5 | dBm | λ=1490nm, PRBS=2^31-1, BER=10-12, ER=10dB, @10Gbps |
| Сила сатурации | Psat | -6 | --- | --- | dBm | |
| PD Responsivity | R | 0,65 | --- | --- | A/W | λ=1490nm, CW |
Особенности
Применение
Стандарт
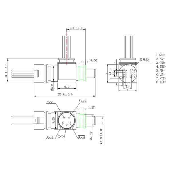
Чертеж плана (блок: mm)
