
| Размер клапана | DN15~DN100 | |
| Электрическое питание | AC220V,AC380V, DC24V | |
| Временное. | ≤ 220oC | |
| Температура окружающей среды. | -30oC-60oC | |
| Определение корпуса | 0.1~40,0 МПа | |
| Цель | Быстро открыть и закрыть. | |
| Время действия | 4S/7S ((необязательно)) | |
| Применяемая среда | Вода,Нефть,Газ | |
| Конечное соединение | Фланц, нить | |
| Тип уплотнения | двухсторонняя сферическая уплотнитель(нулевая утечка) | |
| Испытательное давление | Анализ тела | 10,76 МПа |
| Испытание уплотнения | 20,4 МПа | |
| Материал корпуса | WCB,SUS304,SUS316 | |
| Материал печатного кольца | EPDM,ПТФЕ,PPL,Металлическое сиденье | |
| Уровень защиты | IP67 | |
| Производственный стандарт | GB12237-89 AP16D | |
| Стандарт фланца | JB79 GB9113 ANSI B16.5 JIS B2212 | |
| Структура и длина | GB1221-89 | |
| Инспекционные стандарты | JB/T 9092 API598 | |
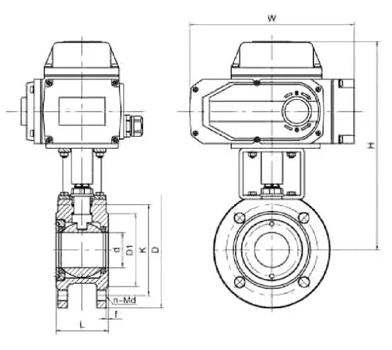
| DN | Л | D | К | D1 | N-Md | В. | Я... | H1 | Н2 | W1 | W2 | Вес В кг |
|
| мм | дюйм | ||||||||||||
| 15 | 1/2′′ | 35 | 95 | 65 | 46 | 4-φM12 | 9 | 2 | 234 | 196 | 145 | 196 | 5.6 |
| 20 | 3/4′′ | 38 | 100 | 75 | 56 | 4-φM12 | 12 | 2 | 242 | 196 | 145 | 196 | 6 |
| 25 | 1′′ | 42 | 110 | 85 | 66 | 4-φM12 | 12.7 | 2 | 218 | 196 | 145 | 196 | 5.8 |
| 32 | 11/4′′ | 52 | 133 | 100 | 78 | 4-φМ16 | 14 | 3 | 231 | 196 | 145 | 196 | 6.7 |
| 40 | Стрельба за жизнью, 11/2 | 61 | 145 | 110 | 87 | 4-φМ16 | 15 | 3 | 238 | 196 | 145 | 196 | 7.6 |
| 50 | 2 | 73 | 160 | 125 | 99 | 4-φМ16 | 16.7 | 3 | 251 | 196 | 145 | 196 | 8.7 |
| 65 | 21/2′′ | 92 | 180 | 145 | 118 | 4-φМ16 | 17.2 | 3 | 265 | 196 | 145 | 196 | 16.8 |
| 80 | 3′′ | 109 | 195 | 160 | 136 | 8-φМ16 | 19 | 3 | 298 | 255 | 184 | 255 | 18.6 |
| 100 | 4′′ | 140 | 215 | 180 | 156 | 8-φМ16 | 18.5 | 3 | 310 | 255 | 184 | 255 | 21.2 |
Диаграмма соединения
Упаковка и перевозка:
1Упаковка: внутри с пузырьком, снаружи с картонной коробкой и деревянным чехлом.
2Перевозка: морской, воздушной, железнодорожной.
Если у вас есть другие требования, пожалуйста, не стесняйтесь сказать нам.