WCB Фланцевое соединение Высокотемпературный электрический шаровой клапан короткого типа
Описание продукта:
Электрический шаровой клапан короткого типа с соединением фланца WCB/IP67/Фиксированный шаровый клапан
Описание:

Спецификация:
| Электрическое питание | AC220V |
| Размер тела | DN15-250 |
| Средняя температура | -80°C~160°C (без заморозки) |
| Рабочее давление | PN1.0 ~ 2.5 ((MPa) |
| Режим действия | 4-20mA Отзыв ввода сигнала, вращение 0-90° |
| Время действия | 4 ~ 30S |
| Соединения тела | Фланц |
| Материал корпуса | WCB, ZG1CrM0, ZG1Cr18Ni9Ti |
| Запечатанный материал | ПТФЕ |
| Материал привода | Литье алюминиевого сплава |
| Применяемая среда | Кислота, щелочи, соль, хлорный газ, пар, источниковая вода, полезные ископаемые и бумагацеллюлоза, аква регия,окислитель, редуктор, коррозионная химическая жидкость |
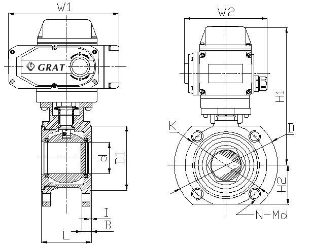
Чертеж установки

|
Размер MPa DN |
В | D | D1 | D2 | Z-d | f | b | |
| 15 | 1.0 | 132 | 95 | 65 | 45 | 4-14 | 2 | 14 |
| 1.6 | 132 | 95 | 65 | 45 | 4-14 | 2 | 15 | |
| 20 | 1.0 | 142 | 105 | 75 | 55 | 4-14 | 2 | 16 |
| 1.6 | 142 | 105 | 75 | 55 | 4-14 | 2 | 16 | |
| 25 | 1.0 | 150 | 115 | 85 | 65 | 4-14 | 2 | 16 |
| 1.6 | 150 | 115 | 85 | 65 | 4 - 18 | 3 | 16 | |
| 32 | 1.0 | 165 | 135 | 100 | 78 | 4 - 18 | 3 | 16 |
| 1.6 | 165 | 135 | 100 | 78 | 4 - 18 | 3 | 16 | |
| 40 | 1.0 | 180 | 145 | 110 | 85 | 4 - 18 | 3 | 17 |
| 1.6 | 180 | 145 | 110 | 85 | 4 - 18 | 3 | 17 | |
| 50 | 1.0 | 200 | 160 | 125 | 100 | 4 - 18 | 3 | 18 |
| 1.6 | 200 | 160 | 125 | 100 | 4 - 18 | 3 | 18 | |
| 65 | 1.0 | 220 | 180 | 145 | 120 | 4 - 18 | 3 | 20 |
| 1.6 | 220 | 180 | 145 | 120 | 4 - 18 | 3 | 20 | |
| 80 | 1.0 | 250 | 195 | 160 | 135 | 4 - 18 | 3 | 22 |
| 1.6 | 250 | 195 | 160 | 135 | 4 - 18 | 3 | 22 | |
| 100 | 1.0 | 280 | 215 | 180 | 155 | 4 - 18 | 3 | 22 |
| 1.6 | 280 | 215 | 180 | 155 | 4 - 18 | 3 | 24 | |
| 125 | 1.0 | 320 | 245 | 210 | 185 | 4 - 18 | 3 | 24 |
| 1.6 | 320 | 245 | 210 | 185 | 4 - 18 | 3 | 26 | |
| 150 | 1.0 | 360 | 280 | 240 | 210 | 8-23 | 3 | 24 |
| 1.6 | 360 | 280 | 240 | 210 | 8-23 | 3 | 28 | |
| 200 | 1.0 | 400 | 335 | 295 | 265 | 8-23 | 3 | 26 |
| 1.6 | 400 | 335 | 295 | 265 | 8-23 | 3 | 30 | |
| 250 | 1.0 | 450 | 405 | 350 | 320 | 12-23 | 4 | 28 |
| 1.6 | 450 | 405 | 355 | 320 | 12-23 | 4 | 30 | |
Материал основных частей
| Наименование части | Тело | Капот | Наполнительная коробка | Кольцо железы | Сиденье | Упаковка | Ключик |
|
Материал торговая марка |
WCB ZG1CrM0 ZG 1Cr18Ni9Ti |
WCB ZG1CrM0 ZG 1Cr18Ni9Ti |
WCB 40Cr ZG 1Cr18Ni9Ti |
WCB ZG1CrM0 ZG 1Cr18Ni9Ti |
ФПП | ФПП |
WCB
|
Применимая среда канализации
| Среднее состояние | Средняя температура. | Среднее давление | Средние характеристики | Средняя концентрация | Среднее имя |
| Жидкость | -80°C~+160°C | 0 ~ 20 кг/см2 | Сильная коррозия, высокая острота очистки | Неограниченный | Кислота, щелочи, соль, хлор, пар, источник воды, полезные ископаемые, бумажная целлюлоза, аква-регия, окислитель, редуктор. |
| Газ | -80°C~+160°C | 0 ~ 20 кг/см2 | Сильная коррозия, высокая острота очистки | Неограниченный | |
| Смесь жидкости и твердого вещества | -80°C~+160°C | 0 ~ 20 кг/см2 | Сильная коррозия, высокая острота очистки | < 60% |
Диаграмма управления

Упаковка и перевозка:
1.Упаковка: внутри с пузырьком, снаружи с картонной коробкой идеревянныеДело.
2Перевозка: морским, воздушным, железнодорожным транспортом.
Если у вас есть другие требования, пожалуйста, не стесняйтесь сказать нам.