Газовый электрический клапан для бабочек с низкой нагрузкой
Описание продукта:
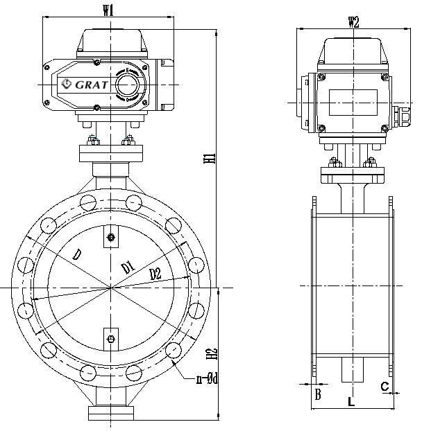
Газовый электрический клапан-бабочка с низкой нагрузкой/IP68
Описание:

Как устройство модуляции газа и двустороннее устройство переключения, газовый электрический клапан бабочки с низкой нагрузкой
подходящий для вентиляции и очистки от пыли трубопроводов в промышленных областях металлургии, минеральной промышленности, цемента,
Химическая инженерия, производство электроэнергии, промышленная печь и так далее.
Спецификация:
| Электрическое питание | AC220V 50/60HZ |
| Рабочая температура | 0-450 градусов по Цельсию (необязательно) |
| Входной сигнал | 4-20 мА |
| Выходной сигнал | 4-20 мА |
| Соединения тела | Облицовка/фланцера (необязательно) |
| Характеристики потока | Приблизительное EQ% |
| Материал корпуса | А3 Сталь, теплостойкая сталь |
| Материал диска | А3, Теплостойкая сталь, SUS304 Нержавеющая сталь, SUS316 Нержавеющая сталь |
| Тип уплотнения | Открытый тип, заднего сидения (при применении при сверхвысокой температуре), герметизированный тип наклонной пластины (при применении при комнатной температуре). |
| Размер клапана | DN100~DN2000 |
| Размеры корпуса | 00,1-0,6 МПа |
| Испытательное давление | Запечатанный 0,15 МПа; корпус 0,11 МПа |
| Применимая температура | < 200 градусов по Цельсию Специальный: < 450 градусов по Цельсию |
| Применяемая среда | Дым, воздух, газ |
| Производственные стандарты | JB/T8692-1998 |

Наименование части |
Тело |
Диск |
Наполнительная коробка |
Кольцо железы |
Сиденье |
Упаковка |
Стенка |
Материальный товарный знак |
WCB ZG1CrM0 ZG 1Cr18Ni9Ti |
WCB Нержавеющая сталь или облицовка |
WCB 40Cr ZG 1Cr18Ni9Ti |
WCB ZG1CrM0 ZG 1Cr18Ni9Ti |
ФПП |
ФПП |
2Cr13 |
Среднее состояние |
Средняя температура. |
Среднее давление |
Средние характеристики |
Средняя концентрация |
Среднее имя |
Жидкость |
-50°С~+160°С |
0 ~ 20 кг/см2 |
Сильная коррозия, высокая острота очистки |
неограниченный |
Кислота, щелочи, соль, хлор, пар, вода из источника, полезные ископаемые, бумажная целлюлоза, аква-регия, окислитель, редуктор. |
Газ |
-50°С~+160°С |
0 ~ 20 кг/см2 |
Сильная коррозия, высокая острота очистки |
неограниченный |
|
Смесь жидкости и газа |
-50°С~+160°С |
0 ~ 20 кг/см2 |
Сильная коррозия, высокая острота очистки |
< 60% |
Диаграмма управления

| Модель | Круговая | Модель | Круговая |
| S | Включение/выключение, отсутствует выходный сигнал | КПТ | Сигнал включен/выключен, выход 4~20mA |
| МР | Включен/выключен, выходный сигнал пассивного контакта | ПКУ | Регулирование, выходный сигнал 4 ~ 20mA |
Упаковка и перевозка:
1.Упаковка: внутри с пузырьком, снаружи с картонной коробкой идеревянныеДело.
2Перевозка: морским, воздушным, железнодорожным транспортом.
Если у вас есть другие требования, пожалуйста, не стесняйтесь сказать нам.