Простой через тип патентный вафли тип электрический привода управления шаровым клапаном
Описание продукта:
Патентный вафловый тип электрического привода управления шаровым клапаном / нержавеющей стали / фиксированный шаровый клапан
Описание:

Крошечный клапан управления потоком может контролировать работу путем ввода сигнала управления и однофазного питания к
удовлетворяют различные потребности регулирования крошечного потока в давлении, потоке, температуре и уровне жидкости.
Этот клапан особенно подходит для различных областей крошечного потока и высокой точности управления.
Спецификация:
| Размер клапана | DN15-DN250 |
| Размеры корпуса | PN1,6MPa |
| Соединения тела | Вафля, фланце. |
| Тип сиденья | Металлическая уплотнитель из нержавеющей стали,мегкая уплотнитель из ПТФЕ |
| Время действия | 30 S ((0-90°) |
| Электрическое питание | AC220V |
| Сигнал управления | 4 ~ 20 мА 0 ~ 5 В |
| Выходной сигнал | 4 ~ 20 мА 0 ~ 5 В |
| Рабочее давление | PN1,6Mpa PN2,5Mpa |
| Средняя температура | ≤ 350°C |
| Температура окружающей среды | ≤ 50°C |
| Коэффициент потока ((CV): | Пожалуйста, загрузите данные на нашем сайте для справки |
| Применяемая среда | Масляная масса, угольная масса, бумажная масса, вода, нефть, газ |
| Мертвая зона | 00,5% |
| Ошибка повторения | 00,5% |
| Материал корпуса | SUS304 SUS316 WCB |
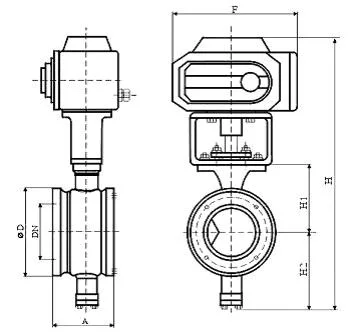
Фигура и размер соединения

|
Размер клапана DN ((mm) |
А. |
φd |
H1 |
Н2 |
H |
F |
| 15 | 62 | 54 | 74 | 75 | 390 | 210 |
| 20 | 62 | 54 | 74 | 75 | 390 | 210 |
| 25 | 62 | 54 | 74 | 75 | 390 | 210 |
| 32 | 62 | 78 | 80 | 75 | 400 | 210 |
| 40 | 62 | 82 | 85 | 75 | 405 | 210 |
| 50 | 75 | 100 | 87 | 95 | 430 | 210 |
| 65 | 80 | 120 | 105 | 115 | 460 | 210 |
| 80 | 100 | 131 | 115 | 125 | 520 | 270 |
| 100 | 115 | 158 | 125 | 125 | 530 | 270 |
| 125 | 130 | 180 | 140 | 155 | 570 | 270 |
| 150 | 160 | 216 | 153 | 165 | 600 | 270 |
| 200 | 200 | 260 | 200 | 195 | 680 | 270 |
| 250 | 240 | 325 | 225 | 225 | 730 | 270 |
Диаграмма управления
| Модель | Круговая | Модель | Круговая |
| S | Включение/выключение, отсутствует выходный сигнал | КПТ | Сигнал включен/выключен, выход 4~20mA |
| МР | Включен/выключен, выходный сигнал пассивного контакта | ПКУ | Регулирование, выходный сигнал 4 ~ 20mA |
| ИПУ | Сигнал включен/выключен, выход 0~1000Ω | G | Включен/выключен, выходный сигнал пассивного контакта |
| SP | Включение/выключение, управление средним положением | H | Включение/выключение, выходная сигнализация пассивного контакта |
Упаковка и перевозка
1.Упаковка: внутри с пузырьком, снаружи с картонной коробкой идеревянныеДело.
2Перевозка: морским, воздушным, железнодорожным транспортом.
Если у вас есть другие требования, пожалуйста, не стесняйтесь сказать нам.