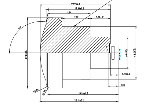
| Спецификация | JZ-9189 |
| Круг изображения MAX | >Ø4.1 |
| КРК |
23°
|
| ОКРЕННАЯ ДЛУЖИНА (ОКР) | f 1,02 мм |
| F/NO (бесконечный) | F/NO 2.0 |
| ВСЕГО ДЛОГО | TTL22.19mm |
| Длина задней стороны бедра | FBL 2,2 мм |
| Поле зрения | D:210° H 190,4° V 141,2° |
| Водостойкий и пылестойкий | IP6K8&IP6K9K |
| Относительное освещение |
>43% ((Ø3,84)
|
| ЭЛЕМЕНТ | 2G4P |

Я...Мониторинг безопасности: Широкое поле зрения подходит для камер видеонаблюдения и может охватывать большую зону наблюдения.
Я...Камера, установленная на транспортном средстве: Подходит для систем камер, установленных на транспортном средстве, таких как панорамные системы помощи при парковке.
Я...Камера дронов: Из-за своего легкого веса и высокого разрешения он подходит для аэрофотосъемки с беспилотных летательных аппаратов.
Я...Умный дом: Широкое поле зрения и определенное качество изображения делают его подходящим для систем безопасности умного дома.
Я...Панорамная камера: Благодаря своему широкому поле зрения, он подходит для панорамных камер, таких как панорамные камеры или приложения VR.
Я...Промышленная инспекция: Высокое разрешение и широкое поле зрения подходят для систем промышленного зрения.

Guangtongdian Group Ltd была основана в 2005 году. На сегодняшний день ее общие инвестиции составляют 250 миллионов юаней.,Сянян провинции Хубэй и Наньян провинции Хэнань.
Группа является предприятием, специализирующимся на разработке дизайна, производстве и продаже различных оптических линз и оптических компонентов, которое получило ряд патентов на продукцию.Продукция в основном содержит линзы широкого диапазона, высокоразборчивые мегапиксельные объективы, стандартные фиксированно-фокальные объективы, конфокальные объективы дневного и ночного вида и телеобъективы и т. д. Есть продукты, полезные для автомобильных камер, такие как парковочная дорожка для заднего вида,Панорамный дисплей 360 градусов, автомобильный DVR, ASAS и устройства ночного видения автомобилей и т. д.; продукты для умного дома, такие как мониторинг безопасности и защиты, APP Wifi камера, IP камера, умный цифровой дверной просмотрщик, визуальный дверной звонок,робот-метатель, холодильник и кондиционер и т.д.; цифровые продукты, такие как спортивные DV, аэрофотосъемки, панорамные камеры, записывающие устройства для правоохранительных органов, AR/VR и т.д.; и промышленные продукты,такие как умное распознавание радужной оболочки для машины, сканеры, лазерные приборы и инструменты, широко используемые в оптическом поле.Он доступен для предоставления технического руководства для исследований и применения настраиваемых оптических линз и компонентов..
С момента своего создания Группа всегда выполняет миссию создания духа, создания богатства,влияя на себя и приносить пользу другим и упорствует на пути развития высокой точности, высокий стандарт и высокая скорость.контроль качества и послепродажное обслуживание путем полного внедрения стандартов системы менеджмента качества ISO 9001& ISO/ITAF:16949.

Развивать дух, создавать богатство, влиять на себя, и развивать другие
Быть превосходным поставщиком в автомобильной электронике
Общение, уважение, ответственность
