Система мониторинга усталости водителя
Описание продукта
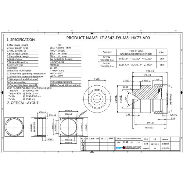
| Спецификация | JZ-8342 |
| Размер датчика | 1/4 дюйма. |
| Максимальная высота изображения | Ø4.6 |
| Фокальная длина (EFL) | f 3,0 мм |
| F/NO (неограниченный) | F/NO 4.32 |
| Задняя фокусная длина | BFL 2,59 мм |
| Длина задней части фланца | FB 1,2 мм |
| Поле зрения | D:62°H 52,6°V 32,2° |
| РИ ((%) | 75% |
| КРК | 140,8° |
| Элемент | 5G+IR |


Особенностьиз объектива автомобильной камеры
Стабильность оптического изображения: Автообъективы предназначены для поддержания четкости и стабильности изображения даже в условиях вибрации или быстрых изменений температуры,что имеет решающее значение для таких функций, как предупреждение об отходе от полосы движения и адаптивные фары..
Датчики высокого разрешения: С развитием ADAS (Advanced Driver Assistance Systems) наблюдается тенденция к увеличению количества пикселей в автомобильных объективах.Переход от 120 Вт к 200 Вт объективам и 800 Вт пикселям становится обычным для получения более детальных изображений..
Состав материала: Автомобильные линзы могут быть изготовлены из стекла, пластика или их комбинации.Пластиковые линзы дешевле, но могут деформироваться в суровых условияхГибридные линзы из стекла и пластика становятся популярными из-за их баланса стоимости и производительности.
Технология асферических линз: Асферические линзы помогают уменьшить отклонения, которые могут вызвать размытие изображения. Они позволяют одной линзе исправлять отклонения, которые обычно требуют нескольких сферических линз,что приводит к миниатюризации и улучшению производительности изображений .
Широкоугольное поле зрения: Автообъективы часто изготавливаются с ультраширокими углами, чтобы обеспечить широкий диапазон мониторинга, что особенно полезно для таких приложений, как камеры заднего вида и системы окружного обзора.
Возможности увеличения: Некоторые автомобильные объективы имеют возможности увеличения, что позволяет им регулировать фокусное расстояние и обеспечивать различные поля зрения без физического изменения объектива.
Прочность и устойчивость к погодным условиям: Автомобильные линзы изготовлены так, чтобы выдерживать суровые условия окружающей среды, в том числе высокие температуры, воздействие ультрафиолетовых лучей и влагу.Они часто оснащены защитным покрытием для повышения долговечности и надежности..
Низкая производительность света: Усовершенствованные автомобильные линзы могут включать такие технологии, как RGBW (красный, зеленый, синий и белый) массив пикселей для повышения производительности при низком освещении,Это позволяет лучше видеть и снимать изображения в тусклых условиях..
Высокоскоростной AF и стабилизация изображения: Для захвата изображений движущихся транспортных средств или в размытых сценариях движения автомобильные объективы могут включать высокоскоростную автофокусировку и оптическую стабилизацию изображения для обеспечения четкого и четкого изображения.
Применение из объектива автомобильной камеры
Существуют продукты, полезные для автомобильной камеры, такие как парковочная дорожка с задним видом, панорамный дисплей на 360 градусов, автомобильный DVR, ADAS и устройство ночного видения автомобиля и т. д.
Профиль компании
Guangtongdian Group Ltd была основана в 2005 году. На сегодняшний день ее общие инвестиции составляют 250 миллионов юаней.,Сянян провинции Хубэй и Наньян провинции Хэнань.
Группа является предприятием, специализирующимся на разработке дизайна, производстве и продаже различных оптических линз и оптических компонентов, которое получило ряд патентов на продукцию.Продукция в основном содержит линзы широкого диапазона, высокоразборчивые мегапиксельные объективы, стандартные фиксированно-фокальные объективы, конфокальные объективы дневного и ночного вида и телеобъективы и т. д. Есть продукты, полезные для автомобильной камеры, такие как парковочная дорожка для заднего вида,Панорамный дисплей 360 градусов, автомобильный DVR, ASAS и устройство ночного видения автомобиля и т. д.; умные продукты домашнего обихода, такие как мониторинг безопасности и защиты, APP Wifi камера, IP камера, умный цифровой дверной просмотрщик, визуальный дверной звонок,робот-метатель, холодильник и кондиционер и т.д.; цифровые продукты, такие как спортивные DV, аэрофотосъемки, панорамные камеры, записывающие устройства для правоохранительных органов, AR/VR и т.д.; и промышленные продукты,такие как умное распознавание радужной оболочки для машины, сканеры, лазерные приборы и инструменты, широко используемые в оптическом поле.Он доступен для предоставления технического руководства для исследования и применения настраиваемых оптических линз и компонентов..
С момента своего создания Группа всегда выполняет миссию создания духа, создания богатства,влияя на себя и приносить пользу другим и упорствует на пути развития высокой точности, высокий стандарт и высокая скорость.контроль качества и послепродажное обслуживание путем полного внедрения стандартов системы менеджмента качества ISO 9001& ISO/ITAF:16949.
Процесс производства
1 проверка и очистка материалов
2.сборка нижней линзы/разделителя
3 сборка средней линзы/разделителя
4 водонепроницаемые резиновые кольца
5 сборка верхней линзы
6 крышки замка
7 Проверка профиля
8 Проверка поверхности
9 гелирующее УФ-клея
10 Ультрафиолетовый клей
11 испытание водонепроницаемости (испытание герметичности)
12 Испытание вибрации
13 Чистая поверхность с пылевой крышкой
14 IR-палочек
15 Проверка на месте готового продукта/скла, если он соответствует требованиям
Преимущество и сертификат
Частые вопросы
1Почему мы выбрали Гуантонгдианскую Технологию?
О: Мы обещаем:Все наши продукты соответствуют отраслевым стандартам. Все с хорошим качеством и конкурентоспособной ценой.Мы гарантируем вам своевременную доставку, сохраняя 80% стандартного инвентаря продукции и лучшее послепродажное обслуживание.Все продукты были проверены на 100% перед отправкой.
2Какой диапазон применяется для этого продукта?
Ответ: Панорамная камера автомобиля, 360-градусная панорамная камера, зеркальная зеркальная камера VR, медицинская, спортивная DV, автономный автомобиль, оглядывайтесь вокруг, инфракрасное транспортное средство, ADAS, диктофон вождения, холодильник, видео дверной звонок и т.д.
3Ваши продукты могут пройти сертификат ROHS?
О: Да, наша продукция соответствует промышленным стандартам, например: TS16949/ISO9001/ROHS.
4. Принимаете заказ образца? Каково ваше минимальное количество заказа?
Ответ: Заказ на образцы принимается, но цена отличается от больших.
5Какие способы доставки вы можете предложить?
Ответ: По воздуху/морю в соответствии с требованиями заказчика.
6- У вас есть гарантия на продукцию?
О: Да, один год гарантии на повреждения, нанесенные не человеком.