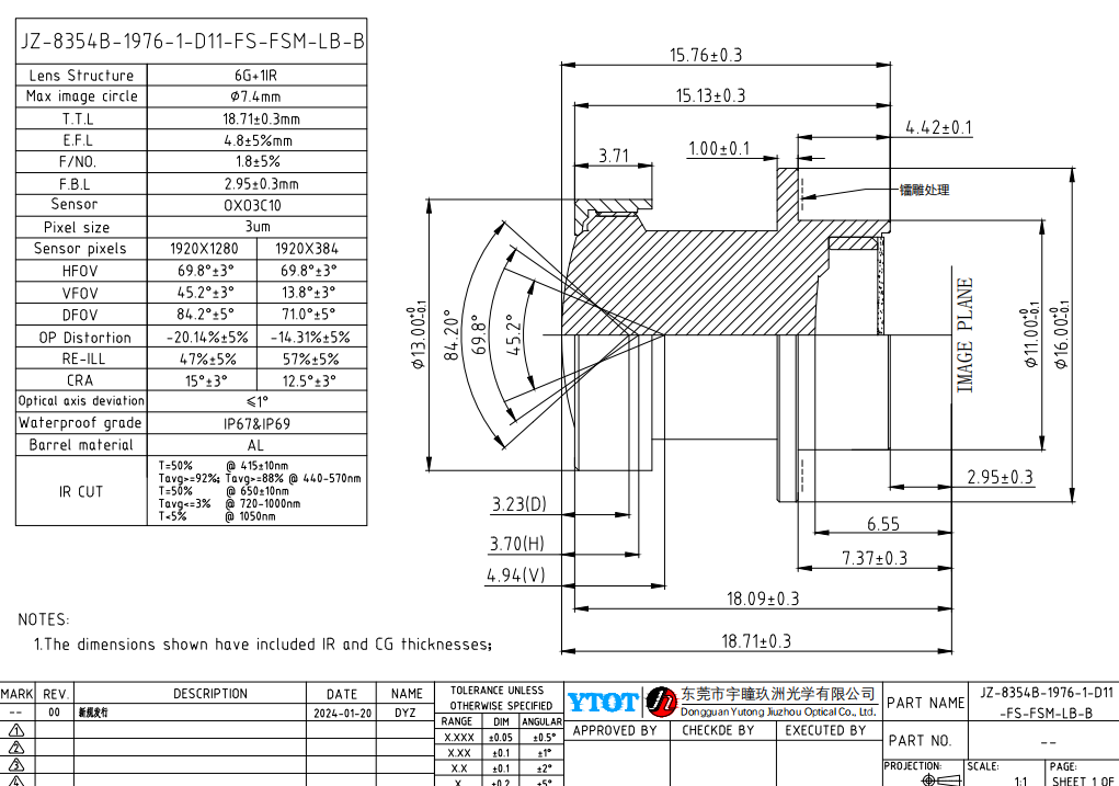
| Категория продукции | Очки системы монитора камеры |
| Элемент | 6G+1IR |
| Фокальная длина (EFL) | 40,8±5% мм |
| Максимальная высота изображения | Ø7.4 |
| Ф/НЕТ | 1.8 |
| Пиксели датчика | (1920×1080,2.9цм) |
| Поле зрения (диагонально) | D=80°H=69.8°V=39° |
| КРК | 15±3° |
|
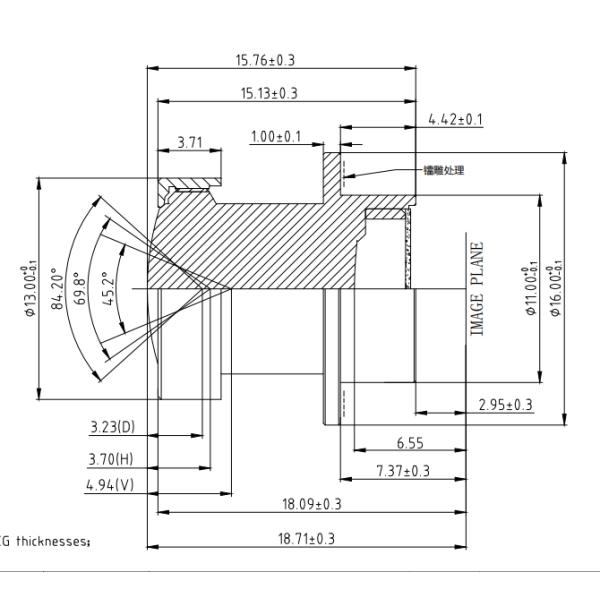
Длина спины |
4.5±3 мм |
| Общая длина | 18.71 мм |
| ОП Извращение | -16,8%±5% |
| Относительное просветление | 47%±5% |
| Водонепроницаемость | IP67 |
| Ночное зрение | Да, да. |


Применение:
Введение автомобильного объектива GTD JZ-8354, разработанного и изготовленного в Китае, сертифицированного по IATF 16949 и ISO 9001, обеспечивающего самые высокие стандарты качества.материал зеркальной трубы - алюминий (AL), может работать при 105°C, чтобы обеспечить долгосрочное использование и надежность.
Идеально подходит для ночного видения и приложений HDR ((High Dynamic Range), объектив камеры может заменить левое и правое зеркала,позволяет водителю лучше видеть и быстро реагировать на потенциальные опасности на дороге, улучшая опыт вождения.
Автомобильная линза GTD JZ-8345B подходит для различных приложений и сценариев, включая, но не ограничиваясь:
1Мониторинг безопасности: благодаря широкому углу и высокому разрешению, он подходит для камер наблюдения внутри и снаружи.
2. Умный дом: используется для умных дверных звонков, систем безопасности дома и других случаев, требующих широкоугольного мониторинга.
3Промышленное зрение: в системах машинного зрения, используемых для контроля качества или автоматизированной инспекции.
4. Камера для наружных видов спорта: благодаря своим водонепроницаемым характеристикам, подходит для наружных видов спорта и подводной фотографии.
5Медицинская визуализация: в некоторых медицинских изобразительных устройствах, которые требуют широкого поля зрения и высокой четкости.
6. UAV: используется для аэрофотосъемки и мониторинга беспилотных летательных аппаратов, обеспечивая широкое поле зрения.особенно в среде, которая требует широкого поля зрения и некоторой водостойкости.

Наш продукт Camera Lens поставляется с технической поддержкой и услугами для обеспечения оптимальной производительности и удовлетворенности клиентов.Наши квалифицированные техники доступны для оказания помощи с любыми вопросами установки или установкиКроме того, мы предлагаем регулярное техническое обслуживание для поддержания чистоты объектива и его правильного функционирования.Наша команда также может предоставить обновления прошивки, чтобы гарантировать, что продукт остается в курсе последних функций и возможностейМы стремимся предоставлять высококачественную поддержку и услуги нашим клиентам и всегда готовы помочь. Пожалуйста, не стесняйтесь связаться с нами, если у вас есть какие-либо вопросы или проблемы.

Вопрос: Какое название этого продукта?
Ответ: Торговая марка этого продукта GTD. В настоящее время обновленная серия - JZ, которая является подсерией YTJZ от YTOT Optics.
Вопрос: Где производится этот продукт?
О: Этот продукт изготовлен в Китае.
Вопрос:Почему мы выбрали Гуантонгдианскую Технологию?
Ответ:Мы обещаем:Все наши продукты соответствуют отраслевым стандартам, все с хорошим качеством и конкурентоспособной ценой.Мы гарантируем своевременную доставку, сохраняя 80% стандартного инвентаря продукции и лучшее послепродажное обслуживание.Все продукты были проверены на 100% перед отправкой.
Вопрос:Какой диапазон применяется для этого продукта?
A: Автомобиль, 360-градусная панорамная камера, зеркальная зеркальная камера VR, медицинская, спортивная DV, автономная машина, оглядывайся вокруг, инфракрасный автомобиль, ADAS, диктофон вождения.
Вопрос:Ваши продукты могут пройти сертификат ROHS?
О:Да, наша продукция соответствует промышленным стандартам, например: TS16949/ISO9001/ROHS.
Вопрос:Принимаете заказ образца? Каково ваше минимальное количество заказа?
Ответ: мы принимаем заказ на образцы, но цена отличается от больших.
Вопрос:Какие способы доставки вы можете предложить?
О:По воздуху/морю в соответствии с требованиями клиентов.Обычно мы используем DHL, FedEX и другие экспресс-сервисы.
Вопрос:Ваши продукты поставляются с гарантией?
Ответ: Да, один год гарантии на повреждения, нанесенные не человеком.

