Части мотора высокого давления M5X180 гидравлические отбрасывают крышку VOE 14577125 мотора
Запасные части экскаватора крышки мотора качания VOE14577125 M5X180
| Части гидронасоса для Handok | ||
| Главная крышка | Поршень сервопривода | Рычаг задней части питания |
| Плита клапана | Pin поршеня сервопривода | Пилотные насос/насос с зубчатой передачей |
| Цилиндровый блок | Проводник шарика | Подгаечник |
| Плита ботинка | Прокладка | Вашгерд |
| Ботинок поршеня | Разбивочный Pin | Pin связи |
| Swash плита | Стопорное устройство | Случай |
| Вашгерд | Толкнутый подшипник | Плита разъединения |
| Вал привода | Спиральная пружина | Плита трением |
| Установленная плита | Регулятор | Болт гнезда |
| Плита починки | Прокладка плиты починки | Плита цилиндра Block+Valve |
| Набор уплотнения гидронасоса | Держатель весны диска | Весна диска |
| Кольцо ботинка поршеня | Подшипник | |




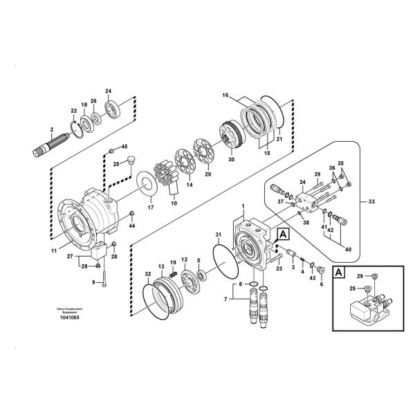
441.610. Мотор KOR S/N 110865 качания--GER S/N 120449 ДО 8287584
| Pos. | Номер детали | Qty | Имя частей | Комментарии |
| VOE14577125 | [1] | Мотор качания | ||
| 1 | VOE14600787 | [1] | Кожух | |
| 1 | SA8230-25950 | [2] | Pin весны | |
| 2 | VOE14596320 | [1] | Вал | |
| 3 | VOE14501798 | [2] | Плунжер | |
| 4 | VOE14501799 | [2] | Весна | |
| 5 | VOE14600785 | [1] | Подшипник ролика | |
| 6 | VOE14501802 | [2] | Штепсельная вилка | |
| 7 | VOE14518516 | [2] | Клапан сброса | |
| 8 | VOE990582 | [1] | Колцеобразное уплотнение | |
| 9 | VOE14511643 | [3] | Винт | |
| 10 | VOE14596323 | [9] | Поршень | |
| 11 | [1] | Кожух | ||
| 12 | VOE14596315 | [1] | Плита | |
| 13 | VOE14562617 | [1] | Поршень | |
| 14 | VOE14596317 | [1] | Плита | |
| 15 | VOE14594770 | [3] | Плита | |
| 16 | VOE14596308 | [2] | Плита | |
| 17 | VOE14596316 | [1] | Плита | |
| 18 | VOE14596313 | [3] | Крышка | |
| 19 | VOE14596309 | [20] | Весна | |
| 20 | VOE14596318 | [1] | Весна | |
| 21 | SA8230-25551 | [1] | Колцеобразное уплотнение | |
| 22 | VOE14596312 | [1] | Кольцо | |
| 23 | SA8230-25820 | [4] | Болт | |
| 24 | VOE14596311 | [1] | Подшипник ролика | |
| 25 | SA14594354 | [3] | Штепсельная вилка | |
| 26 | VOE14562616 | [1] | Уплотнение | |
| 27 | VOE14550664 | [1] | Клапан | |
| 28 | VOE14594353 | [2] | Штепсельная вилка | |
| 29 | VOE14600784 | [1] | Штепсельная вилка | |
| 30 | VOE14596319 | [1] | Цилиндр | |
| 31 | VOE14562615 | [1] | Колцеобразное уплотнение | |
| 32 | SA8230-33960 | [1] | Колцеобразное уплотнение | |
| 33 | VOE14550662 | [1] | Клапан | |
| 34 | VOE14550661 | [1] | Кожух | |
| 35 | VOE14550218 | [2] | Штепсельная вилка | |
| 36 | SA8230-26191 | [2] | Колцеобразное уплотнение | |
| 37 | VOE14529757 | [2] | Колцеобразное уплотнение | |
| 38 | VOE14533603 | [2] | Колцеобразное уплотнение | |
| 39 | SA8240-03610 | [4] | Винт | |
| 40 | VOE14684415 | [2] | Клапан | |
| 41 | VOE983509 | [1] | Колцеобразное уплотнение | |
| 42 | VOE14625240 | [1] | Кольцо | |
| 43 | VOE983530 | [2] | Колцеобразное уплотнение | |
| 44 | VOE14600784 | [1] | Штепсельная вилка | |
| 45 | SA8240-03280 | [2] | Штепсельная вилка | |
| 100 | VOE14601385 | [1] | Герметизируя набор |



Мы имеем больше чем 4000 квадратных метров трехмерного склада и больше чем 2000 квадратных метров на открытом воздухе склада
Оно обеспечивает что мы имеем достаточный инвентарь и отвечаем к потребностям клиентов более быстро. Быстрая доставка наше преимущество


вопросы и ответы:
Q: Чего можете вы сделать?
: Мы можем обеспечить вас с выкапывая двигателями конечной передачи и качания и коробкой передач редуктора и их частями.
Q: Как могу я оплатить заказ?
Q: Могу я приказать один из наших образцов для испытывать сперва?
: Конечно!
Q: Как я приказываю?
: Вам нужно сказать нам модель и количество вы заинтересованы внутри, и после этого мы выдадим proforma фактуру для вас. Товары будут подготовлены после получать оплату. Время на подготовку зависит от содержания заказа.
Q: Вы имеете фабрику?
: Да, мы имеем нашу собственную фабрику и имеем 22 лет опыта продукции в выкопенной экскаватором индустрии шестерни.