M6 нержавеющая сталь SEMS привинчивает голову Ален гнезда наговора металл привинчивает собранные шайбы
Винты нержавеющей стали SEMS совмещены с плоской шайбой и плоская шайба и обе шайбы положены на вал винта SEMS, под валом продеты нитку длина что диаметр больше чем диаметр вала для для предотвращения обеих шайб от смещать вне и для игры безопасной роли на объектах.
Винт полукруглой головки SEMS с внутренним гнездом наговора, вы можете принять ключ наговора к специальным винтам для дерева вручную, когда винты SEMS установлены на материал, плоская шайба или шайба весны увеличить больше трений на материале и винтах не легка для того чтобы быть отпустить и не подперла вне.
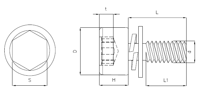
Спецификация
Нержавеющая сталь SEMS привинчивает с размером M4 x 20 mm с прикрепленной стандартной плоской шайбой и шайбой весны.

| Главный диаметр | D | 10,8 |
| Длина потока | L1 | 8 |
| Диаметр вала | d | M6 |
| Плоский размер шайбы | Стандарт | 1,5 x 12 |
| Размер шайбы весны | Стандарт | 1,5 x 10,5 |
| Во всю длину | L | 15 |
| Главная высота | H | 6 |
| Глубина гнезда | t | 4 |
| Ширина гнезда | S | 5,5 |
Идеальные особенности
●Хорошая дуктильность
●Высокая прочность на растяжение
●Отсутствие магнита
●Коррозионностойкий
●Точная шершавость
Механическое представление
| Материал | Класс свойства/значение |
| Нержавеющая сталь | 18-8 |
| Σb прочности на растяжение (MPa) | 650 |
| Σs прочности выхода (MPa) | 320 |
| Удлиненность δ5 (%) | 35 |
| Уменьшение ψ зоны (%) | 45 |
| Плотность g/cm3) | 7,98 |
Финиш
Полукруглая головка SEMS нержавеющей стали привинчивает отполированная поверхность с хорошей яркостью
| Финиш | Полировать |
| Шершавость | R6.3 |
| Поверхностный запрос | Отсутствие заусенцы и яркий |
Как установить винты SEMS
1, сверлит продетое нитку отверстие на части работы, размеры отверстия такое же как винт SEMS.
2, кладут винт SEMS в отверстие и поворачивают винт к поверхности части работы.
3, продвигают безопасные винты и затягивают винты в части работы.
Применения
Винты SEMS имеют широкие применения в индустрии и делают важные роли на безопасном и совместном.
Воздушно-космическое пространство ★
Автомобили ★
Сосуд ★
Поезда ★
Applicanes домочадца ★
Машины ★
★ Buliding
Украшение ★
Детали ★ электрические
Детали ★ официальные
Связь ★
Характеристики
▲Широкая многосторонность
▲Верхний материал
▲Быстрая установка
▲Удобная деятельность
▲Простой deign
▲Recylable
▲дружественный к Эко
▲Нормальные размеры
Подсказки для установок
1, винты нержавеющей стали SEMS отполировано и поверхность ярка, пожалуйста не поражает винты в материал во время установки для держит славное возникновение, особенно для декоративных применений.
2, пожалуйста принимают правые и соответствующие биты отвертки для того чтобы управлять винтами собственной личности нержавеющей стали выстукивая для более быстрой установки.