Медная строка 3.0А двойника Пин соединителя 25 ДБ Д сплава ПОД расклассифицировала течение
|
Расклассифицированное течение |
АК 3.0А (РМС) |
|
Материал - металл |
бронза светомассы |
|
Работая диапазон температур |
-55 ℃~+105℃ |
|
Материал - металл |
медный сплав |
|
Сопротивление изоляции |
минута 1000М омега |
|
Контактное сопротивление |
25 м омега Макс |
|
Сопротивление напряжения тока |
500В АК р.м.с |
|
Расклассифицированное напряжение тока |
АК 250В (РМС) /DC |
|
Материал - смола |
ПБТ УЛ94В-0 |
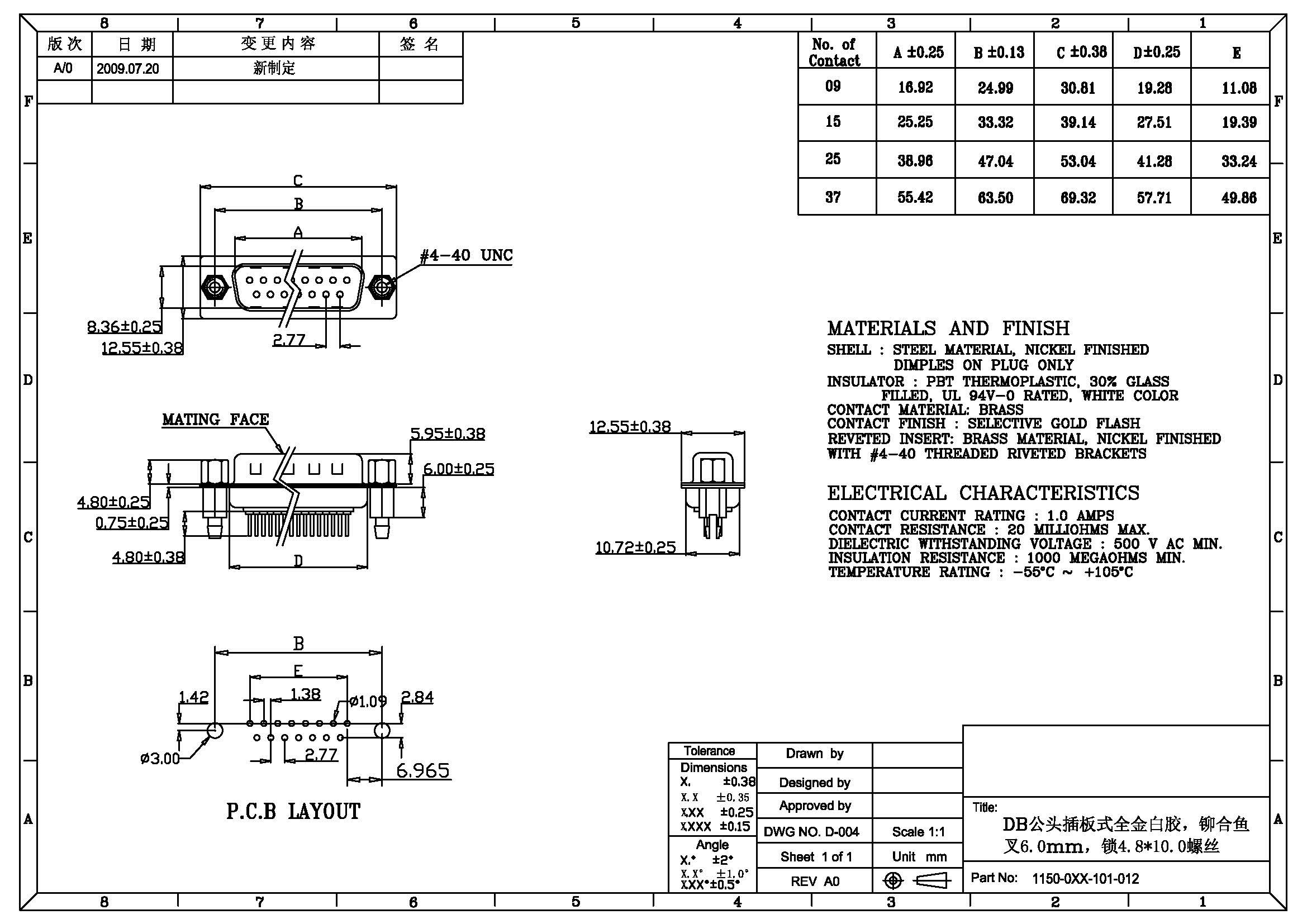
Характеристики использования Д-СУБ
Характеристики продукта Д-СУБ: Можно разделить в 2 строки, 3 строки линии заварки серии, мужской главной главной серии, с заклепками, с высокой степенью близкой реактивности и разнообразие фиксированных земных аксессуаров, всеобщее Д-СУБ, так, что совмещенная крышка, оно предохранения от гнезда и штепсельной вилки будет очень хороша на защищать ЭМИ. Сильнотоковое Д-СУБ может завершить хигх-денситы и сильнотоковую серию и может быть смешано с сигналом в то же время. Максимальное течение 50А. Коаксиальное Д-СУБ позволяет смешанному контакту в смешанной пользе, включая сигналы, Гаодяня и волокно, этот новый Н тип соединителя, улучшено путем совмещение военных продуктов.
Применение продукта
1. Широкий диапазон польз прошлого и настоящего для соединителей Д-подводной лодки. Эти включают кабели принтера, кнюппели компютерной игры и внешние дисководы. Они также использованы в некоторых системах аудиозаписи мульти-канала.
2. Она самая общая польза соединителя Д-подводной лодки как видео- соединитель. Это в штепсельной вилке и гнезде известных как ДЭ15, значить его Д в форме, определяет размер е в системе карамболя ИТТ, и имеет 15 штырей. Эти аранжированы в 3 строках 5.

Упаковывая детали
Большинств продукт не иметь МОК, общие соединители в запасе. Небольшой заказ можно принять.
Сумка ПЭ трубки коробки/ленты & подноса вьюрка.
особенная упаковка зависит от клиента.
Грузить
Если товары не большие:, то Федерал Экспресс, ДХЛ, ЭМС, УПС, ТНТ, метод доставки ект срочный.
Если товары большие:, то Метод доставки моря или воздуха.
Пожалуйста нитфы я вы имеете все особенные потребности.
Почему выберите КНДЖВИ
1. Высококачественная гарантия
КНДЖВИ фокусировало на улучшать системы проверки качества, направляя на обеспечивать изделия высокого качества которые приспособленный сертификат ИСО9001 в течение многих лет.
2. Конкурентоспособная цена
Мы имеем весь производственный процесс которые включают гальванизировать, штемпелюя, инжекционный метод литья набора, ассемлы для того чтобы обеспечить нашу компететиве цену.
3. Подгонянная упаковка
Все продукты доступны для подгонянной упаковки согласно вашему требованию.
4. Быстрая доставка
Самое эффективное произведение делает быструю доставку, которая убеждалась бы времени выполнения всегда впереди вашего ожидания.
5. Сериитехнических характеристик изделиязакончены, нотакжесделанный на заказ. Безопасноеинадежноекачество, конкурентоспособная цена.