отверстие ринва Пин длинного соединителя 10 заголовка монтажной платы защелки 3А вертикальное
| Имя | Положенный в кожух соединитель заголовка |
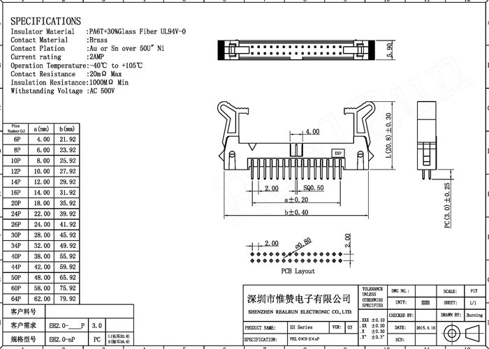
| Тангаж | 2.0мм |
| Тип | Тип ПОГРУЖЕНИЯ |
| Цвет изолятора | Чернота/серый цвет |
| Воспламеняемость изолятора | УЛ 94В-0 |
| Настоящая оценка | 2А |
| Контактное сопротивление (максимальное) | ом Макс 30м |
| Рабочий потенциал | 60В АК/ДК |
| Сопротивление изоляции (минута) | минута ома 1000М на ДК 500В |
| Материалы контакта | Золото/тин платинг |
| Покрытый контакт | Олово или золото над никелем |
| Материал изолятора | ПА6Т |
| Обработка температуры | -40~105℃ |
| Паковать | Упаковка подноса |
| ОЭМ/ОДМ | Принятый |
Описание
1. соединитель заголовка выталкивателя один из много типов соединителя.
2. Это не только европейский тип соединитель, но также разнообразие соединитель расклассифицированный согласно фактической пользе. Потому что своя форма подобна рожкам, она вызвана соединителем заголовка выталкивателя. Соединитель заголовка выталкивателя очень простое внутреннее оборудование проводки.
Как использовать положил соединитель в кожух заголовка
Соединителю заголовка выталкивателя обычно нужно обратить внимание направление ввода, перпендикулярное к направлению и наклонению ввода.
1. направление ввода: когда соединитель полно будет введен к у = 14,2, определенное контактное сопротивление будет обеспечено.
2. перпендикуляр к направлению ввода: если напечатанная доска или фиксированной установленный доской соединитель установленный плавать, то дизайн свободной и фиксированной доски установленный соединитель обеспечит по крайней мере смещение 1мм регулируемое.
3. наклонение: дизайн свободной и фиксированной плиты установленные соединители позволяет ошибке наклонения, которая ° ± 4 в продольном ° направления и ± 4 в поперечном направлении.

Категория
1. Согласно дистанционированию: 1.0мм, 1.27мм, 2.0мм, 2.54мм.
2. Нет штырей: 2~80 штырей.
3. Режим установки: прямо, прямоугольный, СМТ.
4. Согласно режиму установки плана, оно главным образом разделен в 180 градусов, 90 градусов, СМТ (вертикальный держатель СМТ, горизонтальное СМТ и прямоугольное СМТ);
вопросы и ответы
К: Могу я получить некоторые образцы?
А: Да, некоторые образцы свободны.
К. которое оплату можно признавать:
А: 1. Условия оплаты могут быть флексябле зависят от количества и продуктов.
2. Обычно, новый клиент мы предпочитаем 100% Т/Т прежде чем грузить или 30%Т/Т выдвигаются перед грузить.
К: Вы изготовление торговой компании?
А: Мы изготовление в Шэньчжэне, Китае.
К: Что срок поставки?
А: Оно обычно принимает около 3~7 рабочих дней для произведения продуктов.