Характер продукции:
Изготовители соединителя, профессиональные в произведении соединителя на больше чем 15 лет
Мы специализированы в электронных соединителях, электронных проводках провода и развитие оборудования, если вы не смогли найти точные детали, то вам нужны, пожалуйста отправляете нами ваши чертежи или изображения, мы обеспечим самое лучшее решение для вас.
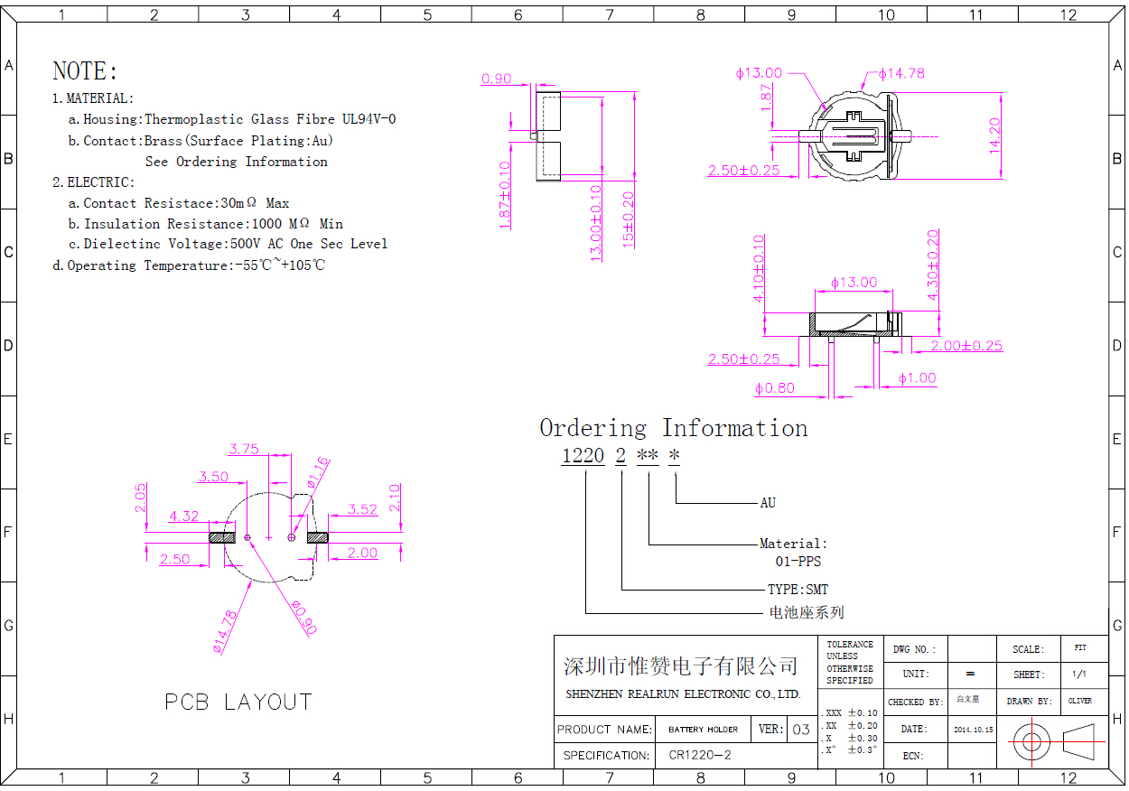
Вьюрок пакуя тип держателя батареи латунный SMT клетки монетки серии CR1220-2 прямой
Материал продукта: Высокотемпературное сопротивление LCP, терминал бронзы светомассы полудило.
Эксплуатационные характеристики продукта: Пластмасса сопротивления охраны окружающей среды и высокой температуры, высокая проводимость бронзового провода светомассы, прочное, стабилизированное представление плакировкой олова или золота, сопротивление оксидации и взаимодействие внешних факторов, длинный срок службы.
Объем применения: Держатель батареи монетки использован для того чтобы нагрузить батареи монетки и вообще сварен на доске PCB для того чтобы облегчить часы модуля электропитания батареи монетки или другие продукты потребителя электронные.
|
Имя |
Держатель батареи |
|
Снабжение жилищем |
Термопластиковое стекло - волокно (UL94V-0) |
| Температура деятельности | -55℃~+105℃ |
| Контактное сопротивление | 30mΩ Макс |
|
Сопротивление изоляции (минута) |
минута ома 1000M |
| Расклассифицированное напряжение тока | 500VAC один уровень Sec |
|
Контактное покрытие |
Золото или лудить |
|
Контакт |
Латунь |
| OEM/ODM | Принятый |
Пожалуйста чувствуйте, что свободно связаться мы для того чтобы отправить вас чертежу вас:

вопросы и ответы
Q: Вы изготовитель торговой компании?
: Мы фабрика в Шэньчжэне, Китае.
Q: Могу я получить некоторые образцы?
: Да, некоторые образцы свободны.
Q: Если случил с неполноценными продуктами получая товары, как общаться с?
1. рядом с невозможным товаров будет не хороший как раньше доставка, мы имейте много chekings для того чтобы подтвердить продукты никакая проблема. После этого если случено, RealRun принесет полностью ответственность.
2. Во первых: почему это будет случитесь, как случитесь, и как контролировать в будущем, таблица будет приведена вне для вашей проверки.
3. Во-вторых: обсудите решения.
4. В конце концов: RealRun принесет все гонорары если возвращающ и изменение товаров или потери причинили.
Почему выберите RealRun:
1. Мы оцениваем время, как большая валюта. Она известна что вы можете никогда не получать назад потерянное время. Все наши продукты сконцентрированы эта идея. На RealRun, мы обеспечиваем самый лучший путь решения сохранить ваше время.
2. Мы глубоко совершены к здоровью и безопасности мира. CNJWY снабжало систему экологического управления 14001:2004 ISO. Мы увеличивали наши экологические показатели. И мы прикладываем эту регулировку ко всему из нашего дела.
3. Все продукты доступны для подгонянной упаковки согласно вашему требованию.
4. Большинств эффективное произведение делает быструю доставку, которая убеждалась бы времени выполнения всегда впереди вашего ожидания.