Блок Tranter GC26 PHE для частей небольшого теплообменного аппарата рамки плиты падения давления запасных
Введение теплообменного аппарата плиты
В PHE плиты создают рамку куда плиты отжаты с заголовками и барами связи, и уплотнение гарантировано набивками. Набивки, в дополнение к их герметизируя влиянию, служат сразу подача жидкостей, и помещены вдоль пазов на краях плит.
Максимальные температуры используемые для герметизировать теплообменные аппараты между 80℃ и 200℃ пока давления могут достигнуть бар 25.
Набивки доступны в различных типах бутила или силиконовой резины.
Основные характеристики этих типов теплообменных аппаратов являются следующими:
- быстрый и легкий разбирать для очищать и операций по контролю
- приспособление к переменным эксплуатационным режимам путем добавление или извлекать плит жары для того чтобы доработать установленную термальную подачу
- все жидкие утечки должные к не-идеальному запечатыванию набивок не загрязняют другую жидкость а направлены прочь
- материалы которые бедно приспособлены к паять, как титан, могут быть использованы
- набивки ограничивают максимальные значения давления и температуры
- потенциально высокие цены должные к дизайну прессформ, пресс и полностью производственного процесса
- высокая цена набивок

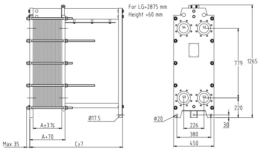
Спецификация теплообменного аппарата модельной плиты GC26
| Поверхностная область | 0.26㎡ |
| Угол тэты плиты | 66 ° ° 114 |
| Диаметр соединения | 105 mm |
| Плита гофрирует толщину | 4 mm |
| Ширина Length* центра плиты | 779 * 226,5 mm |
| Форма Length*Width плиты | 941 * 384 mm |
Данные по теплообменного аппарата плиты GC26 технические

| Стандартный размер соединения | DN100 |
| Затягивать болт | M20 |
| Но. длинных затягивая болтов (TL) | 4 |
| Но. коротких затягивая болтов (Ts) | 6 |
| Толщина крышки | 35mm |
| Вес направляя бара |
11 kg/m |
| Вес усиленного направляя бара | 17 kg/m |
| Вес затягивать болт | 2,0 kg/m |
| -размер |
4.5*n mm |
| C-размер | LG+41 mm |
| F-размер | LG+6 mm |
|
Вес plate+gasket (w) AISI 304/316 0,5 mm AISI 304/316 0,6 mm Титан 0,5 mm Титан 0,6 mm |
1,5 kg 1,8 kg 1,0 kg 1,1 kg |
| Рамка веса | 313+n*W kg |
| Макс нет плит | LT L | LG | C | F |
| 19 | 250 | 600 | 641 | 606 |
| 37 | 375 | 600 | 641 | 606 |
| 54 | 500 | 600 | 641 | 606 |
| 56 | 500 | 1000 | 1041 | 1006 |
| 92 | 750 | 1000 | 1041 | 1006 |
| 113 | 1000 | 1000 | 1041 | 1006 |
| 129 | 1000 | 1350 | 1391 | 1356 |
| 164 | 1250 | 1350 | 1391 | 1356 |
| 181 | 1250 | 1550 | 1591 | 1556 |
| 166 | 1250 | 1550 | 1591 | 1556 |
| 194 | 1500 | 1550 | 1591 | 1556 |
| 203 | 1500 | 1900 | 1941 | 1906 |
| 245 | 2000 | 1900 | 1941 | 1906 |
| 276 | 2000 | 2250 | 2291 | 2256 |
| 297 | - | 2250 | 2291 | 2256 |
| 407 | - | 3000 | 3041 | 3006 |
LT болт l = длины длинный tightning, основанный на *n 6,8 +118 mm
LG = бар длины направляя, основанный на 6,9 * n +230 mm
номер n= плит (LG>2875 mm усилило направляя высоту +60mm бара.
Изображения набивкой & плитой теплообменного аппарата плиты GC26



Плиты серии ОБЩЕГО РУКОВОДСТВА
Плиты GCP
Применения где падение низкого давления необходимо или определение размеров блока ограничены падением pressue (низкой тэтой) идеальная спичка для плиты серии GCP.
Плиты серии GCP конструированы с обычной шевронной картиной, с пазом набивкой в плоскости нижнее. Дизайн плиты использует направление параллельной подачи, в отличие от серии GX, которая отличает раскосной подачей через плиту. Должный к более глубокой глубине притяжки и картине в зоне распределения подачи, плиты серии GCP производят drio значительно низкого давления чем соответствуя плиты серии GX. Оба повсюду версии тэты доступны во всех 3 плитах серии GCP. Это позволяет гибкости удовлетворять широкий диапазон применений.
Стандартные материалы плиты EN 1,4301 (304SS), EN 1,4401 (316SS), и титан, но требования для Hastelloy C-276, 254SMO или других холодн-сформированных сплавов можно приспособить. Стандартные материалы набивкой NBR, EPDM и Flouroelastomer.
Плиты GCD
Плиты серии GCD идеальны для применений с очень небольшой разницой в температуры, GCD-016, GCD-044 и плиты GCD-054 конструированы с обычной шевронной картиной, раскосным направлением подачи и с пазом набивкой в плоскости нижнее.
Стандартные материалы плиты EN 1,4301 (304SS), EN 1,4401 (316SS). Стандартный материал набивкой NBR.
| Тип | Размер соединения | Тип | Размер соединения |
| GCP-026 | DN100 | GCD-016 | DN50 |
| GCP-051 | DN150 | GCD-044 | DN100 |
| GCP-060 | DN200 | GCD-054 | DN150 |
Выбор набивкой GC26
Склеенные набивки
Набивки плиты M&C specilly отлитые в форму эластомеры для того чтобы уверить главное представление.
Многочисленные материалы набивкой - NBR, EPDM, Viton, неопрен, Butyl.Hypalon, Тефлон-поместил NBR и другие - имеют в распоряжении соответствовать вашим отростчатым условиям, к максимальным рабочим температурам 180℃.
Зажим-на набивках
Рассматривайте M&C Зажим-на glueless системе набивкой везде, где регулярная чистка необходима или агрессивные жидкости сокращают жизнь набивкой. Уникальный дизайн позволяет легкому и быстрому зажим-на установке точно герметизировать и простое удаление.
Зажим-на доступны в NBR и EPDM, и промышленных и оценках УПРАВЛЕНИЯ ПО САНИТАРНОМУ НАДЗОРУ ЗА КАЧЕСТВОМ ПИЩЕВЫХ ПРОДУКТОВ И МЕДИКАМЕНТОВ. Эти набивки точности отлиты в форму под неукоснительными изготовляя контролями и перекис-вылечены для длинной жизни и превосходного сопротивления набора обжатия.

Преимущество теплообменного аппарата плиты GC26 с раковиной и - обменники трубки
Почему заполните вверх ваше машинное отделение с тяжелым, громоздким оборудованием, когда эффективность и экономика жизненно важные факторы?
Теплообменный аппарат плиты от M&C только около 1/3 из размера и 1/6 веса обменника трубки раковины соответствующего представления. Даже если может показаться разумно проинвестировать в обменнике трубки, это имело бы гораздо выше стоимость жизненного цикла чем теплообменный аппарат плиты.
Одна причина что свойства передачи тепла теплообменного аппарата плиты 3 до 5 времени более высоко. Другое близкий подход к температуры который как низок как 1 ℃.
Эффективность оплачивает!
Теплообменный аппарат плиты предлагает много преимуществ сравненных с обычными обменниками раковин-и-трубки
Преимущество теплообменного аппарата плиты

Как обеспечить обслуживание теплообменного аппарата плиты?
Обслуживание теплообменного аппарата плиты обеспечено через 2 отдельных метода:
Основная разница между этими 2 методами нет не как, а где и который выполняет обслуживание. CIP выполнен в промышленном предприятии для быстрого восстановления и продолжаемой пользы оборудования, и он обычно выполнен человеком на попечении обслуживания. Использовать и утвержденный очищая объект для обслуживания требуют извлекать оборудование и грузящ его к объекту вне завода где аттестовал обслуживание персонала обслуживания теплообменный аппарат плиты. Более тщательное рассмотрение на каждом методе поможет свету shel на котором самый лучший.
Обслуживание CIP из-за преимуществ быстрых turmarounds в цикле обслуживания, CIP привлекательный метод обслуживания. Оно более быстр, удобный и простой. Также предпочитаемый очищая метод когда особенно въедливые жидкости обрабатываются. Типично, деятельность CIP была бы следующим образом:
Утвержденные очищая объекты. Недостатки утвержденных очищая объектов клонят быть измеренным вверх-передней ценой и редко для реальных преимуществ достигл.
На утвержденном очищая объекте, каждая плита внесена в журнал и визуально проверена для того чтобы определить если она заслуживает reconditioning. Клиент сообщен если любая плита underviceable и почему. Перекрестные контроли объекта свое databased к conirm спецификации теплообменного аппарата плиты первоначальные и после этого проводят близкий визуальный контроль набивок и точек соприкосновения на остальных плитах для того чтобы определить если любые размывание или явное изменение от первоначальной спецификации. После этого определены точные чистка и необходимы процесс обработки.
Плиты давлени-помыты, прополосканы и подверганы к любой горячий каустический обнажать и/или ручная процедуре для удаления набивкой и масштабом. Они подвергаются к погружению в разнообразие кислотах совместимых с материалом плиты для того чтобы извлечь баланс всех foulants. Очищенные плиты полно визуально проверены и забор 10 процентов плит испытанный краск-пенетрант. Каждая испытанная плита распылена с краской и проверена под светом eltraviolet для того чтобы обнаружить местонахождение все утечки или отказы штыр-отверстия. После этой процедуры, плиты снова давлени-помыты и прополосканы для того чтобы извлечь все трассировки краски.
Плиты после этого re-gasketed с прилипателем набивкой OEM-спецификаций который облегчает ремонт поля если необходимо. Плиты получают тщательный осмотр перед быть упакованным и погруженным. Блоки гидростатически испытаны до пересылки.
Изображения теплообменного аппарата плиты


Направление компании частей жары M&C
CO. частей жары M&C, Ltd основано в Wuxi, Цзянсу. M&C специализировано в конструируя и изготовляя высококачественном оборудовании передачи тепла. Разряд продукта состоит из плит & набивок, теплообменных аппаратов плиты, gasketed теплообменных аппаратов и паяемых теплообменных аппаратов. Таким образом, по мере того как один из немногих производителей всемирно, M&C предлагает решения с оптимальными термодинамическими дизайнами для различных индустрий и виртуально всех применений.
M&C обеспечивают вас с универсальным обслуживанием аксессуаров, multuple-брендом & множественными модельными альтернативами для вашего выбора. Мы соотвествуем все ваши теплообменного аппарата плиты и сдержим вашу машину побежать contunously через наши богатое хранение и быстрый ответ.
Кроме того, мы имеем строгую систему проверки качества и послепродажного обслуживания, от материала покупая к законченному пакету продукта до тех пор пока продукт не получит в хорошем состоянии. Наши продукты широко были использованы во всем мире в различных полях.


M&C покрывают плиты теплообменного аппарата & набивки другие модели рекомендуют
Sondex/Danfoss - S4A, S7, S20, S21, S22, S41, S43, S47, S65, S81, S86, S100, S120, S130, SFD7, SFD13, SW19 и так далее;
APV/SPX - H17, N25, N35, A055, A085, J060, J092, J107, M92, M107, K55, K71, B110, B134, P105, P190, SR1, SR2, TR9GN, TR9AL и так далее;
Tranter/Swep - GX12, GL13, GC26, GC51, GX26, GX51, GX42, GX64, GX85, GX91, GX140, GX145 и так далее;
API/Schmidt - сигма 7, сигма 9, сигма 13, сигма 26, сигма 27, сигма 36, сигма 66, сигма 106, сигма 229, звезда 45 сигмы, звезда 90 сигмы и так далее;
Vicarb - V4, V13, V20, V28, V45, V60, V100, V110, V130 и так далее;
Hisaka - EX11, EX15, EX15, LX026, LX195, LX395, LX595, RX135, RX395, RX595, UX115, UX225, UX395, UX495, UX815, UX995 и так далее;
GEA - VT04, VT10, VT20, VT40, VT80, VT405, VT805, VT1306, NT50M, NT50X, NT100S, NT150S, NT150L, NT250M, NT250L и так далее;
Funke - FP04, FP05, FP14, FP16, FP08, FP22, FP31, FP40, FP41, FP70, FP100, FP120 и так далее;
Thermowave - TL200SS/PP, TL250SS/PP, TL400SS/PP. TL650SS/PP и так далее;
DHP - DX143, DX146, DX20V, DX20DL, DX20DM, DX30S, DX36M и так далее;
LHE - HT101, HT102, HT104, HT151, HT152, HT202, HT232, HT233 и так далее;
Товары теплообменного аппарата плиты M&C готовые к доставке
