Плиты и набивки теплообменного аппарата плиты Tranter GL13 для морского водяного охлаждения Джек
Введение теплообменного аппарата плиты
Теплообменные аппараты плиты сперва были произведены в 1920s и с тех пор широко были использованы в огромное количество участков.
Обменник плиты состоит из серии параллельных плит которые помещены одно над другим позволить образованию серии каналов для жидкостей пропустить между ими.
Пространство между 2 смежных плиты формирует канал в котором потоки жидкости.
Отверстия входа и выхода на углах плит позволяют горячим и холодным жидкостям через чередуя каналы в обменник так, что плита будет всегда в контакте на одной стороне с горячей жидкостью и другом с холодом.
Размер плиты может выстроить в ряд от немного квадратных метров сантиметров (сторона 100mm * 300mm) до 2 или 3 квадратных (сторона 1000mm * 2500mm). Число плит в одиночном обменнике выстраивает в ряд от как раз 10 до несколько 100, так достигающ поверхностные зоны обменника до тысяч квадратных метров.
Вообще, эти плиты гофрированы для увеличения завихрения, термальной поверхности обменника и для того чтобы снабдить механическую ригидность обменник. Рифлевание достигано ковка вхолодную металлического листа с толщинами 0.3mm к 1mm.
Наиболее часто используемые материалы для плит нержавеющая сталь (AISI 304, 316), титан и алюминий.
Рифлевание на силах плит жидкость на уклончивом пути, устанавливая пространство между 2 смежных плиты b, от 1 до 5 миллиметров.

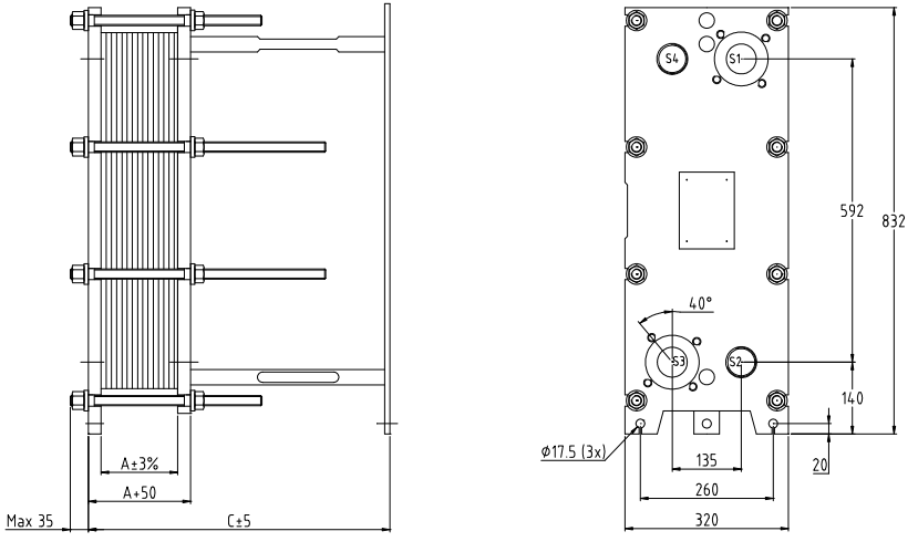
Спецификация теплообменного аппарата модельной плиты GX12
| Поверхностная область | 0.13㎡ |
| Угол тэты плиты | 85°115° |
| Диаметр соединения | 67 mm |
| Плита гофрирует толщину | 3 mm |
| Ширина Length* центра плиты | 592*135 mm |
| Форма Length*Width плиты | 714*250 mm |
Данные по теплообменного аппарата плиты GL13 технические

| Стандартный размер соединения | DN50 |
| Затягивать болт | M20 |
| Но. длинных затягивая болтов (TL) | 4 |
| Но. коротких затягивая болтов (Ts) | 4 |
| Толщина крышки | 25mm |
| Вес направляя бара |
1,4 kg/m |
| Вес затягивать болт | 2,0 kg/m |
| -размер |
3.4*n mm |
| C-размер | LG |
| F-размер | LG-25mm |
|
Вес plate+gasket (w) AISI 304/316 0,5 mm AISI 304/316 0,6 mm Титан 0,5 mm Титан 0,6 mm |
0,76 kg 0,91 kg 0,46 kg 0,55 kg |
| Рамка веса | 110+n*W kg |
| Макс нет плит | LT L | LG | C | F |
| 71 | 500 | 590 | 590 | 565 |
| 115 | 750 | 840 | 840 | 815 |
| 159 | 1000 | 1090 | 1090 | 1065 |
LT болт l = длины длинный tightning
LG = бар длины направляя
номер n= плит
Изображения набивкой & плитой теплообменного аппарата плиты GX12



Плиты GL13
Плиты шевронн-стиля серии GL имеют большую пядь тэты, включающ точно настроенные падение давления и скорость теплопередачи.
Выбор набивкой GL13
Склеенные набивки
Набивки плиты M&C specilly отлитые в форму эластомеры для того чтобы уверить главное представление.
Многочисленные материалы набивкой - NBR, EPDM, Viton, неопрен, Butyl.Hypalon, Тефлон-поместил NBR и другие - имеют в распоряжении соответствовать вашим отростчатым условиям, к максимальным рабочим температурам 180℃.
Зажим-на набивках
Рассматривайте M&C Зажим-на glueless системе набивкой везде, где регулярная чистка необходима или агрессивные жидкости сокращают жизнь набивкой. Уникальный дизайн позволяет легкому и быстрому зажим-на установке точно герметизировать и простое удаление.
Зажим-на доступны в NBR и EPDM, и промышленных и оценках УПРАВЛЕНИЯ ПО САНИТАРНОМУ НАДЗОРУ ЗА КАЧЕСТВОМ ПИЩЕВЫХ ПРОДУКТОВ И МЕДИКАМЕНТОВ. Эти набивки точности отлиты в форму под неукоснительными изготовляя контролями и перекис-вылечены для длинной жизни и превосходного сопротивления набора обжатия.

Преимущество теплообменного аппарата плиты GL13 с раковиной и - обменники трубки
Почему заполните вверх ваше машинное отделение с тяжелым, громоздким оборудованием, когда эффективность и экономика жизненно важные факторы?
Теплообменный аппарат плиты от M&C только около 1/3 из размера и 1/6 веса обменника трубки раковины соответствующего представления. Даже если может показаться разумно проинвестировать в обменнике трубки, это имело бы гораздо выше стоимость жизненного цикла чем теплообменный аппарат плиты.
Одна причина что свойства передачи тепла теплообменного аппарата плиты 3 к 5 раз высокой. Другое близкий подход к температуры который как низок как 1 ℃.
Эффективность оплачивает!
Теплообменный аппарат плиты предлагает много преимуществ сравненных с обычными обменниками раковин-и-трубки
Преимущество теплообменного аппарата плиты

Как обеспечить обслуживание теплообменного аппарата плиты?
Обслуживание теплообменного аппарата плиты обеспечено через 2 отдельных метода:
Основная разница между этими 2 методами нет не как, а где и который выполняет обслуживание. CIP выполнен в промышленном предприятии для быстрого восстановления и продолжаемой пользы оборудования, и он обычно выполнен человеком на попечении обслуживания. Использовать и утвержденный очищая объект для обслуживания требуют извлекать оборудование и грузящ его к объекту вне завода где аттестовал обслуживание персонала обслуживания теплообменный аппарат плиты. Более тщательное рассмотрение на каждом методе поможет свету shel на котором самый лучший.
Обслуживание CIP из-за преимуществ быстрых turmarounds в цикле обслуживания, CIP привлекательный метод обслуживания. Оно более быстр, удобный и простой. Также предпочитаемый очищая метод когда особенно въедливые жидкости обрабатываются. Типично, деятельность CIP была бы следующим образом:
Утвержденные очищая объекты. Недостатки утвержденных очищая объектов клонят быть измеренным вверх-передней ценой и редко для реальных преимуществ достигл.
На утвержденном очищая объекте, каждая плита внесена в журнал и визуально проверена для того чтобы определить если она заслуживает reconditioning. Клиент сообщен если любая плита underviceable и почему. Перекрестные контроли объекта свое databased к conirm спецификации теплообменного аппарата плиты первоначальные и после этого проводят близкий визуальный контроль набивок и точек соприкосновения на остальных плитах для того чтобы определить если любые размывание или явное изменение от первоначальной спецификации. После этого определены точные чистка и необходимы процесс обработки.
Плиты давлени-помыты, прополосканы и подверганы к любой горячий каустический обнажать и/или ручная процедуре для удаления набивкой и масштабом. Они подвергаются к погружению в разнообразие кислотах совместимых с материалом плиты для того чтобы извлечь баланс всех foulants. Очищенные плиты полно визуально проверены и забор 10 процентов плит испытанный краск-пенетрант. Каждая испытанная плита распылена с краской и проверена под светом eltraviolet для того чтобы обнаружить местонахождение все утечки или отказы штыр-отверстия. После этой процедуры, плиты снова давлени-помыты и прополосканы для того чтобы извлечь все трассировки краски.
Плиты после этого re-gasketed с прилипателем набивкой OEM-спецификаций который облегчает ремонт поля если необходимо. Плиты получают тщательный осмотр перед быть упакованным и погруженным. Блоки гидростатически испытаны до пересылки.
Изображения теплообменного аппарата плиты


Направление компании частей жары M&C
CO. частей жары M&C, Ltd основано в Wuxi, Цзянсу. M&C специализировано в конструируя и изготовляя высококачественном оборудовании передачи тепла. Разряд продукта состоит из плит & набивок, теплообменных аппаратов плиты, gasketed теплообменных аппаратов и паяемых теплообменных аппаратов. Таким образом, по мере того как один из немногих производителей всемирно, M&C предлагает решения с оптимальными термодинамическими дизайнами для различных индустрий и виртуально всех применений.
M&C обеспечивают вас с универсальным обслуживанием аксессуаров, multuple-брендом & множественными модельными альтернативами для вашего выбора. Мы соотвествуем все ваши теплообменного аппарата плиты и сдержим вашу машину побежать contunously через наши богатое хранение и быстрый ответ.
Кроме того, мы имеем строгую систему проверки качества и послепродажного обслуживания, от материала покупая к законченному пакету продукта до тех пор пока продукт не получит в хорошем состоянии. Наши продукты широко были использованы во всем мире в различных полях.


M&C покрывают плиты теплообменного аппарата & набивки другие модели рекомендуют
Sondex/Danfoss - S4A, S7, S20, S21, S22, S41, S43, S47, S65, S81, S86, S100, S120, S130, SFD7, SFD13, SW19 и так далее;
APV/SPX - H17, N25, N35, A055, A085, J060, J092, J107, M92, M107, K55, K71, B110, B134, P105, P190, SR1, SR2, TR9GN, TR9AL и так далее;
Tranter/Swep - GX12, GL13, GC26, GC51, GX26, GX51, GX42, GX64, GX85, GX91, GX140, GX145 и так далее;
API/Schmidt - сигма 7, сигма 9, сигма 13, сигма 26, сигма 27, сигма 36, сигма 66, сигма 106, сигма 229, звезда 45 сигмы, звезда 90 сигмы и так далее;
Vicarb - V4, V13, V20, V28, V45, V60, V100, V110, V130 и так далее;
Hisaka - EX11, EX15, EX15, LX026, LX195, LX395, LX595, RX135, RX395, RX595, UX115, UX225, UX395, UX495, UX815, UX995 и так далее;
GEA - VT04, VT10, VT20, VT40, VT80, VT405, VT805, VT1306, NT50M, NT50X, NT100S, NT150S, NT150L, NT250M, NT250L и так далее;
Funke - FP04, FP05, FP14, FP16, FP08, FP22, FP31, FP40, FP41, FP70, FP100, FP120 и так далее;
Thermowave - TL200SS/PP, TL250SS/PP, TL400SS/PP. TL650SS/PP и так далее;
DHP - DX143, DX146, DX20V, DX20DL, DX20DM, DX30S, DX36M и так далее;
LHE - HT101, HT102, HT104, HT151, HT152, HT202, HT232, HT233 и так далее;
Товары теплообменного аппарата плиты M&C готовые к доставке
