Коробка передач редуктора порошковых металлургий PG56A-PM-HT планетарная приспосабливается к мотору nema23
Преимущества планетарных коробок передач
1. планетарный редуктор обеспечивает гибкую и надежную систему передачи энергии
2. планетарная коробка передач со множественными коэффициентами скорости и длинным сроком службы
3. Планетарная коробка передач небольшая в размере и свете в весе
4. уникальный дизайн плотности наивысшей мощности планетарной коробки передач
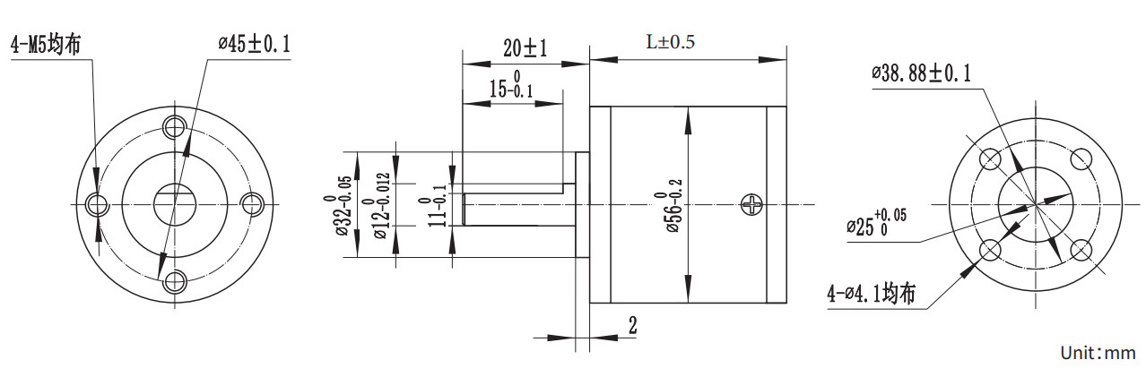
Механический размер

Спецификация коробки передач:
| Коэффициент уменьшения | Точное уменьшение Коэффициент |
Расклассифицированный вращающий момент допуска (Nm) |
Мгновенный вращающий момент допуска (Nm) |
Эффективность (%) | Длина (mm) |
Вес (g) |
Пронумеруйте зубчатые переборы |
| 1/4 | 1/4.33 | 2,0 | 6,0 | 81% | 41,3 | 491 | 1 |
| 1/6 | 1/6 | ||||||
| 1/15 | 1/15.17 | 8,0 | 25 | 72% | 59,6 | 700 | 2 |
| 1/18 | 1/18.77 | ||||||
| 1/26 | 1/25.98 | 16,0 | 50 | 72% | 59,6 | 700 | 2 |
| 1/47 | 1/47.63 | ||||||
| 1/66 | 1/66 |
Различные коэффициент уменьшения, вращающий момент, вес и длина.
Вид продукции
Различные gearboxs уменьшения
Проектировать пластиковую коробку передач: низкая цена и малошумное

Коробка передач порошковых металлургий: длинная жизнь и малошумное


Коробка передач сплава цинка: низкая цена


Прямоугольная коробка передач


L тип коробка передач


Коробка передач червя


Высококачественное сырье
Собранная коробка передач

Размещение коробки передач материальное
