Преимущества редуктора шестерни червя:
1. Структура редуктора шестерни червя интегрирована, с красивым возникновением и хорошей ригидностью.
2. 2 типа шкафов: основной тип (шкаф вертикальная или горизонтальная структура с плитой ноги) и всесторонний тип (коробка cuboid, с фиксированными отверстиями винта на множественных сторонах, без плиты ноги или дополнительного дна.
3. 2 типа соединения вала входного сигнала: основной тип (одновходовый вал и двойной вал входного сигнала), и фланец мотора.
4. 2 типа структуры вала выхода: основной тип (одновыходовой вал, двойной вал выхода) и неубедительный вал выхода.
5. Направление положения валов выхода и входного сигнала что вал входного сигнала вниз и вверх; вал выхода вверх и вниз; вал входного сигнала вверх и вниз.
6. 2 или 3 редукторы можно использовать для того чтобы сформировать многошаговый редуктор для того чтобы получить большой диапазон регулирования передаточного числа. Тип установки и метод выхода: низкопробный тип, тип фланца и тип установка руки вращающего момента, твердый выход вала и полого вала и выход червя сразу.
Электрическая спецификация:
|
Название продукта
|
Мотор шестерни червя DC
|
|
Модель
|
42BLY205AG389
|
|
Коэффициент уменьшения
|
1:389
|
|
Напряжение тока (v)
|
12 v
|
|
Проектная скорость с коробкой передач (RPM)
|
11
|
|
Расклассифицированный вращающий момент с коробкой передач (N.M)
|
15
|
|
Сила (w)
|
17
|
|
Класс изоляции
|
B
|
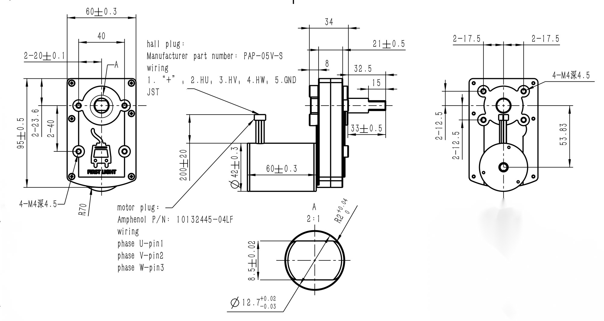
Механический размер

Вид продукции
Шагая мотор & планетарный мотор коробки передач & мотор DC безщеточный & мотор сервопривода
Производственный процесс мотора Hetai
Высококачественное сырье
Финальная инспекция безщеточного мотора
![]() |
||||
| Измерьте длину мотора | Измерьте длину вала | Измерьте круг Ouler | ||
![]() |
||||
| Измерьте расстояние отверстия винта | Измерьте длину провода | Измерьте длину PVC | ||
![]() |
||||
| Испытайте сопротивление | Слушать | Испытайте скорость | ||
Профессиональное оборудование для испытаний мотора


Package&Delivery


Аттестация



