HTD421 водитель водителя параллельного интерфейса 2 участков интегрированный для мотора NEMA 17 stepper
Характеристика продукта
Миниатюрный дизайн, удобную установку, можно интегрировать с 42 stepper моторами
- Жар-рассеиванный литой алюминий заключил снабжение жилищем
- Автоматическое половинное течение когда остановил побежать
- Изоляция параллельного интерфейса высокоскоростные светоэлектрическая, совместимая с уровнями 2A логики 3.3-5V и 12-24V непрерывно регулируемыми
- Microstep 1/2/4/8/16/32 опционных подразделений
Параметр продукта
|
ЭЛЕКТРОПИТАНИЕ |
DC 12V-DC 35V/2A, DC 24V порекомендован |
|
|
Параллельный интерфейс |
VCC |
Электропитание. Выбор 3.3V-5V или 12V-24V глубокого переключателя |
|
DIR |
0V или VCC. Настоящий: 8mA@3.3V/8mA@12V/15mA@5V/18mA@24V |
|
|
STP |
0V или VCC. Настоящий: 8mA@3.3V/8mA@12V/15mA@5V/18mA@24V Частота 0-20KHz |
|
| EN |
0V или VCC. Настоящий: 8mA@3.3V/8mA@12V/15mA@5V/18mA@24V Частота 0-20KHz |
|
|
Течение мотора выхода |
Пик 2A (однофазный максимум), фактическая польза 0-2A регулируемая |
|
Метод привода |
Постоянн настоящее управление PWM |
|
Подразделение привода |
Выбор установки 1 глубокого переключателя, 2, 4, 8, 16, 32 |
|
Сопротивление изоляции |
> 100M- на нормальных температуре и давлении |
|
Диэлектрическая прочность |
0.5KV, 1 минута на нормальной температуре и давление |
|
Защита |
Соединение обратного входного сигнала, перегрузка, привод перегревает, перегрузки по току привода |
Водитель имеет такие же положение и размер отверстия как stepper мотор 42.
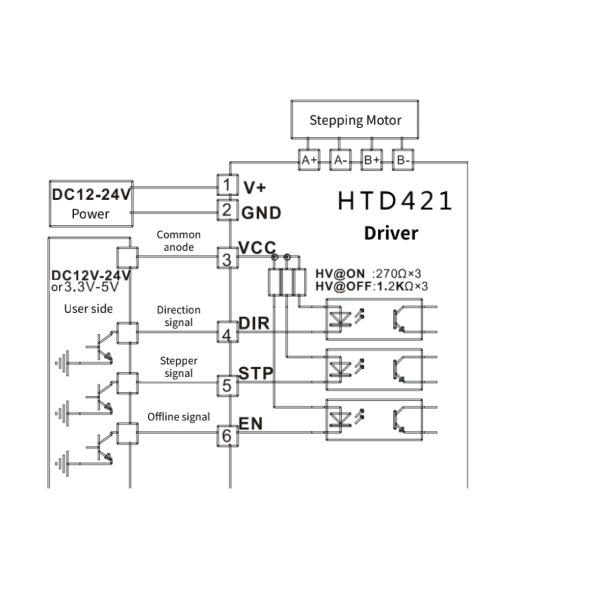
Электрический интерфейс

Размер водолаза

Проводка


Преимущество продукта
Преимущества интегрированных моторов включают легкость плана, уменьшенной сложности проводки, более быстрых установки и конструкции системы, и совместимости водителя мотора. К тому же, интегрированный блок с интегрированной системой управления также обеспечен.
Преимущества интегрированных мотора и тяговых устройств включают легкость вставки, уменьшенной сложности проводки, более быстрых установки и конструкции системы, и гарантированной совместимости мотор-привода. Дополнительно, интегрированные блоки которые включают системы на обломоке (SoC) также доступны.