Малошумный мотор 42mm щеточного устройства DC 24V NEMA 17 с 1:36 138Rpm 0.75A коробки передач
Моторы щеточного устройства DC идеально настроены для особенно крепких сверхмощных применений. Моторы щеточного устройства DC соответствующие для того чтобы нарисовать силу сразу от батареи. Моторы щеточного устройства DC доступны в широко других вариантах и индивидуально приспособлены к соответственно приобъектным условиям соединения и приложения.
Электрическая спецификация:
| Детали теста | Техническое требование | ||||
| Стандарт | Минута | Макс | Блок | ||
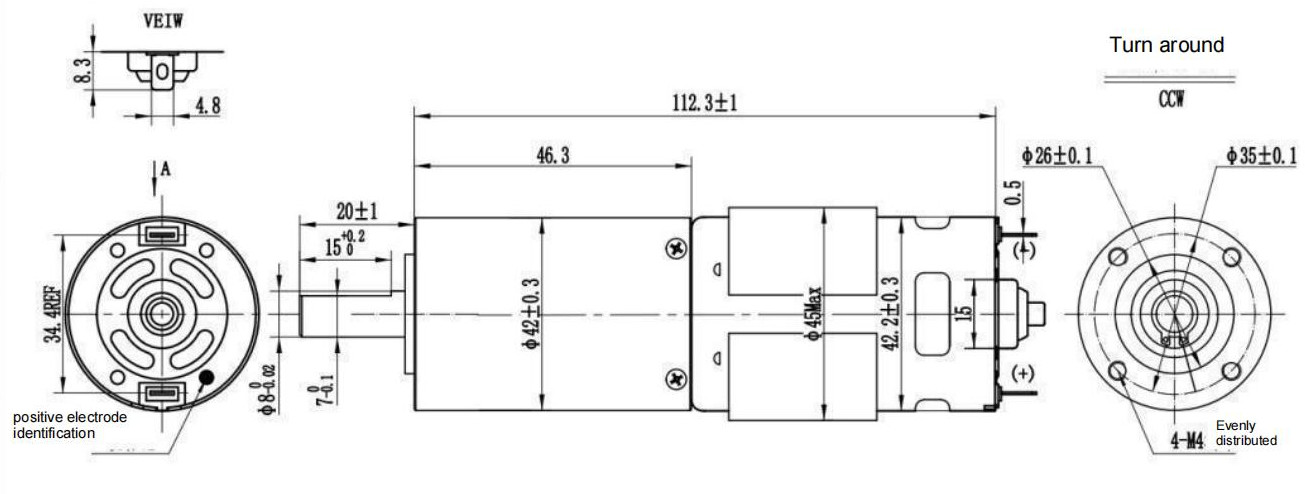
| Наружный диаметр вала | φ8 (0/-0.02) | 7,980 | 8,000 | mm | |
| Длина вала | 20±1 | 19,00 | 21,00 | mm | |
| Сплющивать длину | 15 (+0.2/0) | 15,00 | 15,20 | mm | |
| Сплющивать ширину | 7 (0/-0.1) | 6,90 | 7,00 | mm | |
| Диаметр коробки передач наружный | φ42±0.3 | 41,70 | 42,30 | mm | |
| Полная длина | 112.3±1 | 111,30 | 113,30 | mm | |
| Диаметр мотора наружный | φ45Max | / | 45,00 | mm | |
| Внешний диаметр подшипника | φ26±0.1 | 25,90 | 26,10 | mm | |
| Тангаж потока | φ35±0.1 | 34,90 | 35,10 | mm | |
| Диаметр потока | M4 | / | / | / | |
| Механическое поведение | Течение нулевой нагрузки | ≤0.75 | / | 0,75 | |
| Скорость вращения на холостом ходе | 138±15%rpm | 137,85 | 138,15 | RPM | |
| Поверните вокруг | Operates смотря на начало вала | CCW | |||
| Звук | Ничего необыкновенное | ||||
Технические требования:
Механический размер

Моторы Changzhou Hetai
Hetai расположено в провинция ChangZhou, Цзянсу. Наш район мастерской над 15,000㎡. В виду того что Hetai основало в 1999, специализация, масштаб производства обеспечивала для того чтобы изготовить 5 миллионов моторы каждый год.

Ряд рынка HeTai

Производственный процесс HeTai

Сварочный аппарат лазера

Машина замотки статора

Автоматический сборочный конвейер

Hetai имеет несколько изощренных аппаратур и оборудование, как лаборатория, ротор меля наружный круг, CNC Center.We также имеет несколько полностью автоматические современные сборочные конвейеры и несколько мастерских теста.
Packing&Delivery

Аттестация мотора щеточного устройства DC


