В щеточном двигателе постоянного тока используется конфигурация катушек с намотанной проволокой, якорь, действующий как двухполюсный электромагнит.Направление тока дважды за цикл меняется коммутатором, механическим поворотным переключателем.Это облегчает протекание тока через якорь;таким образом, полюса электромагнита тянут и толкают постоянные магниты снаружи двигателя.Затем коммутатор меняет полярность электромагнита якоря, когда его полюса пересекают полюса постоянных магнитов.
Бесщеточный двигатель, напротив, использует постоянный магнит в качестве внешнего ротора.Кроме того, в нем используются три фазы катушек возбуждения и специальный датчик, отслеживающий положение ротора.Поскольку датчик отслеживает положение ротора, он отправляет контрольные сигналы на контроллер.Контроллер, в свою очередь, структурно активирует катушки – одну фазу за другой.
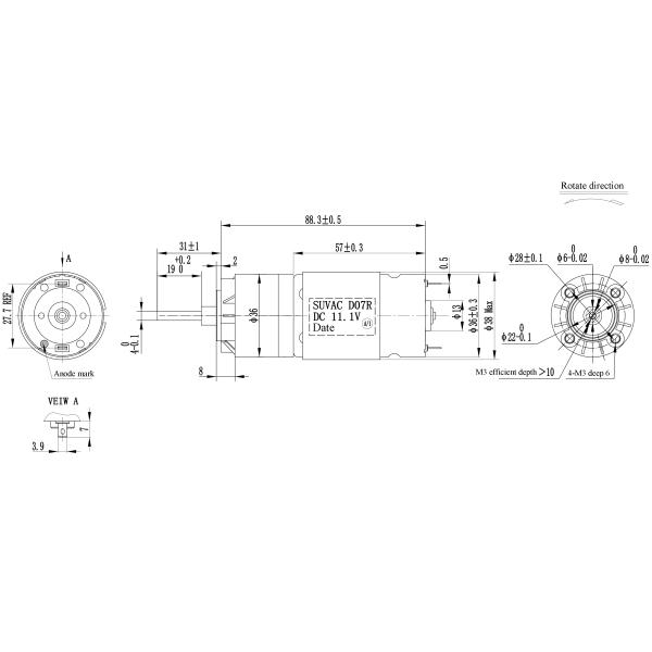
Электрические характеристики
| ХАРАКТЕРИСТИКИ С ПЛАНЕТАРНОЙ ПЕРЕДАЧЕЙ | ||
| Номинальное напряжение | В | 24 |
| Скорость двигателя | об/мин | 5000 |
| Номинальная скорость | об/мин | 94 |
| КОЭФФИЦИЕНТ СООТНОШЕНИЯ | 53:1 | |
*Продукты могут быть изменены по специальному запросу.
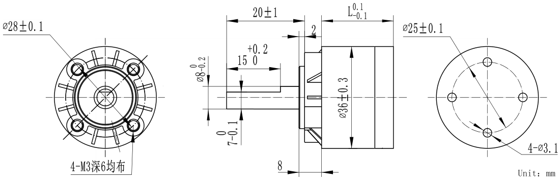
Механический размер

ЧАСТЬ КОРОБКИ ПЕРЕДАЧ Электрические характеристики:
36мм сплав цинка
| Материал корпуса | Подшипник на выходе | Радиальная нагрузка (10 мм от фланца) Н | Осевая нагрузка на вал (Н) | Максимальное усилие запрессовки вала (Н) | Радиальный люфт вала (мм) | Упорный люфт вала (мм) | Люфт на холостом ходу (°) |
| Сплав цинка | Пористые подшипники | ≤45 | ≤25 | ≤100 | ≤0,08 | ≤0,4 | ≤1,5 |
| Передаточное отношение | Номинальный допустимый крутящий момент (Нм) | Максимальный мгновенный допуск крутящего момента (Нм) | Эффективность% | Длина (мм) | Вес (г) | Количество зубчатых передач |
| 1/12 | 0,3 | 1,0 | 81% | 26,8 | 100 | 1 |
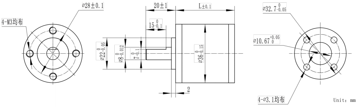
Механический размер

36мм Порошковая металлургия
| Материал корпуса | Подшипник на выходе | Радиальная нагрузка (10 мм от фланца) Н | Осевая нагрузка на вал (Н) | Максимальное усилие запрессовки вала (Н) | Радиальный люфт вала (мм) | Упорный люфт вала (мм) | Люфт на холостом ходу (°) |
| Порошковая металлургия | подшипники скольжения | ≤120 | ≤80 | ≤500 | ≤0,03 | ≤0,1 | ≤1,5 |
| Передаточное отношение | Номинальный допустимый крутящий момент (Нм) | Максимальный мгновенный допуск крутящего момента (Нм) | Эффективность% | Длина (мм) | Вес (г) | Количество зубчатых передач |
| 1/4 | 0,3 | 1,0 | 81% | 24,8 | 145 | 1 |
| 1/5 | ||||||
| 1/16 | 1,2 | 3,5 | 72% | 32,4 | 173 | 2 |
| 1/20 | ||||||
| 1/25 | ||||||
| 1/53 | 2,5 | 7,5 | 65% | 41,9 | 213 | 3 |
| 1/62 | ||||||
| 1/76 | ||||||
| 1/94 | ||||||
| 1/117 |
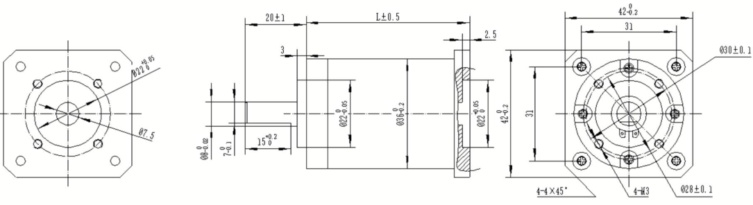
Механический размер

36-мм раздельная порошковая металлургия
| Материал корпуса | Подшипник на выходе | Радиальная нагрузка (10 мм от фланца) Н | Осевая нагрузка на вал (Н) | Максимальное усилие запрессовки вала (Н) | Радиальный люфт вала (мм) | Упорный люфт вала (мм) | Люфт на холостом ходу (°) |
| Порошковая металлургия | подшипники скольжения | ≤35 | ≤25 | ≤100 | ≤0,03 | ≤0,1 | ≤1,5 |
| Передаточное отношение | Номинальный допустимый крутящий момент (Нм) | Максимальный мгновенный допуск крутящего момента (Нм) | Эффективность% | Длина (мм) | Вес (г) | Количество зубчатых передач |
| 1/3,7 | 2 | 4 | 81% | 28 | / | 1 |
| 1/5.18 | ||||||
| 1/13.76 | 3 | 5 | 72% | 35,5 | / | 2 |
| 19.01.22 | ||||||
| 1/26.83 | ||||||
| 1/51 | 4 | 6 | 65% | 43 | / | 3 |
| 1/71,3 | ||||||
| 1/100 | ||||||
| 1/130 |
Механический размер

Производство коробок передач
![]() |
![]() |
![]() |
| Коробка передач в сборе | Массовое производство | Испытание двигателя коробки передач на старение |
Хетайский производственный процесс

Сертификат

![]() |
![]() |
![]() |
|
Отчет ROHS шагового двигателя Дата: 09 июня 2021 г. |
Отчет BLDC Motor ROHS Дата: 09 июня 2021 г. |
сертификат СЕ |
![]() |
![]() |
|
ИАТФ 16949: 2016
Действительно до: 02 июня 2024 г.
|
ИСО 9001:2015
Действительно до: 02 июня 2024 г.
|
Рыночный диапазон

Упаковка и доставка


Почему выбрали нас
Мы предлагаем вам:
Инженерная поддержка
Наша профессиональная команда может помочь вам найти правильный и подходящий двигатель для вас.Наши инженеры имеют богатый опыт работы с продуктами управления движением в различных отраслях промышленности, таких как роботы, упаковочное оборудование, текстильное оборудование, медицинские инструменты, полиграфическое оборудование, интеллектуальное логистическое оборудование и так далее.
![]() |
![]() |
![]() |
| Находить | Настроить | Оптимизировать |
| Наша команда может помочь вам найти двигатель, наиболее подходящий для вашего применения, из нашего огромного выбора двигателей. | Мы можем спроектировать и настроить производительность и внешний вид для вашего конкретного использования или сборки. | Для OEM-проектов у нас есть более 15 лет опыта решения различных проблем в различных приложениях.Мы улучшаем наш продукт вместе с нашим клиентом. |
Поддержка производства
Вне зависимости от объема заказа, мы предоставим одинаковую услугу.Наша команда инженеров может предоставить вам быстрые и точные прототипы в соответствии с вашими индивидуальными требованиями.
![]() |
![]() |
![]() |
| Прототипы | Стандартная партия | Пакет большого объема |
| 1-10шт | 500-5000шт | более 5000 шт. |
Крупносерийное производство
Наша фабрика была основана в 1999 году, а площадь мастерской составляет более 15 000 квадратных метров.У нас есть собственная производственная линия и обрабатывающий центр с ЧПУ, в том числе прецизионный универсальный шлифовальный станок с ЧПУ (Швеция), торговая марка с ЧПУ (Германия), токарный и фрезерный станок DMG, токарный станок DMG, измерительный прибор Mahr, китайский прецизионный круглошлифовальный станок, токарный станок с ЧПУ. , автоматическая многоголовочная намоточная машина, автоматическая линия сборки и так далее.