Конденсатор высоковольтного изолятора SrTiO3 керамический материал высоковольтные конденсаторы для высоковольтных датчиков живого отображения
Особенности
Применение
Высоковольтные керамические конденсаторы используются для высоковольтных живых датчиков отображения, подходящих для процесса APG и вакуумного литья.
Технические параметры
| Пропускная способность |
1V±0,2V, 1KHz -40°C ≈50°C 33 ± 1 pF |
| Диэлектрические потери |
1В±0,2В, 1кГц <0,0040 20°С ≈ 25°С |
| Рабочее напряжение | 38.5 кВ |
| Напряжение частоты питания | 80 кВ·1 мин ((в масле) |
| Частичное освобождение | 46.2кВ, 50Гц ≤ 5pC |
| Сопротивление изоляции | 1 кВDC∙ 1 минута > 10 минут4MΩ |
| Температура плавления пая | 200°С |
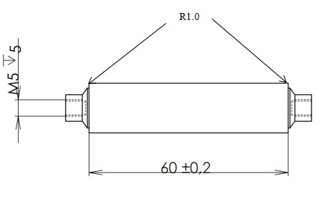
Размер
- Что?
Обзор компании
Xian Xiwuer Electronic and Info Co., Ltd. является полностью государственной компанией с зарегистрированным капиталом в 101,465 млн. юаней (обмен на 15,85 млн. долл. США),Общий объем активов компании составляет 315 млн юаней (который оценивается в 49 долларов США).Компания была основана в 1976 году. В настоящее время она насчитывает около 460 сотрудников, с годовым доходом от продаж в размере 280 миллионов CN (43,75 миллиона долларов США).Компания имеет четыре производственные и бизнес-базы, занимающие площадь 43052 квадратных метров., и площадь строительства более 50000 квадратных метров.более 80 инженеров с высшими техническими званиями 12 техников, которые были награждены экспертами с выдающимися вкладами муниципальным правительством Сиана, и 1 эксперт, который получает специальное пособие от Государственного совета.
• Умный встроенный эпоксидный столб;
• Интегрированный инструментальный трансформатор
• Разделитель емкостного напряжения;
• Стержень конденсатора высокого напряжения;
• высоковольтный пленочный конденсатор;
• Резистор высокого напряжения;
• Первичная и вторичная интегрированная интеллектуальная сборка и компоненты с функцией измерения напряжения, измерения тока, защиты, контроля температуры и питания;
• компоненты/части/сборка среднего-высокого напряжения;
• Защитное устройство от перенапряжения для системы питания;
• чипы для устройств освещения;
• Варистор оксида цинка; термистор.
Основные клиенты:ABB, Schneider, GE, ZTE, XD Electric, XJ Electric, PingGao Electric и т.д.
СТАТЬЯ


