электронный датчик напряжения в форме буши, проходящий через стену, вставный электронный датчик напряжения
Электронный интегральный датчик напряжения нулевой фазы электронного типа в форме буши является новым типом датчика напряжения для защиты фазовой последовательности и нулевой последовательности напряжения.Этот датчик напряжения электронного типа использует передовую технологию разделения напряжения на емкостныеЭлектронный датчик напряжения хорошо сочетается с выключателем наружного высоковольтного вакуумного выключателя и коммутатора, установленного на столбе,и он широко используется в различных системах распределения энергии.
Особенности
• Он обнаруживает напряжение нулевой последовательности и фазовой последовательности с высокой точностью и имеет стабильную и надежную работу;
• Он использует принцип емкостного разделителя напряжения и технологию независимой от жидкости инкапсуляции;
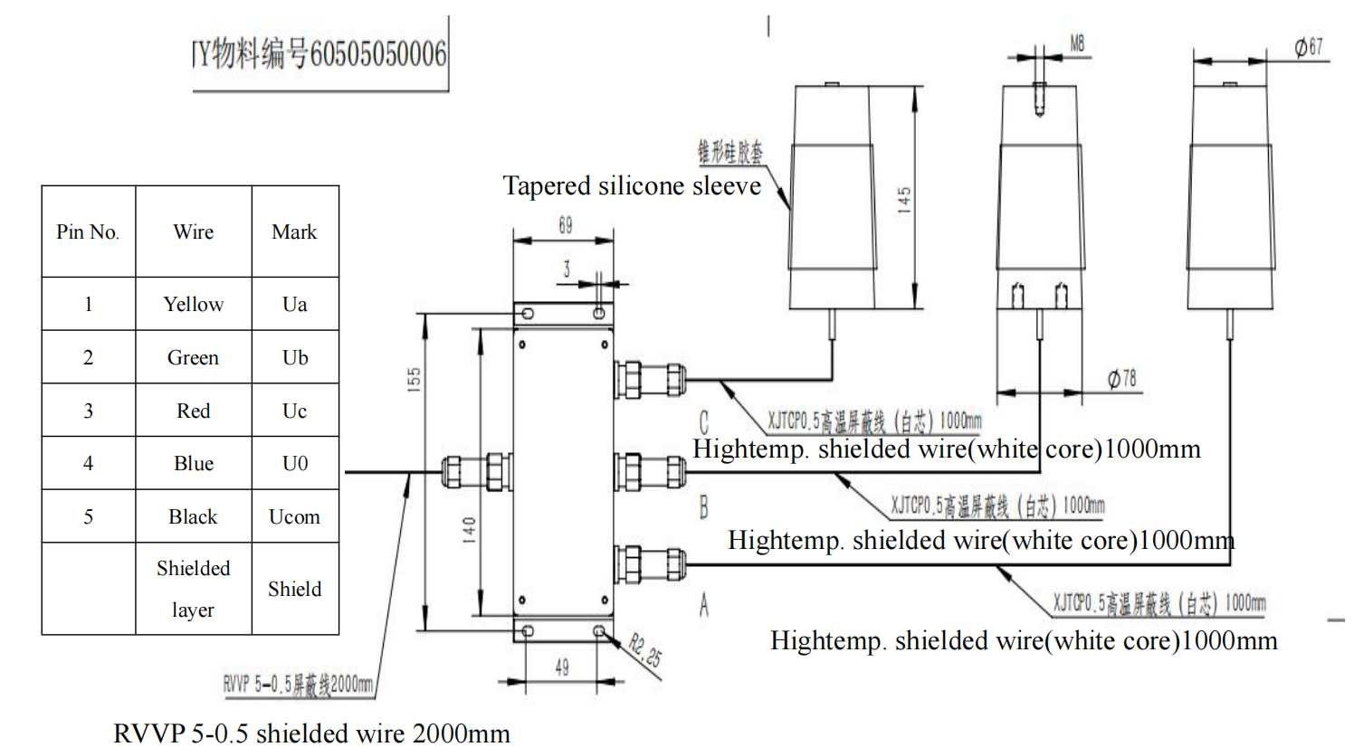
• Он состоит из трехфазных независимых датчиков с высоковольтными кабелями и может быть напрямую подключен к высоковольтному проводнику главного выключателя.
- Что?Технический параметр
| Положения | Технические данные | |
| Номинальное напряжение | 10 кВ | |
| Первичное входное напряжение | 10 КВ/√3 | |
| Вторичное входное напряжение | 13 /3V (нулевое напряжение) | |
| Точность (нулевое напряжение) | 3P | |
| Вторичное входное напряжение | 6.5 /√3V (напряжение фазовой последовательности) | |
| Точность (напряжение фазовой последовательности) | 0.5P | |
| Номинальная частота | 50 Гц | |
| Выдерживаемое напряжение (1min частота питания выдерживаемое напряжение) | 42 кВ | |
| Молниеносное давление (пик) | 75 кВ | |
| Частичное освобождение | ≤ 10 pc 14,4 кВ | |
| Стандарт продукции | T/C E S018-2018; GB/T20840. 7-20 07; DL/T 1155-2012 | |
| рабочая среда | Температура окружающей среды | -25 °C ~ + 40 °C |
| Среднесуточная разница температуры | ≤ 30°C | |
| Высота | ≤ 3000 м | |
| Относительная влажность | ≤ 60% | |
| Максимальная скорость ветра | 34 м/с | |
| Номинальная нагрузка | 10 МΩ | |
| Трудовая жизнь | ≥ 10 лет | |
Применение
Он используется в кольцевом основном агрегате для точного измерения, управления и защиты систем электрической энергии LV, MV и HV путем деления входного высокого напряжения 10kv/√3 на выходное напряжение 3.25В/√3 для фазовой последовательности и 6.5 V /√3 для нулевой последовательности в виде сигнального напряжения, который предназначен для обнаружения фонового излучения.
Размер
Обзор компании
·Xian Xiwuer Electronic and Info. Co., Ltd.является полностью государственной компанией с зарегистрированным капиталом в 101,465 млн. юаней (в обмен на 15,85 млн. долларов США), владеет общими активами в 315 млн. юаней (в обмен на 49,22 млн. долларов США).Он был создан в 1976 году.В настоящее время компания насчитывает около 460 сотрудников с годовым доходом от продаж в размере 280 млн. CN (в обмен на 43,75 млн. USD).Компания имеет четыре производственные и бизнес-базы, занимающие площадь 43052 квадратных метров., и площадь строительства более 50000 квадратных метров.более 80 инженеров с высшими техническими званиями 12 техников, которые были награждены экспертами с выдающимися вкладами муниципальным правительством Сиана, и 1 эксперт, который получает специальное пособие от Государственного совета.
• Умный встроенный эпоксидный столб;
• Интегрированный инструментальный трансформатор
• Разделитель емкостного напряжения;
• Стержень конденсатора высокого напряжения;
• высоковольтный пленочный конденсатор;
• Резистор высокого напряжения;
• Первичная и вторичная интегрированная интеллектуальная сборка и компоненты с функцией измерения напряжения, измерения тока, защиты, контроля температуры и питания;
• компоненты/части/сборка среднего-высокого напряжения;
• Защитное устройство от перенапряжения для системы питания;
• чипы для устройств освещения;
• Варистор оксида цинка; термистор.
Основные клиенты:ABB, Schneider, GE, ZTE, XD Electric, XJ Electric, PingGao Electric и т.д.
СТАТЬЯ



