35kVAC-45pFВысоковольтный керамический конденсатор 3.6KV-40.5KV
Электрические характеристики:
Емкость при 1В±0,2В, 1кГц 20℃~25℃ 35пФ~55пФ
Диэлектрические потери при 1 В ± 0,2 В, 1 кГц: <0,0040 при 20 ℃ ~ 25 ℃
Номинальное рабочее напряжение: 35 кВ
Испытание на перенапряжение при частоте питания: 90 кВ·1мин в масле
Частичный разряд: 44,6 кВ, 50 Гц ≤10 пКл в масле
Температура припоя: 200 ℃
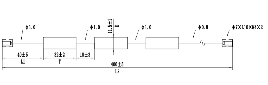
РАЗМЕР(мм)

ОБЗОР КОМПАНИИ
Сиань Xiwuer Electronic & Info.Co., Ltd. находится в Beiguan, город Сиань.покрытие на площади 4000㎡, с сотрудниками 2300 человек и около 580 техников, среди них 135 инженеров, 21 старших инженеров.Компания имеет общие активы в размере 315 миллионов юаней, основные средства в размере 137 миллионов юаней, это крупное предприятие, в основном занимающееся производством электронных компонентов. Компания имеет самый большой масштаб производства Varistor,SPD(Устройство защиты от перенапряжения)а такжеКерамический конденсатор высокого напряженияв Китае со следующими основными продуктами:
1. Варисторы и УЗИП
4.Термистор
Основная производственная линияd инспекционное оборудование и инструменты импортируются из Японии, Америки, Бельгии, Швейцарии и т. д. Годовая производственная мощность двух ведущих продуктов достигла 5 миллионов штук и 150 миллионов штук соответственно, при этом доля рынка в Китае составляет около 10%. и 30% соответственно за счет постоянных технических инноваций.Варисторы и SPD, производимые компанией, пользуются большой репутацией на международном рынке, экспортируются во многие страны и регионы, такие как Япония, США, Гонконг и т. д., с такими клиентами, как India и GE в США.уже проданы компании LG в Корее в большом количестве, а также в Испанию, Индию и т. д.
Не только качество продукции и технические возможности, но и комплектность моделей занимают лидирующие позиции в Китае.Основные продукты получили одобрение CCEE, UL, VDE и TUV.Система качества была создана в соответствии с требованиями ISO9000 с 1992 года и прошла сертификацию ISO9002 международной организацией DNV в июле 1994 года, затем получила сертификацию ISO9001 британской организацией в 2000 году, к тому времени мы оба первые, кто одобрен Сертификация ISO9000 в северо-западной части Китая и то же занятие.Мы прошли все последовательные периодические аудиты и успешно зарегистрировали новый сертификат в Голландии в августе 1997 года;система качества постоянно укрепляется и дополняется.И мы также получили сертификат ISO18000.
Мы считаем, что можем поставлять удовлетворенные товары и услуги клиентам дома и за рубежом по наиболее разумной цене и в кратчайшие сроки на основе нашей превосходной способности обеспечения качества, технических возможностей развития и богатого производственного опыта.
СЕРТИФИКАТ


