HW-221V14F26-0202-3400CMM:
CMM было начато для рынков воздушно-космического пространства, авионики, инструментирования & контроля, обороны и транспорта, с применениями которые наводят IFES, HUDs, управления боя, блоки FADEC, радиолокаторы, ракеты, электрооптические визируя системы, спутники, мобильные радио, электропитания, UAVs и контроли двигателя. Также используемые контроли двигателя. Оно также использован в возрастающем числе применений медицинских, и телекоммуникаций.
Оцифровка части:

nn=number ЕСЛИ контакты
| Тип | L |
| Y | 3 |
| YL | 4,5 |
Вычисление:
| A=nn-2 |
| B=A+7 |
| C=A+12 |
См. для того чтобы проставить размеры таблицу на обложке
ФИКСИРУЯ ОБОРУДОВАНИЕ ДЛЯ CMM ЖЕНЩИНЫ 220:
ФИКСИРУЯ ОБОРУДОВАНИЕ ДЛЯ CMM МУЖЧИНЫ 220
| ССЫЛКА | СОБРАНИЕ НА PCB | РАЗМЕРЫ OVERLL | РЕКОМЕНДАЦИЯ |
| F21 | Прямо на PCB | ![]() | F21: Мужчина CMM: Y-YL-T-S-C (D-E: прямой)
|
F22 | Прямо на PCB 0.8min/2max ![]() | ![]() | F22: Мужчина CMM: Y-T-S-C (D-E: прямой) F22H: Мужчина CMM: Y-T (D: прямой)
|
F22H | |||
F24 | Прямо на PCB 1.5min/4max |
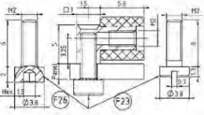
| F26
|
| ![]() | F26/F23: Мужчина CMM: V-VL-R-S-C-E (D: 90°)
|
МУЖЧИНА ПРЯМО НА КАБЕЛЕ P/N 30-33xx (припой или гофрировать):
| Нагруженный | Разгруженный | Ампер | Кабель a | ØB | ØC | Отверстие длины d | Тело длины e | Проводник f длины | Припой | Гофрируйте размером/плашками HX3 Hexagone | Гофрируйте AF8 | ||||
| AWG 20 | AWG 18 | AWG 16 | AWG 14 | AWG 12 | |||||||||||
| 3305 | 30-3305 | 5A | × | 1,1mm | 1,65 | 6,2mm | 6,7mm | 4,5mm | ОК | Hex.1, 9 mm/C14923 | ОК | ||||
| 3308 | 30-3308 | 8A | × | 1,35mm | 1,85 | 6,2mm | 6,7mm | 4,5mm | ОК | Hex.1, 9 mm/C14923 | ОК | ||||
| 3310 | 30-3310 | 10A | × | × | × | 1,7mm | 6,2mm | 6,7mm | 6mm | ОК | ОК | ||||
| 3315 | 30-3315 | 15A | × | 2mm | 6,2mm | 6,7mm | 6mm | ОК | ОК | ||||||
| 3320 | 30-3320 | 20A | × | 2,6mm | 6,2mm | 6,7mm | 5,3mm | ОК | ОК | ||||||
| Нагруженный | Разгруженный | Ампер | Кабель a | ØB | ØC | Отверстие длины d | Тело длины e | Проводник f длины | Припой | Гофрируйте размером/плашками HX3 Hexagone | Гофрируйте AF8 | ||||
| AWG 20 | AWG 18 | AWG 16 | AWG 14 | AWG 12 | |||||||||||
| 3305 | 30-3305 | 5A | × | 1,1mm | 1,65 mm | 6,2mm | 6,7mm | 4,5mm | ОК | Hex.1, 9 mm/C14923 | ОК | ||||
| 3308 | 30-3308 | 8A | × | 1,35mm | 1,85 mm | 6,2mm | 6,7mm | 4,5mm | ОК | Hex.1, 9 mm/C14923 | ОК | ||||
| 3310 | 30-3310 | 10A | × | × | × | 1,7mm | 6,2mm | 6,7mm | 6mm | ОК | ОК | ||||
| 3315 | 30-3315 | 15A | × | 2mm | 6,2mm | 6,7mm | 6mm | ОК | ОК | ||||||
| 3320 | 30-3320 | 20A | × | 2,6mm | 6,2mm | 6,7mm | 5,3mm | ОК | ОК | ||||||
CMM 220 СЕРИЙ в мужских & женских стилях для контактов HF/HP:
| CMM 220 Мужской & женский Особенный контакты только | Особенные контакты нумеруют | 2 | 3 | 4 | 5 | 6 | 7 | 8 | 9 | 10 | 11 | 12 | 13 | 14 | 15 | |
| Дистанцируйте ось | 4 | 8 | 12 | 16 | 20 | 24 | 28 | 32 | 36 | 40 | 44 | 48 | 52 | 56 | ||
| B | 13 | 17 | 21 | 25 | 29 | 33 | 37 | 41 | 45 | 49 | 53 | 57 | 61 | 65 | ||
| Длина в mm | C | 18 | 22 | 26 | 30 | 34 | 38 | 42 | 46 | 50 | 54 | 58 | 62 | 66 | 70 | |

Показ продукта:



