Качество кабеля:Укомплектованный кабелем RVSP-8 * 0,15 мм2, этот скользящий кольцо обеспечивает надежную защиту и гибкость, обеспечивая стабильность передачи данных и мощности.Высококачественный кабель уменьшает износ при динамических приложениях и увеличивает долговечность устройства.
Динамическое сопротивление контакта:При динамическом сопротивлении контакта ≤ 10mΩ, скользящее кольцо минимизирует изменчивость сопротивления во время вращения, способствуя плавным и последовательным электрическим соединениям.Эта функция повышает целостность сигнала и уменьшает потерю энергии, что делает его подходящим выбором для приложений, где надежность имеет решающее значение.
Точный контактный материал:Используя контакты из драгоценных металлов, это скользящее кольцо обеспечивает отличную проводимость и низкое трение, минимизируя износ и обеспечивая надежную, долговечную работу.Эта особенность имеет решающее значение для приложений, требующих высококачественной целостности сигнала, такие как медицинские изделия и высокоточные приборы.
Оборудование для аэрокосмических испытаний:В аэрокосмических испытаниях эти кольца позволяют передавать сигналы и данные от датчиков на вращающихся платформах, обеспечивая сбор данных в режиме реального времени для таких компонентов, как турбины.Их высокая изоляция и диэлектрическая прочность делают их идеальными для экстремальных условий, требующих точных данных.
Сельскохозяйственные машины:В комбайнах и системах орошения эти скользкие кольца обеспечивают надежную передачу энергии и сигнала к вращающимся компонентам, обеспечивая бесперебойную работу датчиков и приводов.Это повышает мониторинг и контроль таких функций, как сбор урожая и распределение воды., повышение производительности.
Швейные машины:В швейных машинах эти скользкие кольца передают энергию и управляющие сигналы двигателям и датчикам, обеспечивая последовательность швов.обеспечивает точное управление и долговечность в течение длительных часов работы без частой технической поддержки.
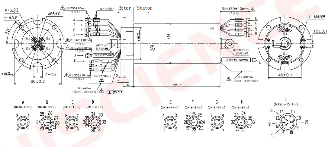
Цепи/Текущий | 8 цепей 10А +27Сигналы + 1Shield |
| Напряжение | 0-240VAC/DC |
| Размер свинцовой проволоки | AWG17#22#24# Тефлонная изоляция RVSP-8*0,15 мм2 кабель |
| Диэлектрическая прочность | ≥ 500В@50Гц |
| Сопротивление изоляции | 500MΩ@500VDC |
| Динамическое сопротивление при контакте | ≤ 10 мΩ |
| Рабочая скорость | 0-200 оборотов в минуту |
| Степень защиты (IP) | IP51 |
| Рабочая температура | -20°C~+80°C |
| Контактный материал | Драгоценный металл |
| Жилой материал | Сплав алюминия |
Проходы | 1 Проход |
| Размер нитки соединения | M6, 6 мм |
| Давление | 1 МПа |
| Средства передачи | Сжатый воздух |

Вопрос: Может ли скользящее кольцо одновременно передавать мощность и сигнал?
А:Да, это кольцо имеет 8 цепей питания и 27 сигнальных каналов, что позволяет передавать энергию и данные одновременно без помех,что делает его идеальным для сложных систем, которые требуют нескольких соединений.
Вопрос: Обеспечивает ли это кольцо хорошую целостность сигнала для чувствительного оборудования?
А:Да, скользящее кольцо обеспечивает отличную целостность сигнала благодаря своим драгоценным металлическим контактам и высококачественной конструкции.что делает его подходящим для чувствительного оборудования, такого как датчики или высокоточные испытательные устройства.
Вопрос: Можно ли настроить скользящее кольцо с дополнительными схемами или другими спецификациями?
А:Да, мы предлагаем варианты настройки. Если вам нужно больше энергии или сигнальных цепей, или если вам требуется различные показатели давления или конкретные материалы, пожалуйста, свяжитесь с нами, чтобы обсудить ваши потребности.